John Deere 7430 7530 European Premium Tractor Supplement Diagnosis Test Manual SUPTM8060EP
Language: English
Format: PDF
Document: Supplement Diagnosis Test Manual
Machine: European Premium Tractor
Machine Model: 7430 E Premium, 7530 E Premium
Pages: 510 Pages
Part Number: SUPTM8060EP
Contents:
Foreword
General information
Safety Information
Diagnostic Trouble Codes
ATC Control Unit
BCU Control Unit
BIF Control Unit
DSM Control Unit
DTI Control Unit
ECU Control Unit
EDI Control Unit
EPG Control Unit
ETC Control Unit
JDL Control Unit
PLC Control Unit
SIC Control Unit
SSU Control Unit
TCU Control Unit
TSC Control Unit
UIM Control Unit
VTI Control Unit
Observable Symptoms
Electronics
Electronic Control Units
System Diagnostics
Electronics
VTI (GreenStar) - System Diagnostics
Fuel, Air Intake and Cooling Systems
Test and Adjustments
Cooling System
Electrical System
EPG/EDI Control Unit (E Premium)
Electrical Coolant Pump (E Premium)
Component Information - Connectors
Component Information - Wiring Harnesses
Component Information - Electrical Parts/Components
Component Information - Ground Connections
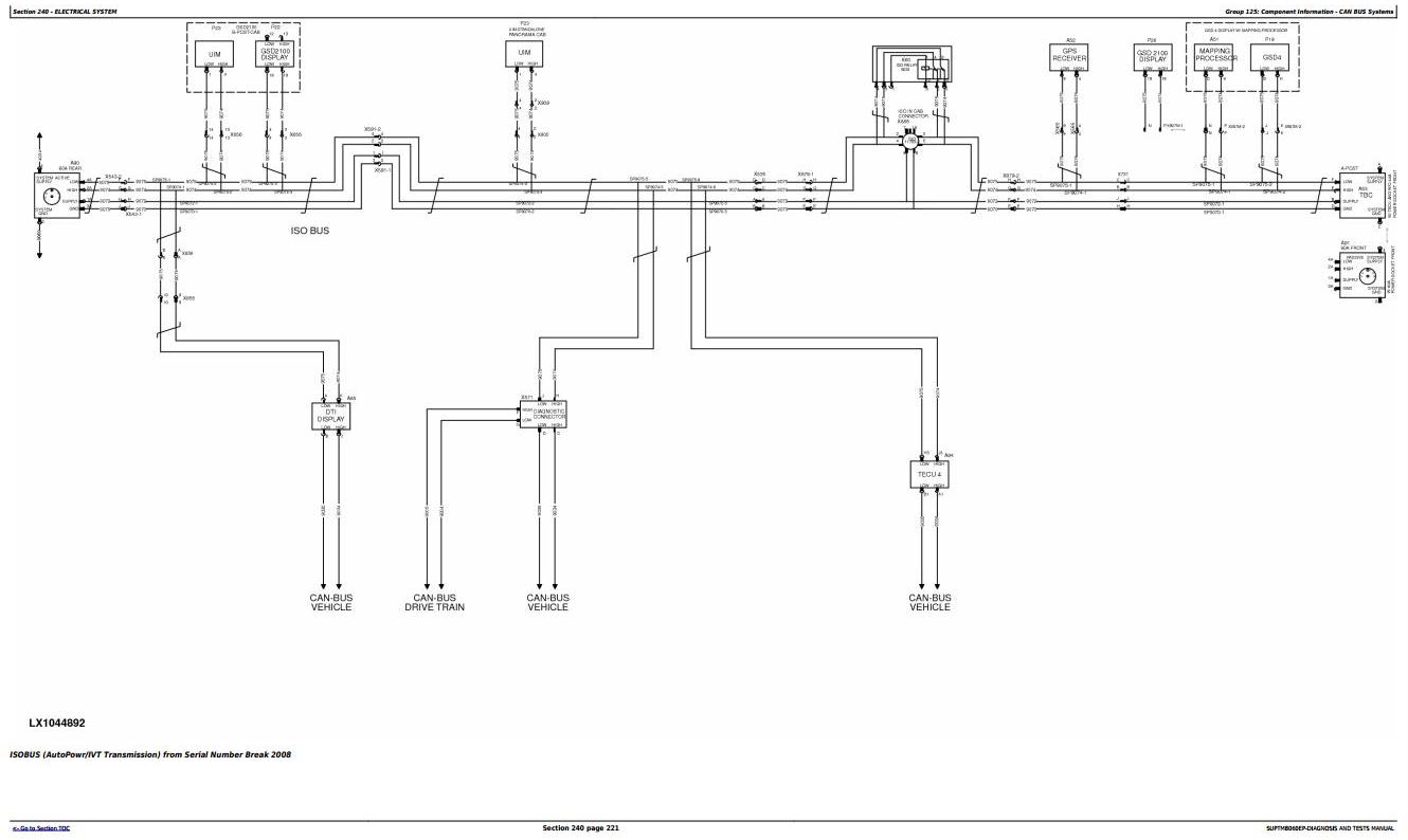
Component Information - CAN BUS Systems
Electronic Control Units
Operation and General Information on Diagnostics
Data BUS Systems
Tractor-Specific E Premium Addresses (Without EDI and EPG)
ATC Control Unit
DTI Control Unit
ECU Control Unit
EDI Control Unit
EPG Control Unit
ETC Control Unit
Steering and Brakes
Test and Adjustments
Air Brakes
Operator`s Cab
Air-Conditioning System
ClimaTrak
Special Tools
Special Tools (Available as Spare Parts)




