John Deere 748H Grapple Skidder Diagnostic Operation Test Manual TM10286
Language: English
Format: PDF
Document: Diagnostic Operation Test Manual
Machine: Grapple Skidder
Machine Model: 748H (SN.-630435)
Pages: 781 Pages
Part Number: TM10286
Contents:
Foreword
Technical Information Feedback Form
General Information
Safety Information
Diagnostic Trouble Codes (DTC)
Engine Control Unit (ECU)
Transmission Control Unit (TCU)
Standard Display Monitor (SDM)
Operational Checkout
Operational Checks
Engine
Theory of Operation
Diagnostic Information
Test
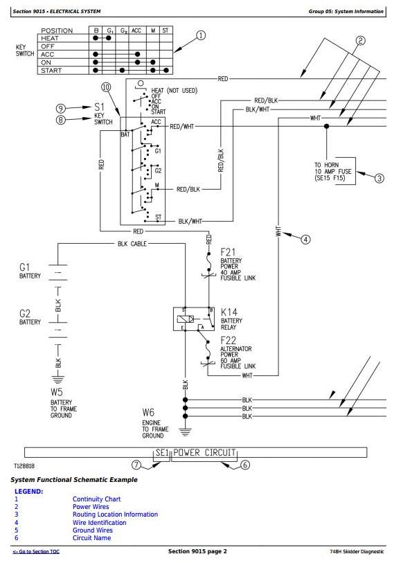
Electrical System
System Information
System Diagrams
Sub-System Diagnostics
Monitor Operation
References
Power Train
Theory of Operation
Diagnostic Information
Adjustments
Test
Hydraulic System
Theory of Operation
Diagnostic Information
Adjustments
Test
Winch
Theory of Operation
Diagnostic Information
Adjustments
Test
Heating and Air Conditoning
Theory Of Operation
Diagnostic Information
Test




