John Deere 7505 Tractor Diagnosis Test Manual TM4869
Language: English
Format: PDF
Document: Diagnosis Test Manual
Machine: Tractor
Machine Model: 7505
Pages: 461 Pages
Part Number: TM4869
Contents:
Safety
Electric System
Special Tools for Electricity
Electric Harness Connector Maintenance
Multitester Identification
Source Circuit and Starting
Power take-off - (PTO)
Front Wheel Drive
Differential Lock
Circuit of the lights
Recharge Circuit of the Battery
Tractor Monitoring
Hydraulic Control Unit - HCU
Cab
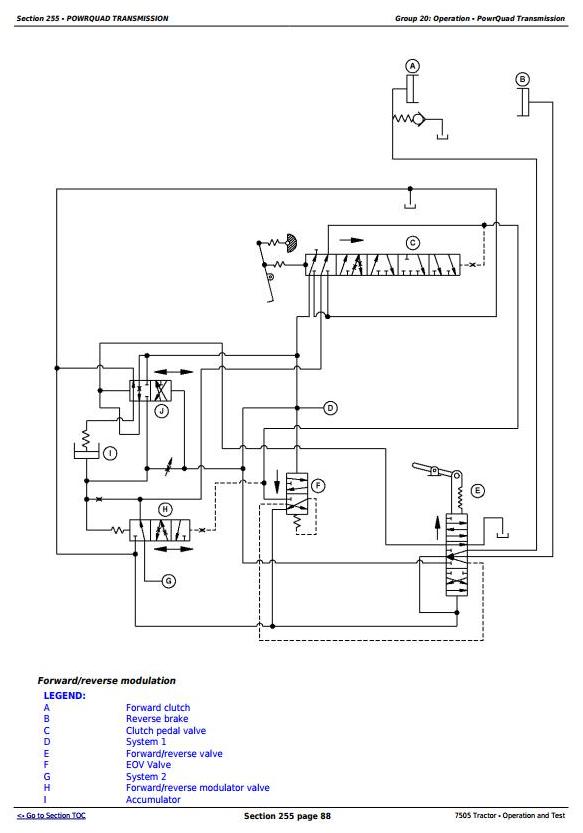
PowrQuad Transmission
Operation
Troubleshooting
Regulating
Operation - PowrQuad Transmission
Power Transmission
Front wheel drive (FWD) clutch
Diagnosis of the FWD, Differential Lock and PTO
Steering and Brakes
Operation and Test
Troubleshooting
Checking
Hydrostatic Steering
Brakes
Hydraulic system
Operational Test
Troubleshooting
Diagnostic and Calibration of the Hydraulic Lift System
Hydraulic Circuits
Hydraulic Pump of External Gears
Valve, Oil Cooler, and Filter
Hydraulic Lift
Remote Control Valves
Hydraulic Pump of Axial Pistons
Cab
Test of Operation
Troubleshooting - Air Conditioning System
Ventilation and Heating - Troubleshooting
Operation - Air Conditioning System
Various




