John Deere 750J Crawler Dozer Diagnostic Operation Test Manual TM12709
Language: English
Format: PDF
Document: Diagnostic Operation Test Manual
Machine: Crawler Dozer
Machine Model: 750J SN 219963-
Pages: 755 Pages
Part Number: TM12709
Contents:
Foreword
Technical Information Feedback Form
General Information
Safety
Diagnostic Trouble Codes (DTC)
Standard Display Monitor (SDM) Diagnostic Trouble Codes
Engine Control Unit (ECU) Diagnostic Trouble Codes
Transmission Control Unit (TCU) Diagnostic Trouble Codes
Electrohydraulic Controller (EHC) Diagnostic Trouble Codes
Blade Control Joystick (BCJ) Diagnostic Trouble Codes
Operational Checkout Procedure
Operational Checkout Procedure
Engine
Theory of Operation
Diagnostic Information
Test
Electrical System
System Information
System Diagrams
Sub-System Diagnostics
Monitor Operation
References
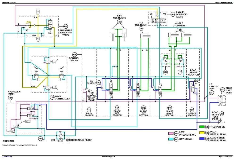
Hydraulics
Theory
Diagnostic Information
Test
Hydrostatic System
Theory of Operation
Diagnostic Information
Test
Heating and Air Conditioning
Theory of Operation
Diagnostic Information
Test




