John Deere 753G 753GL 608S 608B 608L Track Harvester Test Technical Manual TMF387452
Language: English
Format: PDF
Document: Test Technical Manual
Machine: Track Harvester
Machine Model: 608B, 608L, 608S, 753G, 753GL
Pages: 99 Pages
Part Number: TMF387452
Contents:
Foreword
Technical Information Feedback Form
General Information
General Specifications
Operational Checkout Procedure
Operational Checkout Procedure
Electrical System
System Diagrams
Sub-System Diagnostics
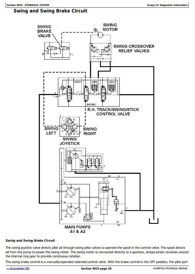
Hydraulic System
Theory of Operation
System Operational Checks
Diagnostic Information
Test




