John Deere 759G 608L Leveling Tracked Feller Buncher Repair Technical Manual TM2219
Language: English
Format: PDF
Document: Repair Technical Manual
Machine: Leveling Tracked Feller Buncher
Machine Model: 608L, 759G (SN. 759G001032- )
Pages: 520 Pages
Part Number: TM2219
Contents:
Foreword
Technical Information Feedback Form
General Information
Safety
General Specifications
Torque Values
Fuels and Lubricants
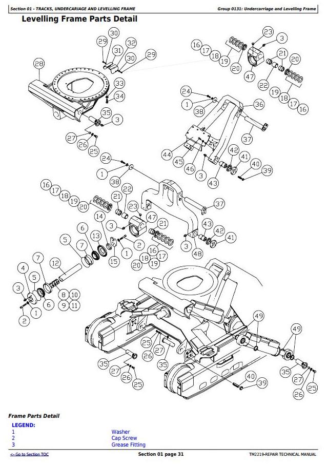
Tracks, Undercariage and Levelling Frame
Track System
Undercarriage and Levelling Frame
Propel and Suspension Systems
Bearings, and Reduction Gears
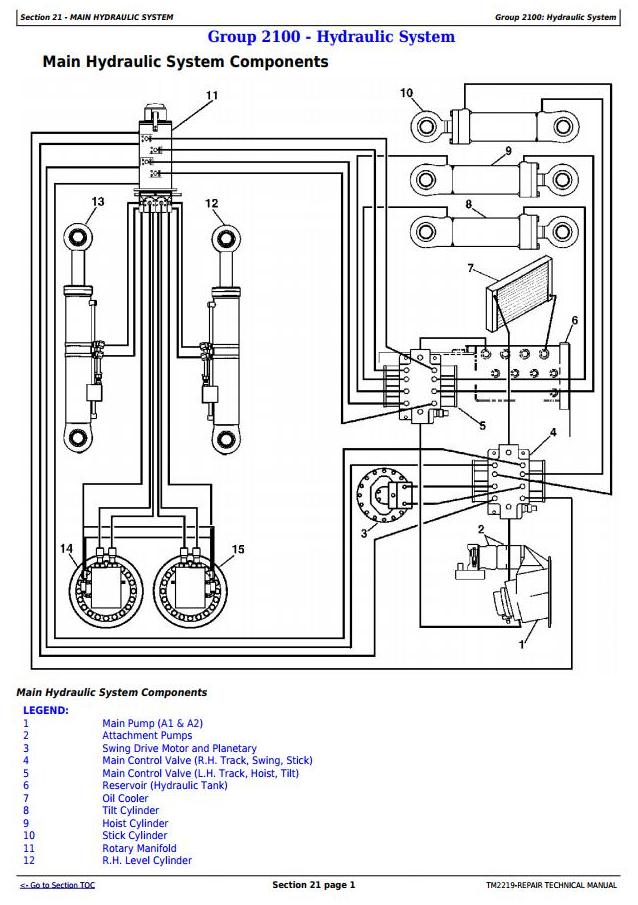
Hydraulic System
Engine
Removal and Installation
Engine Auxiliary Systems
Cooling System
Intake System
Exhaust System
Fuel Supply System
Frame, Chassis or Supporting Structure
Frame Installation
Chassis Weights
Operator’s Station
Cab General
Seat
Heating and Air Conditioning
Main Hydraulic System
Hydraulic System
Swing System
Swing Components
Swing Brake
Swing Drive Gearbox and Bearing
Swing Hydraulic System
Swing Rotary Manifold
Dealer Fabricated Tools
Dealer Fabricated Tools




