John Deere 762B Series II Scraper Diagnostic Operation Test Manual TM1673
Language: English
Format: PDF
Document: Diagnostic Operation Test Manual
Machine: Scraper
Machine Model: 762B-II (SN. from 818909)
Pages: 597 Pages
Part Number: TM1673
Contents:
Foreword
Technical Information Feedback Form
General Information
Safety
General Specifications
Torque Values
Fuels and Lubricants
Operational Checkout Procedure
Operational Checkout Procedure
Engine
Theory Of Operation
Diagnostic Information
Adjustments
Test
Electrical System
System Information
System Diagrams
Sub-System Diagnostics
Adjustments And Additional Information
Power Train
Theory Of Operation
Diagnostic Information
Adjustments
Test
Hydraulic System
Theory of Operation
Diagnostic Information
Adjustments
Test
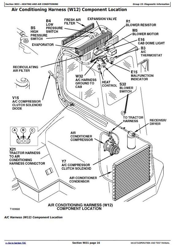
Heating and Air Conditioning
Theory of Operation
System Operational Checks
Diagnostic Information
Adjustments
Test




