John Deere 770G 770GP 772G 772GP Motor Grader Repair Technical Manual TM13027X19
Language: English
Format: PDF
Document: Repair Technical Manual
Machine: Motor Grader
Machine Model: 770G (PIN: 1DW770G***F656526-678817), 770GP (PIN: 1DW770G***F656526-678817), 772G (PIN: 1DW772G***F656526-678817), 772GP (PIN: 1DW772G***F656526-678817)
Pages: 630 Pages
Part Number: TM13027X19
Contents:
Foreword
Manual Identification-READ THIS FIRST!
General Information
Safety
Torque Values
Wheels
Powered Wheels and Fasteners
Axles and Suspension Systems
Input Drive Shafts and U-Joints
Non-Powered Wheel Axles
Powered Wheel Axles
Axle Shafts, Bearings, and Reduction Gears
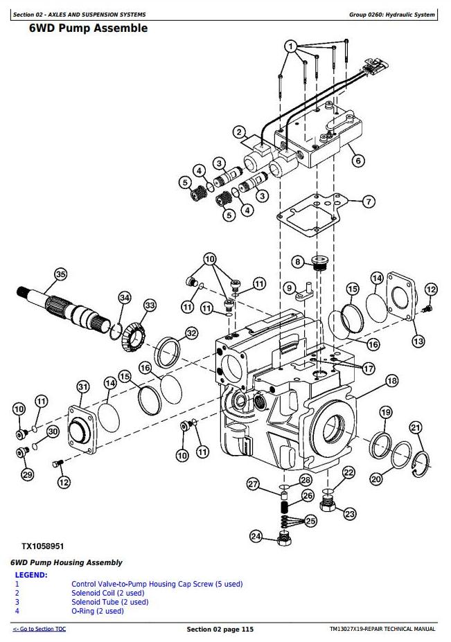
Hydraulic System
Transmission
Removal and Installation
Hydraulic System
Engine
Removal and Installation
Engine Auxiliary System
Cooling System
External Exhaust System
External Fuel Supply Systems
Torsional Isolator
Elements
Steering System
Power Steering
Hydraulic System
Service Brakes
Active Elements
Hydraulic System
Park Brake
Active Elements
Frame, Chassis or Supporting Structure
Frame Installation
Operator’s Station
Removal and Installation
Operator Enclosure
Pedal Assembly
Steering Tilt Console
Seat and Seat Belt
Heating and Air Conditioning
Sheet Metal and Styling
Engine Enclosure
Grille and Grille Housing
Main Hydraulic System
Hydraulic System
Grading Device
Controls Linkage
Frame
Circle Gearbox
Hydraulic System
Ground Conditioning Tool
Frame
Dealer Fabricated Tools
Dealer Fabricated Tools




