John Deere 8100 8200 8300 8400 Tractor Diagnosis Test Service Manual TM1576
Language: English
Format: PDF
Document: Diagnosis Test Service Manual
Machine: Tractor
Machine Model: 8100, 8200, 8300, 8400
Pages: 2687 Pages
Part Number: TM1576
Contents:
Foreword
SAFETY INFORMATION
Safety
GENERAL INFORMATION
Operational Checks
General Reference Information
Test Equipment Calibration
SERVICE CODES
ACU Code Diagnostics
AMS Code Diagnostics
CCU Code Diagnostics
ECU Code Diagnostics
HCU Code Diagnostics
ICU Code Diagnostics
LHP Code Diagnostics
PCU Code Diagnostics
SCo Code Diagnostics
SCU Code Diagnostics
SSU Code Diagnostics
SUP Code Diagnostics
OBSERVABLE SYMPTOMS
Ag Management Solutions (AMS)
Engine
Electrical
Powershift Transmission
Steering and Brakes
Hydraulics
ENGINE OPERATION AND TESTS
Engine Diagnosis, Tractor-Pin (-11,000)
Engine Diagnosis, Tractor-PIN (11,001-)
FUEL, AIR INTAKE AND ENGINE COOLING SYSTEMS
Theory of Operation
ELECTRICAL OPERATION AND TESTS
Codes and Addresses
System Information
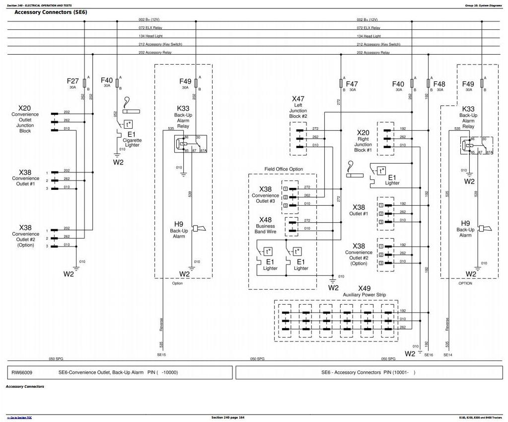
System Diagrams
Sub-System Diagnosis
Calibration and References
AG MANAGEMENT SOLUTIONS (AMS) - GREENSTAR™
GREENSTAR™ System References
AG MANAGEMENT SOLUTIONS (AMS)-JDLINK™
AG MANAGEMENT SOLUTIONS (AMS)-JDLINK™
AG MANAGEMENT SOLUTIONS (AMS) - AUTOTRAC
How to Use This Diagnostic Information
Accessing Diagnostic Addresses and Codes
Diagnostic Trouble Codes
AutoTrac Identification
AutoTrac Diagnostics - 8000 Series Field Installed
GREENSTAR™ Parallel Tracking Identification
Parallel Tracking Diagnostics - 8000 Series Field Installed
GREENSTAR™ Display Diagnostics
GREENSTAR™ Mobile Processor Diagnostics
STARFIRE™ Receiver Diagnostics
GREENSTAR™ KeyCard Diagnostics
AutoTrac CAN Bus Identification
AutoTrac CAN Bus Diagnostics - 8000 Series Field Installed
AutoTrac CCD Bus Identification
AutoTrac CCD Bus Diagnostics - 8000 Series Field Installed
AutoTrac Power Identification
AutoTrac Power Diagnostics - 8000 Series Field Installed
AutoTrac Status Identification
AutoTrac Status Diagnostics - 8000 Series Field Installed
AutoTrac Steering Response Identification
AutoTrac Steering Response Diag. - 8000 Series Field Installed
AutoTrac Steering Control Unit Identification
AutoTrac Steering Control Unit Diag - 8000 Series Field Installed
STARFIRESTARFIRE is a trademark of Deere & Company Receiver w/TCM Diagnostics
STARFIRESTARFIRE is a trademark of Deere & Company Receiver w/TCM & RTK Diagnostics
Circuit Code Listing
Connector Information
AG MANAGEMENT SOLUTIONS (AMS) -FIELD DOC™
GREENSTAR™ FIELD DOC™ Diagnostics
GREENSTAR™ GPS Receiver Identification
GREENSTAR™ GPS Receiver - L-Band Diagnostics
POWER SHIFT TRANSMISSION
Operational Checks
Transmission Diagnosis
System Test (-019999)
System Test (020000-)
Calibration and Adjustments (-019999)
Calibration and Adjustments (020000-)
Power Shift Theory of Operation
DRIVE SYSTEMS
Theory of Operation
STEERING AND BRAKES
Operational Checks
Steering and Brake Diagnosis
Theory of Operation
AutoTrac
HYDRAULIC SYSTEM
Operational Checks
Hydraulic System Diagnosis
Hydraulic System Test
Calibration and Adjustments
Hydraulic System Theory of Operation
OPERATOR STATION OPERATION AND TESTS
Operational Checks
System Diagnosis
Theory of Operation
DEALER FABRICATED TOOLS
Dealer Fabricated Tools




