John Deere 824K Series II 4WD Loader Diagnostic Operation Test Manual TM13221X19
Language: English
Format: PDF
Document: Diagnostic Operation Test Manual
Machine: Loader
Machine Model: 824K-II (PIN: 1DW824K***C664100—; 1DW824K***D664100—)
Pages: 1458 Pages
Part Number: TM13221X19
Contents:
Foreword
Manual Identification-READ THIS FIRST!
General Information
Safety Information
Diagnostic Trouble Codes (DTCs)
Engine Control Unit (ECU) Diagnostic Trouble Codes
Transmission Control Unit (TCU) Diagnostic Trouble Codes
Vehicle Control Unit (VCU) Diagnostic Trouble Codes
Sealed Switch Module (SSM) Diagnostic Trouble Codes
Advanced Display Unit (ADU) Diagnostic Trouble Codes
Radar Object Detection (ROD) Diagnostic Trouble Codes
Ground Speed Radar (RDR) Diagnostic Trouble Codes
Joystick Steering Valve (JSV) Diagnostic Trouble Codes
Joystick Steering Controller (JSC) Diagnostic Trouble Codes
Tire Pressure Monitoring (TPM) System Diagnostic Trouble Codes
Operational Checkout Procedure
Operational Checkout Procedure
Engine
Theory of Operation
System Diagrams
Diagnostic Information
Test
Electrical System
Theory of Operation
System Diagrams
Diagnostic Information
Monitor Operation
Adjustments
Test
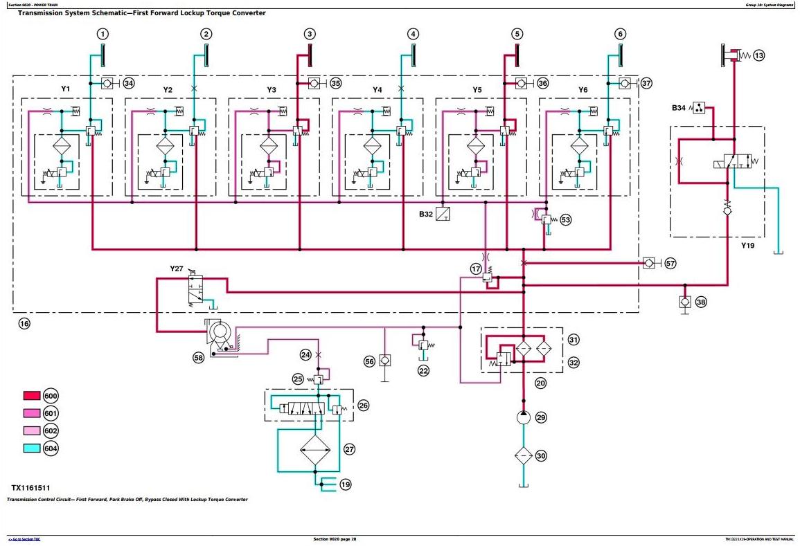
Power Train
Theory of Operation
System Diagrams
Diagnostic Information
Adjustments
Test
Hydraulic System
Theory of Operation
System Diagrams
Diagnostic Information
Adjustments
Test
Heating and Air Conditioning
Theory of Operation
System Diagrams
Diagnostic Information
Test




