John Deere 824K Series II 4WD Loader Repair Technical Manual TM13227X19
Language: English
Format: PDF
Document: Repair Technical Manual
Machine: Loader
Machine Model: 824K-II (PIN: 1DW824K***C664100—; 1DW824K***D664100—)
Pages: 543 Pages
Part Number: TM13227X19
Contents:
Foreword
Manual Identification-READ THIS FIRST!
Technical Information Feedback Form
General Information
Safety
Torque Values
Wheels
Powered Wheels and Fasteners
Axles and Suspension Systems
Removal and Installation
Input Drive Shafts and U-Joints
Axle Shaft, Bearings, and Reduction Gears
Hydraulic System
Transmission
Removal and Installation
Gears, Shafts, Bearings and Power Shift Clutch
Hydraulic System
Engine
Removal and Installation
Engine Auxiliary System
Cold Start Aids
Cooling Systems
Intake System
External Exhaust Systems
External Fuel Supply Systems
Damper Drive
Elements
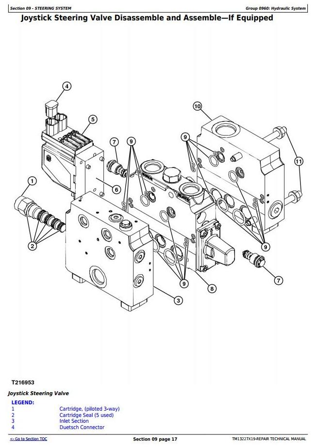
Steering System
Hydraulic System
Service Brakes
Active Elements
Hydraulic System
Park Brake
Active Elements
Equipment Attaching
Hitches and Hitch Pins
Electrical System
Removal and Installation
Frame or Supporting Structure
Frame Installation
Frame Bottom Guards
Chassis Weights
Operator`s Station
Removal and Installation
Operator Enclosure
Seat and Seat Belt
Heating and Air Conditioning
Sheet Metal and Styling
Hood or Engine Enclosure
Loader
Bucket
Frame
Hydraulic System
Dealer Fabricated Tools
Dealer Fabricated Tools




