John Deere 8320RT 8345RT 8370RT 8RT RW Tractor Repair Manual TM119319
Language: English
Format: PDF
Document: Repair Manual
Machine: Tractor
Machine Model: 8320RT, 8345RT, 8370RT (S.N.: 912001 -)
Pages: 1468 Pages
Part Number: TM119319
Contents:
Foreword
Dealer Predelivery Information Form
General Information
Safety
General References
Engine
Component Removal and Installation
Engine Repair
Fuel, Air Intake, Exhaust, and Cooling
Diesel Fuel System
Air Intake System
Auxiliary Drive System
Radiator and Coolers
Exhaust System
Electrical
Connectors
Charging Circuit
Starting Circuit
Relays, Fuses, Solenoids, and Switches
Monitoring System
CommandARM™
Implement and Accessory Connectors
Convenience and Accessory
Infinitely Variable Transmission (IVT™)
Component Removal and Installation
In Tractor Repair
Transmission Repair
Assemble Transmission
e23™ Transmission (e23™)
Component Removal and Installation
In Tractor Repair
Transmission Repair
Assemble Transmission
Drive Train
Component Removal and Installation
Rear Axle Assembly
Steering Gears
Final Drives
PTO
Mid-Frame Drive Shafts
Brakes
Service Brakes
Hydraulic Trailer Brakes
Steering
Steering Column
Steering Valves
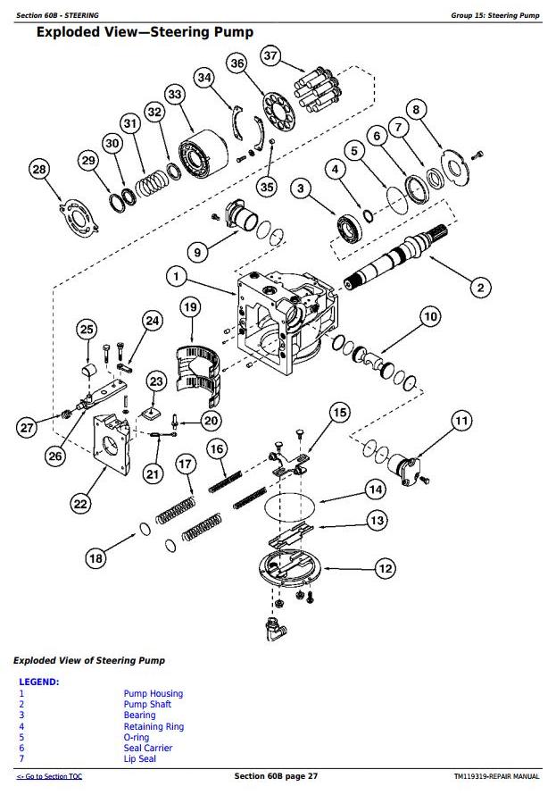
Steering Pump
Steering Motor
Hydraulics
Component Removal and Installation
Hydraulic System
Integrated Hydraulic Pump
Hitch Valve, Selective Control Valves, and Couplers
Rear Hitch
Miscellaneous
Hood and Side Panels
Platform Step Assembly
Track Frame and Components
Track
Tension Cylinder and Accumulator
Track Frame
Track Suspension
Cab and Open Operator’s Station
Component Removal and Installation
Heating, Ventilating, and Air Conditioning (HVAC)
ComfortCommand™ Seat
Cab Door and Windshield
Dealer Tools
Dealer Fabricated Tools




