John Deere 843K Wheeled Feller Buncher Diagnostic Operation Test Manual TM11362
Language: English
Format: PDF
Document: Diagnostic Operation Test Manual
Machine: Wheeled Feller Buncher
Machine Model: 843K
Pages: 714 Pages
Part Number: TM11362
Contents:
Foreword
General Information
Safety
Diagnostics
Engine Control Unit (ECU) Diagnostic Trouble Codes
Standard Display Monitor (SDM) Diagnostic Trouble Codes
Operational Checkout Procedure
Operational Checkout Procedure
Engine
Theory of Operation
Diagnostic Information
Test
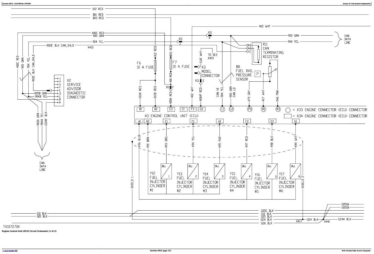
Electrical System
System Information
System Diagrams
Sub-System Diagnostics
Monitor Operation
References
Power Train
Theory of Operation
Diagnostic Information
Adjustments
Test
Hydraulic System
Theory of Operation
Diagnostic Information
Test
Heating and Air Conditioning
Theory of Operation
Diagnostic Information
Test




