John Deere 844K Series II 4WD Loader Diagnostic Operation Test Manual TM12117
Language: English
Format: PDF
Document: Diagnostic Operation Test Manual
Machine: Loader
Machine Model: 844K-II (PIN: 1DW844KZ**E645194—664097) (SN.E645194—664097) with Engine 6135HDW02 (iT4)
Pages: 1558 Pages
Part Number: TM12117
Contents:
Foreword
Manual Identification-READ THIS FIRST!
General Information
Safety
Diagnostic Trouble Codes (DTC)
Engine Control Unit (ECU) Diagnostic Trouble Codes
Transmission Control Unit (TCU) Diagnostic Trouble Codes
Vehicle Control Unit (VCU) Diagnostic Trouble Codes
Sealed Switch Module (SSM) Diagnostic Trouble Codes
Advanced Display Unit (ADU) Diagnostic Trouble Codes
Radar Object Detection (ROD) Diagnostic Trouble Codes
Ground Speed Radar (RDR) Diagnostic Trouble Codes
Joystick Steering Valve (JSV) Diagnostic Trouble Codes
Joystick Steering Controller (JSC) Diagnostic Trouble Codes
Tire Pressure Monitoring (TPM) System Diagnostic Trouble Codes
Operational Checkout Procedure
Operational Checkout Procedure
Engine
Theory of Operation
Diagnostic Information
Adjustments
Test
Electrical System
System Information
System Diagrams
Sub-System Diagnostics
Monitor Operation
References
Power Train
Theory of Operation
Diagnostic Information
Adjustments
Test
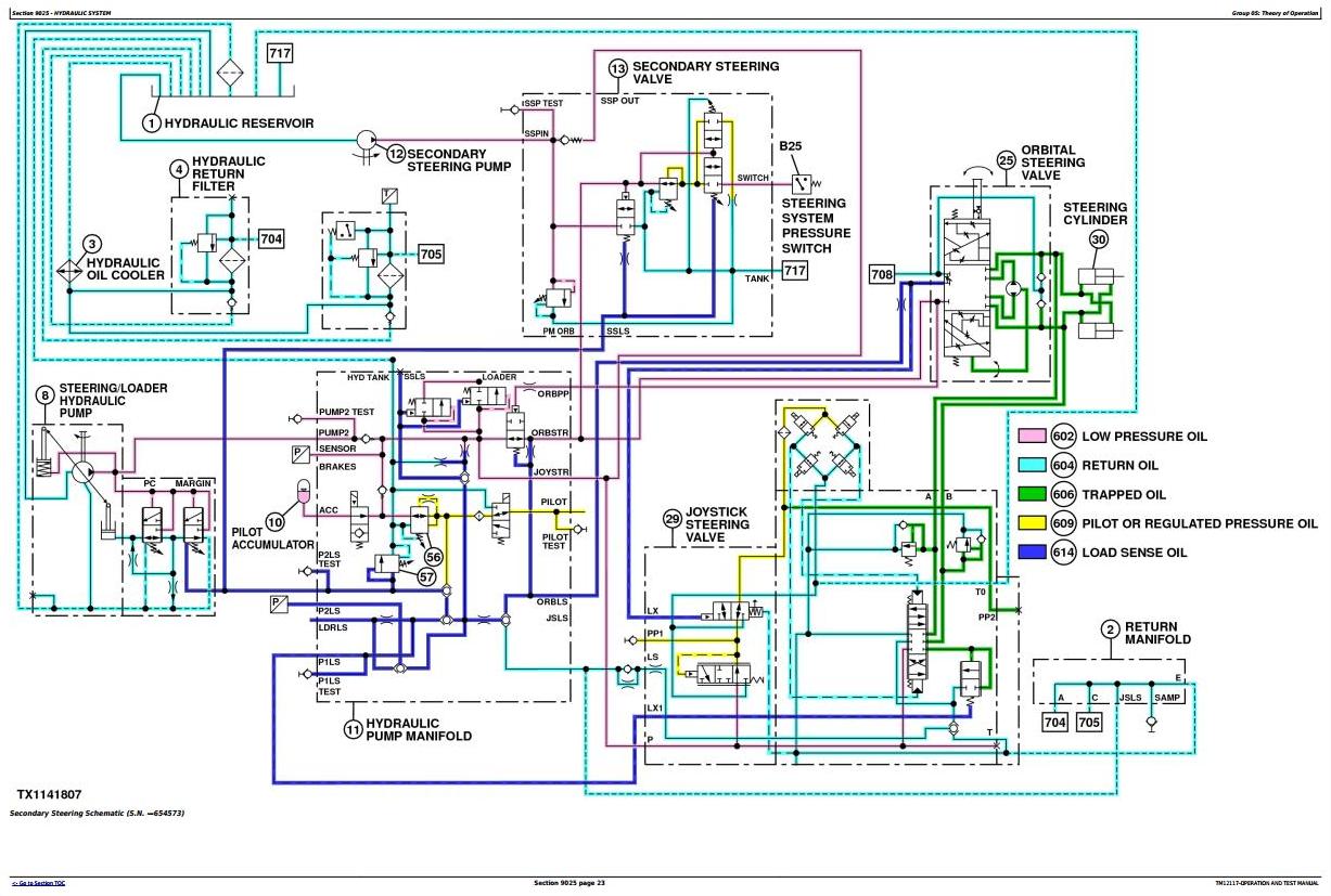
Hydraulic System
Theory of Operation
Diagnostic Information
Adjustments
Test
Heating and Air Conditioning
Theory of Operation
Diagnostic Information
Test




