John Deere 850J Crawler Dozer Diagnostic Operation Test Manual TM12322
Language: English
Format: PDF
Document: Diagnostic Operation Test Manual
Machine: Crawler Dozer
Machine Model: 850J with Engine 6068HT090
Pages: 594 Pages
Part Number: TM12322
Contents:
Foreword
Technical Information Feedback Form
General Information
Safety
Diagnostic Trouble Codes (DTCs)
Standard Display Monitor (SDM) Diagnostic Trouble Codes
Engine Control Unit (ECU) Diagnostic Trouble Codes
Transmission Control Unit (TCU) Diagnostic Trouble Codes
Operational Checkout Procedure
Operational Checkout Procedure
Engine
Theory of Operation
Diagnostic Information
Test
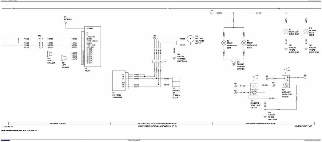
Electrical System
System Information
System Diagrams
Sub-System Diagnostics
Monitor Operation
References
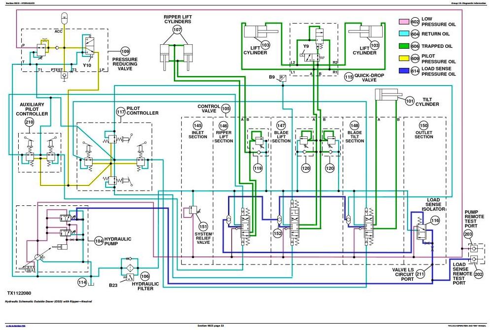
Hydraulics
Theory
Diagnostic Information
Test
Hydrostatic System
Theory of Operation
Diagnostic Information
Test
Heating and Air Conditioning
Theory of Operation
Diagnostic Information
Test




