John Deere 850J Crawler Dozer w Engine 6090HT001 Diagnostic Operation Test Manual TM1730
Language: English
Format: PDF
Document: Diagnostic Operation Test Manual
Machine: Crawler Dozer
Machine Model: 850J (S.N. 130886- )
Pages: 785 Pages
Part Number: TM1730
Contents:
Foreword
Technical Information Feedback Form
General Information
Safety
Diagnostic Trouble Codes (DTC)
CAN Monitor Unit (CMU) Diagnostic Trouble Codes
Engine Control Unit (ECU) Diagnostic Trouble Codes
Transmission Control Unit (TCU) Diagnostic Trouble Codes
Electro-Hydraulic Controller (EHC) Diagnostic Trouble Codes
Blade Control Joystick (BCJ) Diagnostic Trouble Codes
Operational Checkout Procedure
Operational Checkout Procedure
Engine
Theory of Operation
Diagnostic Information
Test
Electrical System
System Information
System Diagrams
Sub-System Diagnostics
References
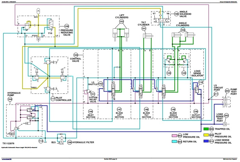
Hydraulics
Theory
Diagnostic Information
Test
Hydrostatic System
Theory of Operation
Diagnostic Information
Test
Heating and Air Conditioning
Theory of Operation
Diagnostic Information
Test




