John Deere 850J-II Crawler Dozer Operation Test Technical Manual TM14228X19
Language: English
Format: PDF
Document: Operation Test Technical Manual
Machine: Crawler Dozer
Machine Model: 850J-II (PIN: 1T0850JJ_ _C306799—354851)
Pages: 486 Pages
Part Number: TM14228X19
Contents:
Foreword
Technical Information Feedback Form
General Information
Safety
Diagnostic Trouble Codes (DTCs)
Standard Display Monitor (SDM) Diagnostic Trouble Codes
Engine Control Unit (ECU) Diagnostic Trouble Codes
Transmission Control Unit (TCU) Diagnostic Trouble Codes
Electro - Hydraulic Controller (EHC) Diagnostic Trouble Codes
Blade Control Joystick (BCJ) Diagnostic Trouble Codes
Operational Checkout Procedure
Operational Checkout Procedure
Engine
Theory of Operation
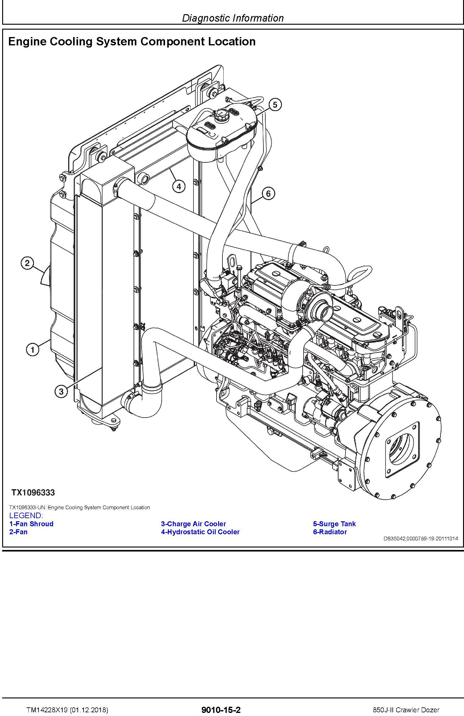
Diagnostic Information
Test
Electrical System
System Information
System Diagrams
Sub - System Diagnostics
Monitor Operation
Diagnostic Test Box
References
Hydraulics
Theory
Diagnostic Information
Test
Hydrostatic System
Theory of Operation
Diagnostic Information
Test
Heating and Air Conditioning
Theory of Operation
Diagnostic Information
Test




