John Deere 853J 903J 953J Tracked Feller Buncher Diagnostic Operation Test Manual TM10270
Language: English
Format: PDF
Document: Diagnostic Operation Test Manual
Machine: Tracked Feller Buncher
Machine Model: 853J, 903J, 953J
Pages: 749 Pages
Part Number: TM10270
Contents:
Foreword
General Information
Safety Information
General Specifications
Torque Values
Fuels and Lubricants
Inspection and Procedures
Operational Checkout Procedure
Operational Checkout Procedure
Engine
Theory of Operation
Electronic Fuel System Operation
Electronic Control System Operation
Diagnostic Information
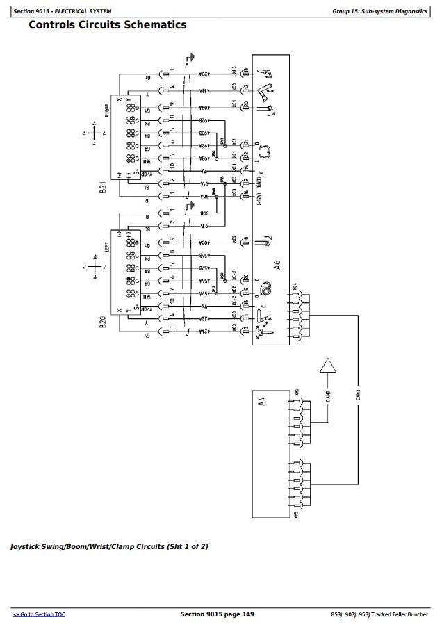
Electrical System
System Information
System Diagrams
Sub-system Diagnostics
References
Power Train
Theory of Operation
Diagnostic Information
Adjustments
Test
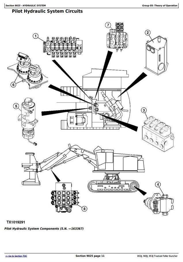
Hydraulic System
Theory of Operation
Operational Checkout
Diagnostic Information
Adjustments
Test
Heating and Air Conditioning
Theory of Operation
Diagnostic Information




