John Deere 853J 903J 953J Tracked Feller Buncher Repair Technical Manual TM10271
Language: English
Format: PDF
Document: Repair Technical Manual
Machine: Tracked Feller Buncher
Machine Model: 853J, 903J, 953J
Pages: 362 Pages
Part Number: TM10271
Contents:
Foreword
General Information
Safety Information
General Specifications
Torque Values
Fuels and Lubricants
Inspection and Procedures
Track Drive
Track System
Track Wear Limits and Replacement
Engine
Removal and Installation
Oiling System
Fuel System
Starter Motor
Alternator
Engine Auxiliary Systems
Cooling System
Radiator and Fan Shroud
Air Intake System
Exhaust System
Engine Mounts
Fuel Tank
Engine Wiring Harness
Frame
Frame Installation
Chassis Weights
Frame Hydraulics
Operator`s Station
Cab
Heating and Air Conditioning
Sheet Metal and Styling
Engine Enclosure
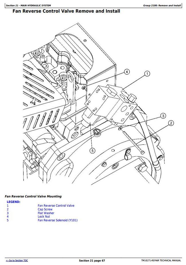
Main Hydraulic System
Remove and Install
Hydraulic System
Control Valves
Hydraulic Reservoir, Filters and Cooler
Cylinders
Booms
Remove and Install
Hydraulic Cylinders
Swing System
Remove and Install
Swing Gearbox
Swing Bearing
Dealer Fabricated Tools
Dealer Fabricated Tools




