John Deere 85D Excavator Diagnostic Technical Manual TM10754
Language: English
Format: PDF
Document: Diagnostic Technical Manual
Machine: Excavator
Machine Model: 85D
Pages: 719 Pages
Part Number: TM10754
Contents:
Foreword
Technical Information Feedback Form
General Information
Safety
Diagnostics
Main Controller (MCF) Diagnostic Trouble Codes
Engine Control Module (ECF) Diagnostic Trouble Codes
Information Controller (ICF) Diagnostic Trouble Codes
Air Conditioner Controller (ACF) Diagnostic Trouble Codes
Monitor Controller (MON) Diagnostic Trouble Codes
Operational Checkout Procedure
Operational Checkout Procedure
Engine
Theory of Operation
Diagnostic Information
Test
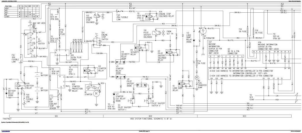
Electrical System
System Information
System Diagrams
Sub-System Diagnostics
Monitor Operation
References
Power Train
Theory of Operation
Diagnostic Information
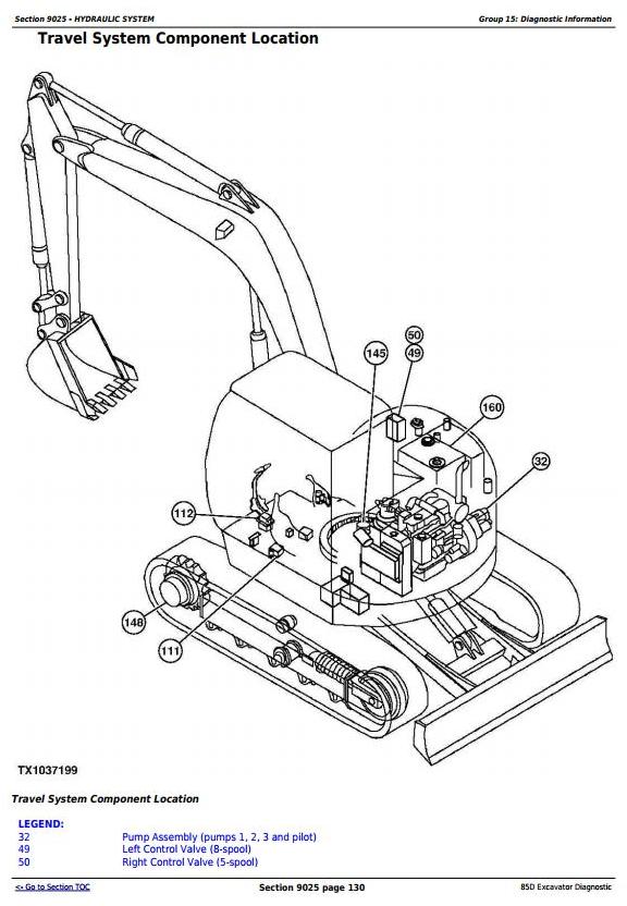
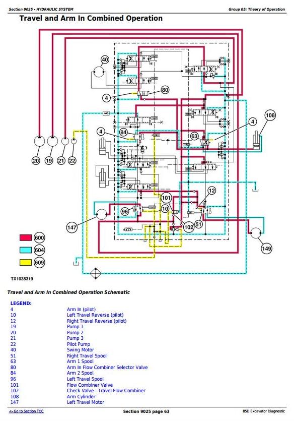
Hydraulic System
Theory of Operation
Diagnostic Information
Test
Heating and Air Conditioning
Theory of Operation
Diagnostic Information
Test
Reference Material
Terminology Cross Reference Chart




