John Deere 870G 870GP 872G 872GP Grader Operation Test Manual TM13028X19
Language: English
Format: PDF
Document: Operation Test Manual
Machine: Grader
Machine Model: 870G (PIN: 1DW870G***F656526-678817), 870GP (PIN: 1DW870G***F656526-678817), 872G (PIN: 1DW872G***F656526-678817), 872GP (PIN: 1DW872G***F656526-678817)
Pages: 1540 Pages
Part Number: TM13028X19
Contents:
Foreword
Manual Identification-READ THIS FIRST!
General Information
Safety
Diagnostics
TCU Diagnostic Trouble Codes
ECU Diagnostic Trouble Codes
ADU Diagnostic Trouble Codes
FLC Diagnostic Trouble Codes
HVC Diagnostic Trouble Codes
AVC Diagnostic Trouble Codes
OC3 Diagnostic Trouble Codes
HWD Diagnostic Trouble Codes
LJ1 Diagnostic Trouble Codes
LJ2 Diagnostic Trouble Codes
LJ3 Diagnostic Trouble Codes
LJ4 Diagnostic Trouble Codes
RJ1 Diagnostic Trouble Codes
RJ2 Diagnostic Trouble Codes
RJ3 Diagnostic Trouble Codes
RJ4 Diagnostic Trouble Codes
VC2 Diagnostic Trouble Codes
Operational Checkout Procedure
Operational Checkout Procedure
Engine
Theory of Operation
Diagnostic Information
Adjustments
Test
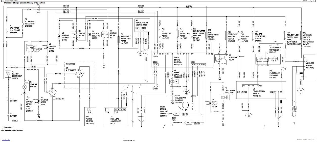
Electrical System
System Information
System Diagrams
Sub-System Diagnostics
Monitor Operation
Diagnostic Test Box
References
Six Wheel Drive (6WD)
Theory of Operation
Diagnostic Information
Adjustments
Test
Power Train
Theory of Operation
Diagnostic Information
Test
Hydraulic System
Theory of Operation
Diagnostic Information
Test
Heating and Air Conditioning
Theory of Operation
Diagnostic Information
Test




