John Deere 903KH 909KH Tracked Harvester Repair Technical Manual TM11626
Language: English
Format: PDF
Document: Repair Technical Manual
Machine: Tracked Harvester
Machine Model: 903KH, 909KH
Pages: 413 Pages
Part Number: TM11626
Contents:
Foreword
Technical Information Feedback Form
General Information
Safety
Torque Values
Tracks
Track System
Track Frame
Axles and Suspension Systems
Axle Shaft, Bearings, and Reduction Gears
Hydraulic System
Engine
Removal and Installation
Engine Auxiliary System
Cooling System
Intake System
Exhaust System
Engine Mounts
External Fuel Supply System
Frame or Supporting Structure
Frame Installation
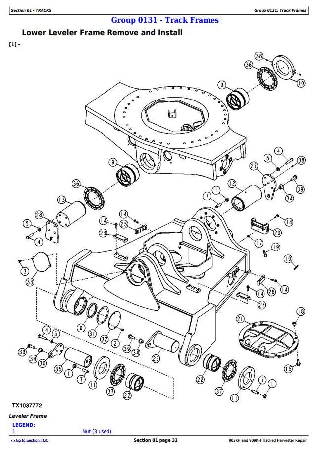
Leveler Frame
Chassis Weights
Operator`s Station
Removal and Installation
Operator`s Enclosure
Seat
Heating and Air Conditioning
Sheet Metal and Styling
Hood or Engine Enclosure
Main Hydraulic System
Remove and Install
Hydraulic System
Hoist and Stick
Frame
Hydraulic System
Swing or Pivoting System
Remove and Install
Swing Brake
Swing Drive Gearbox and Bearing
Hydraulic System
Dealer Fabricated Tools
Dealer Fabricated Tools




