John Deere 909J 959J Traked Feller Buncher Diagnostic Operation Test Manual TM10272
Language: English
Format: PDF
Document: Diagnostic Operation Test Manual
Machine: Traked Feller Buncher
Machine Model: 909J, 959J
Pages: 749 Pages
Part Number: TM10272
Contents:
Foreword
General Information
Safety Information
General Specifications
Torque Values
Fuels and Lubricants
Inspection and Procedures
Operational Checkout Procedure
Operational Checkout Procedure
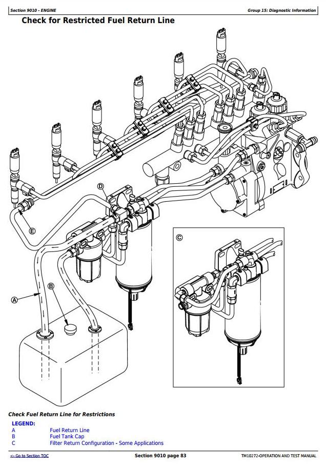
Engine
Theory of Operation
Diagnostic Information
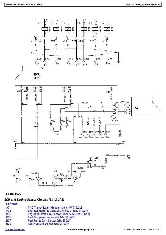
Electrical System
System Information
System Diagrams
Sub-system Diagnostics
References
Power Train
Theory of Operation
Diagnostic Information
Adjustments
Test
Hydraulic System




