John Deere 9100 9200 9300 9400 4WD Tractor Diagnosis Test Service Manual TM1624
Language: English
Format: PDF
Document: Diagnosis Test Service Manual
Machine: Tractor Diagnosis
Machine Model: 9100, 9200, 9300, 9400
Pages: 3305 Pages
Part Number: TM1624
Contents:
Foreword
SAFETY INFORMATION
Safety
GENERAL INFORMATION
Operational Checks
General Reference Information
Test Equipment Calibration
SERVICE CODES
ACU Code Diagnostics
CCU Code Diagnostics
ECU Code Diagnostics
HCU Code Diagnostics
ICU Code Diagnostics
JdL Code Diagnostics
PCU Code Diagnostics
SCO Code Diagnostics
SCU Code Diagnostics
SSU Code Diagnostics
SUP Code Diagnostics
TCU Code Diagnostics
OBSERVABLE SYMPTOMS
Electrical System
GREENSTARGREENSTAR is a trademark of Deere & CompanySYSTEM
Power Shift Transmission
PTO, Axles, and Differentials
Steering and Brakes
Hydraulics
Operator Station
ENGINE OPERATION AND TEST
General Information
System Diagnosis
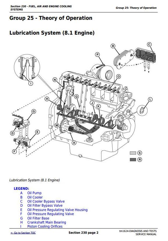
FUEL, AIR AND ENGINE COOLING SYSTEMS
Theory of Operation
ELECTRICAL OPERATION AND TESTS
Codes and Addresses
System Information
System Diagrams
Sub-System Diagnosis
Additional Sub-System Diagnosis
Calibration and References
246A AG MANAGEMENT SOLUTIONS (AMS) - GREENSTAR™
GSS
246B - AG MANAGEMENT SOLUTIONS (AMS) - JDLINK™
10A
10B
10C
15A
246C - AG MANAGEMENT SOLUTIONS (AMS) - AUTOTRAK™
How to Use This Diagnostic Information
Accessing Diagnostic Addresses and Codes
Diagnostic Trouble Codes
Diagnostic Addresses
AutoTrac Identification
AutoTrac Diagnostics - 9000 Series Field Installed
GREENSTAR™ Parallel Tracking Identification
Parallel Tracking Diagnostics - 9000 Series Field Installed
GREENSTAR™ Display Diagnostics
GREENSTAR™ Mobile Processor Diagnostics
STARFIRE™ Receiver Diagnostics
GREENSTAR™ KeyCard Diagnostics
AutoTrac CAN Bus Identification
AutoTrac CAN Bus Diagnostics - 9000 Field Installed
AutoTrac CCD Bus Identification
AutoTrac CCD Bus Diagnostics - 9000 Series Field Installed
AutoTrac Power Identification
AutoTrac Power Diagnostics - 9000 Series Field Installed
AutoTrac Status Identification
AutoTrac Status Diagnostics - 9000 Series Field Installed
AutoTrac Steering Response Identification
AutoTrac Steering Response Diag. - 9000 Series Field Installed
AutoTrac Steering Control Unit Identification
Steering Control Unit Diag - 9000 Series Field Installed
GREENSTARGREENSTAR is a trademark of Deere & CompanyGPS STARFIRESTARFIRE is a trademark of Deere & CompanyReceiver w/TCM
Circuit Code Listing
Connector Information
246D - AG MANAGEMENT SOLUTIONS (AMS) - FIELD DOC™
15A - GREEENSTAR™ FIELDDOC™ Type A Diagnostics
15B - GREENSTAR™ GPS Receiver Identification
15C - GREENSTAR™ GPS Receiver - L-Band Diagnostics
MANUAL SHIFT TRANSMISSION (12 AND 24 SPEED)
MST Transmission Diagnosis
Theory of Operation
POWER SHIFT TRANSMISSION
Operational Checks
Power Shift Transmission System Diagnosis
TCU Electronic Test Mode Troubleshooting
Power Shift Theory of Operation
PTO, AXLES AND DIFFERENTIALS
System Diagnosis
Theory of Operation
STEERING AND BRAKES
Diagnosis
System Test
Calibration and References
Theory of Operation
HYDRAULIC SYSTEM
System Diagnosis
System Test
Calibration and Adjustments
Theory of Operation
OPERATOR STATION OPERATION AND TESTS
Operational Checks
System Diagnosis
Theory of Operation
DEALER FABRICATED TOOLS
Dealer Fabricated Tools
Test Kits




