John Deere 9320T 9420T 9520T 9620T Tractor Diagnosis Test Service Manual TM1982
Language: English
Format: PDF
Document: Diagnosis Test Service Manual
Machine: Tractor
Machine Model: 9320T, 9420T, 9520T, 9620T
Pages: 2884 Pages
Part Number: TM1982
Contents:
Foreword
GENERAL
Safety
General Specifications
General References
SERVICE CODES
ACU Code Diagnostics
AMS Code Diagnostics
ATC Code Diagnostics
CCU Code Diagnostics
ECU Code Diagnostics
HCU Code Diagnostics
ICU Code Diagnostics
JDL Code Diagnostics
PCU Code Diagnostics
SCo Code Diagnostics
SCU Code Diagnostics
SSU Code Diagnostics
SUP Code Diagnostics
OBSERVABLE SYMPTOMS
Axles
Brakes
Electrical
Ag Management Solutions (AMS)
Hitch
Heating, Ventilation, and Air Conditioning (Standard)
Heating, Ventilation and Air Conditioning - CLIMATRAK™ (ATC) (-901999)
Heating, Ventilation and Air Conditioning - CLIMATRAK™ (ATC) (902001-)
Operator Station
PowerShift Transmission
Power Take-Off
Selective Control Valve
Steering
Manual Shift Transmission
SYSTEM DIAGNOSIS
Powershift Transmission
Manual Shift Transmission
Steering and Brakes
ATC System (902001-)
ENGINE
Operational Checks
Test and Adjustments
Theory of Operation
FUEL AND AIR
Theory of Operation
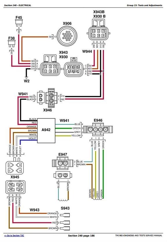
ELECTRICAL
Test and Adjustments
Theory of Operation
Schematics and Diagrams
CONTROL UNITS
Codes and Addresses
ACU References
ATC References
CCU References
ECU References
HCU References
ICU References
PCU References
PrF References
SCo References
SCU References
SSU References
SUP References
AG MANAGEMENT SOLUTIONS (AMS) - GREENSTAR™
GREENSTAR™ System References
AG MANAGEMENT SOLUTIONS (AMS) - JDLINK™
Accessing Diagnostic Codes and Addresses
Diagnostic Trouble Codes
Diagnostic Addresses
JDLINK™ Machine Messenger Diagnostics
AG MANAGEMENT SOLUTIONS (AMS)- AUTOTRAC
How to Use This Diagnostic Information
Accessing Diagnostic Addresses and Codes
Diagnostic Trouble Codes
Diagnostic Addresses
AutoTrac Identification
AutoTrac Diagnostics - 9000 Series Factory Installed
AutoTrac Diagnostics - 9000 Series Field Installed
GREENSTAR™ Parallel Tracking Identification
Parallel Tracking Diagnostics - 9000 Series Factory Installed
Parallel Tracking Diagnostics - 9000 Series Field Installed
GREENSTAR™ Display Diagnostics
GREENSTAR™ Mobile Processor Diagnostics
STARFIRE™ Receiver Diagnostics
GREENSTAR™ KeyCard Diagnostics
AutoTrac CAN Bus Identification
AutoTrac CAN Bus Diagnostics - 9000 Series Factory Installed
AutoTrac CAN Bus Diagnostics - 9000 Field Installed
AutoTrac CCD Bus Identification
AutoTrac CCD Bus Diagnostics - 9000 Series Factory Installed
AutoTrac CCD Bus Diagnostics - 9000 Series Field Installed
AutoTrac Power Identification
AutoTrac Power Diagnostics - 9000 Series Factory Installed
AutoTrac Power Diagnostics - 9000 Series Field Installed
AutoTrac Status Identification
AutoTrac Status Diagnostics - 9000 Series Factory Installed
AutoTrac Status Diagnostics - 9000 Series Field Installed
AutoTrac Steering Response Identification
AutoTrac Steering Response Diag. - 9000 Series Factory Installed
AutoTrac Steering Response Diag. - 9000 Series Field Installed
AutoTrac Steering Control Unit Identification
AutoTrac Steering Control Unit Diag - 9000 Series Factory Installed
Steering Control Unit Diag - 9000 Series Field Installed
Circuit Code Listing
Connector Information
AG MANAGEMENT SOLUTIONS (AMS)- FIELD DOC™
GPS Position and STARFIRE Receiver Operation and Test
FIELD DOC Basic Operation and Test
POWERSHIFT TRANSMISSION
Preliminary Checks
Operational Checks
Test and Adjustments
Theory of Operation
Schematics and Diagrams
MANUAL SHIFT TRANSMISSION
Preliminary Checks
Operational Checks
Test and Adjustments
Theory of Operation
Schematics and Diagrams
DRIVE SYSTEMS
Operational Checks
Test and Adjustments
Theory of Operation
Schematics and Diagrams
STEERING AND BRAKES
Preliminary Checks
Operational Checks
Test and Adjustments
Theory of Operation
Schematics and Diagrams
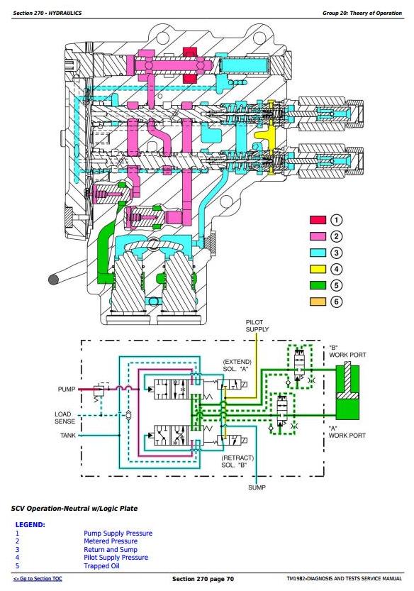
HYDRAULICS
Operational Checks
Test and Adjustments
Theory of Operation
Schematics and Diagrams
OPERATOR STATION
Preliminary Checks
Operational Checks
Test and Adjustments
Theory of Operation
Schematics and Diagrams
TOOLS
Fabricated Tools
Test Kits




