John Deere 9460RT 9510RT 9560RT Tractor Operation Test Service Manual TM110819
Language: English
Format: ZIP, contained: PDF Manual, 4701 Pages, `VIDEO` folder. To view 3D animation you need to unpack PDF files and `VIDEO` folder in same folder on your harddrive. Also you need installed CATIA Composer Player, link to installer is included into PDF.
Document: Operation Test Service Manual
Machine: Tractor
Machine Model: 9460RT, 9510RT, 9560RT
Part Number: TM110819
Contents:
Foreword
GENERAL INFORMATION
Safety
General References
DIAGNOSTIC TROUBLE CODES
Armrest Interface Control Software (AIC)
Automatic Temperature Control Software (ATC)
Chassis Control Software (CCU)
Cab Load Center Software (CLC)
Cab Switch Module Software (CSM)
Engine Control Software (ECU)
Engine Interface Control Software (EIC)
Front Console Control Software (FCC)
Hitch Control Software (HCC)
Hitch Valve Control Software (HV1)
JDLink™ (JDL) Software
Operator Interface Control Software (OIC)
Primary Display Software (PDU)
Powershift Transmission Control Software (PTP)
Roof Lighting Control Software (RLC)
Rear PTO Control Software (RPT)
SCV Control Software (SCC)
Tracks Suspension Steering Control Software (SFA)
Sequence Control Software (SMV)
SCV I Control Software (SV1)
SCV II Control Software (SV2)
SCV III Control Software (SV3)
SCV IV Control Software (SV4)
SV5-SCV V Control Software (SV5)
SCV VI Control Software (SV6)
Tractor Equipment Interface Control Software (TEC/TEI)
Shift Control Software (TIP)
Tracks Steering System A-Box Main Control Software (TMA)
Tracks Steering System B-Box Main Control Software (TMB)
Tracks Steering System A-Box Supervisor Control Software (TSA)
Tracks Steering System B-Box Supervisor Control Software (TSB)
Vehicle Load Center Control Software (VLC)
Virtual Terminal Implement Control Software (VTI)
Virtual Terminal Implement Control Software (VTV)
OBSERVABLE SYMPTOMS AND SYSTEM DIAGNOSIS
General Information
Electrical System
CAN Control Units
Powershift Transmission (PST)
Drive Systems
Brake Systems
Steering System
Hydraulic System
Suspension Systems
Operator Station
ENGINES
General Information
Theory of Operation
Test and Adjustments
FUEL, AIR INTAKE, EXHAUST, AND COOLING SYSTEMS
General Information
Fuel System Theory of Operation
Air Intake and Exhaust System Theory of Operation
Cooling System Theory of Operation
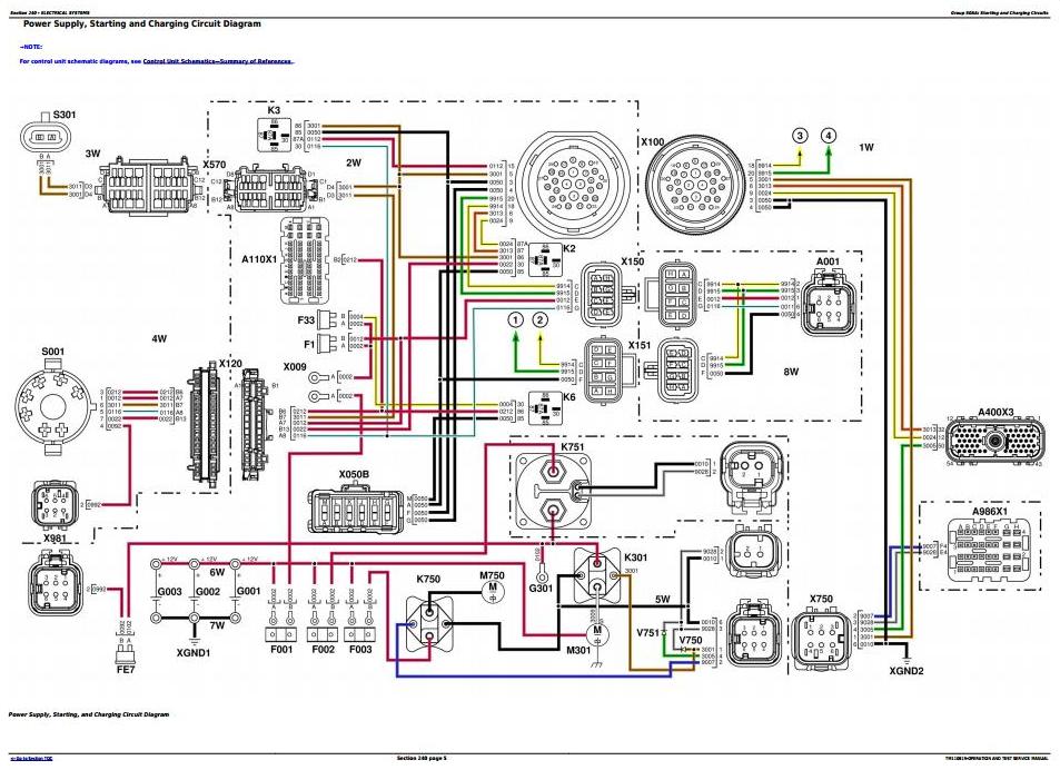
ELECTRICAL SYSTEMS
General Information
Schematics and Diagrams
Starting and Charging Circuits
Road Lighting
Field Lighting
Interior Lighting
Standard and Heated Seat
Audible Alerts
Windshield Wipers
Operator Displays
Cab Switch Module
Remote Mirrors
Radio
Accessory Power Connectors
PowerShift Transmission (PST)
Rear PTO
Engines
GreenStar™
JDLink™
Rear SCV’s and Rear Hitch
Tracks Suspension
Tracks Braking
HVAC (Manual)
HVAC (ATC)
Tracks Steering
Controller Area Network (CAN)
ELECTRONIC CONTROL UNITS AND ADDRESSES
General Information
Calibration Procedures
Control Unit Theory of Operation
Control Unit Schematics
Armrest Control Unit Test
Automatic Temperature Control Unit Test
Cab Control Unit Test
Cab Switch Module Control Unit (CSM) Test
CommandCenter™ Control Unit Test
Corner Post Display Control Unit Test
Engine Control Unit (ECU) Test
Rear Chassis Control Unit Test
Roof Control Unit Test
Tracks Steering Control Unit Test
Armrest Interface Control Unit (AIC)
Automatic Temperature Control Unit (ATC)
Chassis Control Unit (CCU)
Cab Load Center Unit (CLC)
Cab Switch Module Control Software (CSM)
Engine Control Unit (ECU)
Engine Interface Control Unit (EIC)
Front Console Control Unit (FCC)
Hitch Control Software (HCC)
Hitch Valve Control Software (HV1)
JDLink™ (JDL)
Operator Interface Control Unit (OIC)
Primary Display Software (PDU)
Powershift Transmission Control Unit (PTP)
Roof Lighting Control Unit (RLC)
Rear PTO (RPT)
SCV Control Software (SCC)
Tracks Suspension Steering Control Unit (SFA)
Sequence Control Unit (SMV)
SCV I Control Software (SV1)
SCV II Control Software (SV2)
SCV III Control Software (SV3)
SCV IV Control Software (SV4)
SCV V Control Software (SV5)
SCV VI Control Software (SV6)
Tractor Equipment Interface Control Software (TEC/TEI)
Shift Control Software (TIP)
Tracks Steering System A-Box Main Control Software (TMA)
Tracks Steering System B-Box Main Control Software (TMB)
Tracks Steering System A-Box Supervisor Control Software (TSA)
Tracks Steering System B-Box Supervisor Control Software (TSB)
Vehicle Load Center Control Software (VLC)
Virtual Terminal Implement Control Software (VTI)
Virtual Terminal Vehicle Control Software (VTV)
ELECTRICAL COMPONENT INFORMATION
Electrical Assemblies
Sensors
Lights
Fuses
Charging System Components
Monitoring Devices
Relays
Motors
Resistors
Switches
Diodes
Wiring Harnesses
Interconnects and Ground Points
Electronically Actuated Mechanical Devices
POWERSHIFT TRANSMISSION (PST)
General Information
Powershift Transmission (PST) Preliminary and Operational Checks
Powershift Transmission (PST) Theory of Operation
Powershift Transmission (PST) Schematics and Diagrams
Powershift Transmission (PST) Diagnostic Test and Adjustments
DRIVE TRAIN SYSTEMS
General Information
Rear Axle-Operational Checks
Rear Axle-Theory of Operation
Rear Axle-Schematics
Rear Axle-Diagnostic Test and Adjustments
PTO-Operational Checks
PTO-Theory of Operation
PTO-Schematics
PTO-Diagnostic Test and Adjustments
DRIVE TRAIN SYSTEM COMPONENT INFORMATION
General Information
Axle Component Information
PTO Component Information
BRAKES
General References
Preliminary and Operational Checks
Theory of Operation
Schematics and Diagrams
Test and Adjustments
STEERING
General Information
Steering Operational Checks
Steering Theory of Operation
Steering Schematics
Steering Test and Adjustments
STEERING AND BRAKE SYSTEM COMPONENT INFORMATION
General Information
Brakes Component Information
Steering Component Information
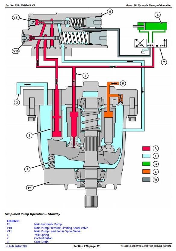
HYDRAULICS
General Information
Hydraulic Operational Checks
Hydraulic Theory of Operation
Hydraulic Schematics
Hydraulic Test and Adjustments
HYDRAULIC SYSTEM COMPONENT INFORMATION
General Information
Hydraulic Component Information
SUSPENSION SYSTEMS
General References
SFA Preliminary Checks
SFA Theory of Operation
SFA Schematics and Diagrams
SFA Diagnostic Test and Adjustments
SUSPENSION SYSTEM COMPONENT INFORMATION
General References
Suspension System Component Information
OPERATOR STATION
General Information
HVAC Operational Checks
HVAC Theory of Operation
HVAC Diagnostic Test and Adjustments
Seat Operational Checks
Seat Theory of Operation
Seat Schematics
OPERATOR STATION COMPONENT INFORMATION
General Information
HVAC Component Information
Seat Component Information
SERVICE TOOLS AND INSTALLING TEST EQUIPMENT
General Information
Dealer Fabricated Tools
Service Tools and Kits
Electrical-Install Test Equipment
PowerShift Transmission-Install Test Equipment
Drive Systems-Install Test Equipment
Brake-Install Test Equipment
Steering-Install Test Equipment
Hydraulics-Install Test Equipment
Operator Station-Install Test Equipment




