John Deere 9470STS 9570STS 9670STS 9770STS Combine Repair Manual TM800219
Language: English
Format: PDF
Document: Repair Manual
Machine: Combine
Machine Model: 9470 STS, 9570 STS, 9670 STS, 9770 STS South America
Pages: 1628 Pages
Part Number: TM800219
Contents:
Foreword
General
Safety
Specifications
Tune-Up and Adjustment
Fuels And Lubricants
Engine
Remove And Install Engine
Cooling System
Fuel And Air Repair
Air Intake System
Diesel Fuel System
Electrical System
Batteries
Harness And Connector Repair
Wire Harness Routing
Power Distribution
Lighting
Operators Station
Sensors And Switches
Wiper
Alternator
Starting Motor
GreenStar Components
Power Train Repair
Transmission And Differential-Three Speed Transmission
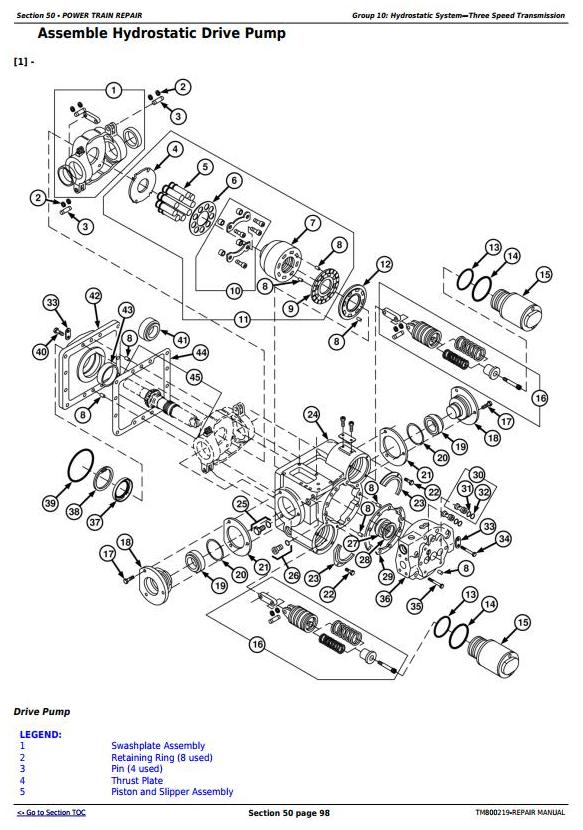
Hydrostatic System-Three Speed Transmission
Single Reduction Final Drive-Heavy Duty
Cam Lobe Motor
Tires And Wheels
Power Steering And Brakes
Steering
Brakes
Hydraulic Repair
Hydraulic Reservoir
Hydraulic Pumps
Hydraulic Valves
Hydraulic Cylinders
Motors
Accumulator
Separator Shell
Gull Wing Doors
Operator Station Repair
Air Conditioning System (R134a)
System Components
Cab
Feeder House Repair
Conveyor
Top Shaft And Slip Clutch
Feeder House Drives And Reverser Gear Case
Lateral Tilt Cylinder
Lateral Tilt Frame
Separator
Separator Repair
Separator Drives
Residue Disposal
Conveyor Augers, Cleaning Fan And Chaffer And Sieve Frame
Tailings Elevator And Augers
Primary Countershaft Gear Case
Header Electromagnetic Clutch
Grain Tank And Unloading System Repair
Grain Tank Cross Augers
Unloading Auger System Drives
Vertical Unloading Auger And Lower Gear Case
Horizontal Unloading Auger And Gear Case
Clean Grain Elevator
Grain Tank And Extensions
Engine Gear Case And Control Valve Repair
Engine Gear Case And Valve
Dealer Fabricated Tools
Dealer Fabricated Tools




