John Deere 950J Crawler Dozer Diagnostic Operation Test Manual TM2363
Language: English
Format: PDF
Document: Diagnostic Operation Test Manual
Machine: Crawler Dozer
Machine Model: 950J
Pages: 1071 Pages
Part Number: TM2363
Contents:
Foreword
General Information
Safety
Diagnostic Trouble Codes (DTCs)
Transmission Control Unit (TCU) Diagnostic Trouble Codes
Engine Control Unit (ECU) Diagnostic Trouble Codes
Operational Checkout Procedure
Operational Checkout Procedure
Engine
Theory of Operation
Diagnostic Information
Adjustments
Test
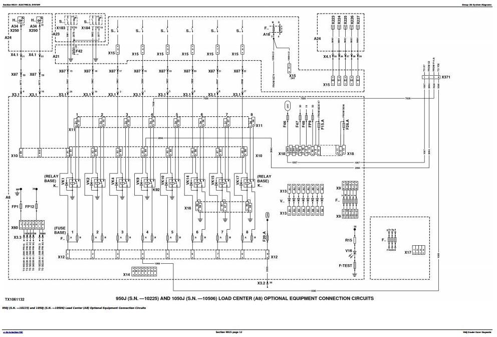
Electrical System
System Information
System Diagrams
Sub-System Diagnostics
LinDiag® Diagnostic Application
DcDesk™ Diagnostic Application
References
Power Train
Theory of Operation
Diagnostic Information
Pneumatic System
Theory of Operation
Diagnostic Information
Hydraulic System
Theory of Operation
Diagnostic Information
Test
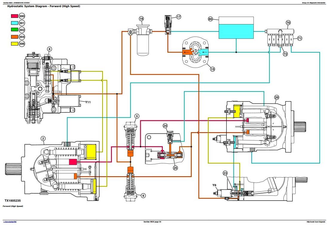
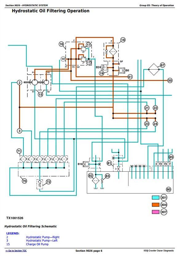
Hydrostatic System
Theory of Operation
Diagnostic Information
Adjustments
Test
Heating and Air Conditioning
Theory of Operation
Diagnostic Information
Test
Dealer Fabricated Tools
Dealer Fabricated Tools




