John Deere 9560 9660 Combine Diagnosis Operation Test Manual TM2162
Language: English
Format: PDF
Document: Operation Test Manual
Machine: Combine
Machine Model: 9560, 9660 (705201-)
Pages: 3654 Pages
Part Number: TM2162
Contents:
Foreword
General
Safety
Combine and Component Identification
General Specifications
Diagnostic and Testing Procedures
Diagnostic Trouble Codes
Accessing Diagnostic Trouble Codes and Addresses
A00 - Engine Control Unit Diagnostic Trouble Codes
C00 - Armrest Control Unit Diagnostic Trouble Codes
C03 - Cornerpost Control Unit Diagnostic Trouble Codes
Calibration Error Codes
E00 - Tailings Master Sensor Diagnostic Trouble Codes
E01 - Header Control Unit Diagnostic Trouble Codes
E02 - Right Control Unit Diagnostic Trouble Codes
E03 - Left Control Unit Diagnostic Trouble Codes
E15 - Control Unit E15 Diagnostic Trouble Codes
ECU - Engine Control Unit Diagnostic Trouble Codes
GREENSTAR Display Warning Messages and Fault Codes
GREENSTAR Data Card Warning Messages
GREENSTAR Mobile Processor Warning Messages
GREENSTAR Moisture Sensor Diagnostic Trouble Codes
HARVEST DOC Warning Messages
Control Unit SSU Last Exit Codes
Control Unit SSU Diagnostic Trouble Codes
STARFIRE iTC Diagnostic Trouble Codes
STARFIRE Receiver Warning Messages
Terrain Compensation Module Fault Codes
UIM - External Display Codes
VTi - GREENSTAR Display 2100/2600
Observable Symptoms
Engine System
Air Intake and Cooling Systems
Electrical
Power Train System
Four Wheel Drive System
Brake System
Hydraulic System
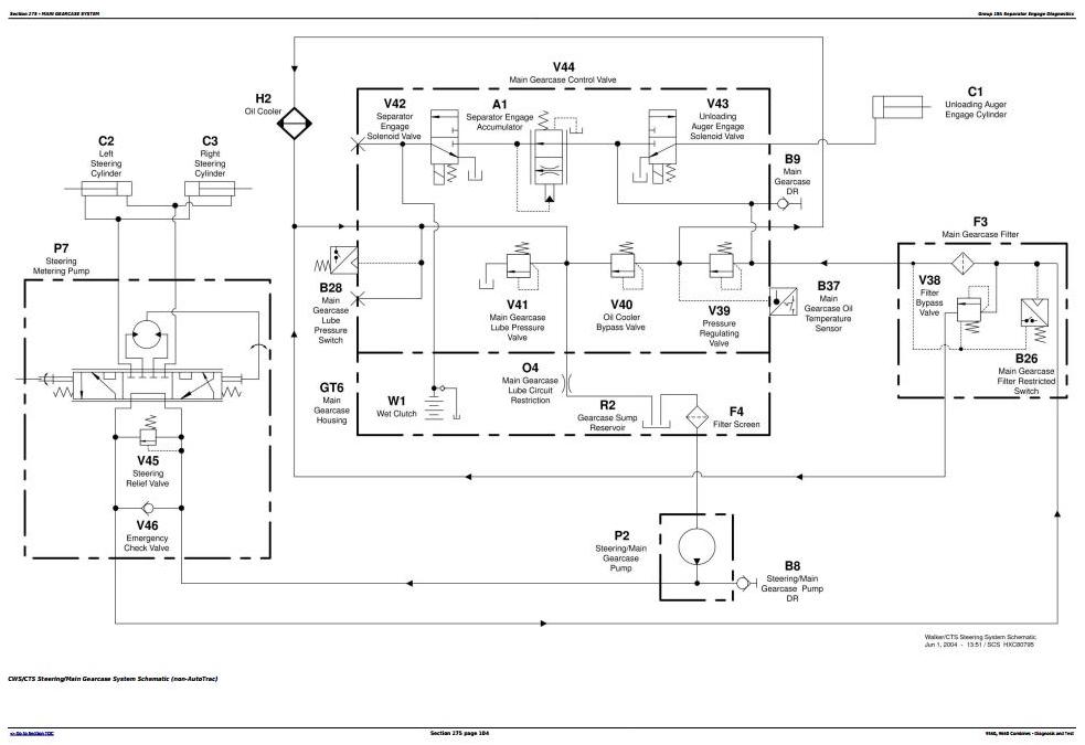
Main Gearcase System
Steering System
CLIMATRAK System
Separator System
Engine System
General Information
Test Procedures and Adjustments
Engine Type Identification
Engine Diagnostics - Type A
Engine Diagnostics - Type B
Component Identification and Location
Air Intake and Cooling Systems
General Information
Test Procedures and Adjustments
Air Intake System Diagnostics
Engine Cooling Package Diagnostics
Component Identification and Location
Electrical System
How To Use This Diagnostic Information
Accessing Diagnostic Trouble Codes and Addresses
Calibration Procedures
Diagnostic Trouble Codes, Warning Messages and Fault Codes
Diagnostic Addresses By Controller
Machine Setting Addresses
Active Header Height Control Diagnostics - Type Identification
Active Header Height Control Diagnostics - Type A
Active Header Height Control Diagnostics - Type B
Active Header Height Control Diagnostics - Type C
Active Header Height Control Diagnostics - Type D
Alternator Type Identification
Alternator and Battery Diagnostics - Type A
Alternator and Battery Diagnostics - Type B
Armrest Control Unit - Overall Diagnostics
Auxiliary Power Strip Outlet Diagnostics
Backup Alarm Diagnostics
CAN Bus Type Identification
CAN Bus 1 Diagnostics - Type A
CAN Bus 1 Diagnostics - Type B
CAN Bus 2 Diagnostics
Cleaning Fan Speed Adjust Diagnostics
CLIMATRAK iagnostics
COMFORT COMMAND eat Diagnostics
CONTOUR MASTER Automatic Tilt Diagnostics
CONTOUR MASTER Manual Tilt Diagnostics
Control Unit E15 - Overall Diagnostics
Control Unit SSU - Overall Diagnostics
Cornerpost Control Unit - Overall Diagnostics
Cornerpost - Cleaning Fan Speed Diagnostics
Cornerpost - CONTOUR MASTER ilt Position Diagnostics
Cornerpost - Deck Plate Spacing Diagnostics
Cornerpost - Engine Hourmeter Diagnostics
Cornerpost - Engine Speed Diagnostics
Cornerpost - Engine Temperature Diagnostics
Cornerpost - Feeder House Speed Diagnostics
Cornerpost - Fuel Gauge Diagnostics
Cornerpost - Ground Speed Diagnostics
Cornerpost - HYDRAFLEX ressure Diagnostics
Cornerpost - Separator Hours Diagnostics
Cornerpost - Threshing Clearance Diagnostics
Cornerpost - Threshing Speed Diagnostics
Deck Plate Adjustment Diagnostics
Delayed Power Diagnostics
DIAL-A-SPEED iagnostics
Draper Speed Adjustment Diagnostics
Engine Compartment Relay Panel Type Identification
Engine Compartment Relay Panel Diagnostics - Type A
Engine Compartment Relay Panel Diagnostics - Type B
Engine Control Unit - Overall Type Identification
Engine Control Unit - Overall Diagnostics - Type A
Engine Control Unit - Overall Diagnostics - Type B
Engine And Fuel Control Type Identification
Engine and Fuel Control Diagnostics - Type A
Engine and Fuel Control Diagnostics - Type B
Feeder House Reverse Diagnostics
Four Wheel Drive Diagnostics
Fuel Transfer Pump Diagnostics
Glow Plug Diagnostics
GREENSTAR ata Card Type Identification
GREENSTAR ata Card Diagnostics - Type A
GREENSTAR ata Card Diagnostics - Type B
GREENSTAR isplay Type Identification
GREENSTAR isplay Diagnostics - Type A
GREENSTAR isplay Diagnostics - Type B
GREENSTAR ocumentation Type Identification
GREENSTAR ocumentation Diagnostics - Type A
GREENSTAR ocumentation Diagnostics - Type B
GREENSTAR ocumentation Diagnostics - Type C
GREENSTAR xternal Display Control Diagnostics
GREENSTAR ass Flow Sensor Diagnostics
GREENSTAR obile Processor Diagnostics
GREENSTAR Moisture Sensor Type Identification
GREENSTAR Moisture Sensor Diagnostics - Type A
GREENSTAR Moisture Sensor Diagnostics - Type B
GreenStar RTK Type Identification
GreenStar RTK Diagnostics - Type A
GreenStar RTK Diagnostics - Type B
GreenStar RTK Diagnostics - Type C
GreenStar StarFire Type Identification
GreenStar StarFire Diagnostics Type A
GreenStar StarFire Diagnostics Type B
GreenStar StarFire Diagnostics - Type C
GreenStar StarFire Diagnostics - Type D
GREENSTAR teering - Auto Type Identification
GREENSTAR teering - Auto Diagnostics - Type A
GREENSTAR teering - Auto Diagnostics - Type B
GREENSTAR teering - Auto Diagnostics - Type C
GREENSTAR teering - Auto Diagnostics - Type D
GreenStar Steering Auto Diagnostics - Type E
GreenStar Steering Auto Diagnostics - Type F
GREENSTAR teering - Manual Diagnostics
Header Control Unit - Overall Diagnostics
Header Engage Diagnostics
Header Raise/Lower Diagnostics
Horn Diagnostics
HYDRAFLEX Pressure Adjustment Diagnostics
Left Control Unit - Overall Diagnostics
Left Control Unit - Control Relay Board Link Diagnostics
Lighting System - Overall Diagnostics
Lighting System - Daytime Running Lights Diagnostics
Lighting System - Dome Light Diagnostics
Lighting System - Exit Lighting Diagnostics
Lighting System - Field Lights Type Identification
Lighting System - Field Lights Diagnostics - Type A
Lighting System - Field Lights Diagnostics - Type B
Lighting System - Hazard/Turn Lights Diagnostics
Lighting System - Marker Lights Diagnostics
Lighting System - Panel Lights Diagnostics
Lighting System - Rear Discharge Lights Diagnostics
Lighting System - Road Lights Diagnostics
Lighting System - Engine Area Service Lights Diagnostics
Lighting System - Gullwing Door Service Lights Diagnostics
Lighting System - Shoe Service Lights Diagnostics
Lighting System - Side Finder Lights Diagnostics
Lighting System - Stubble Lights Diagnostics
Lighting System - Unloading Auger Light Diagnostics
Mirrors - Heating Diagnostics
Mirrors - Adjustment Diagnostics
Multifunction Control Handle Diagnostics
Quick-Stop Diagnostics
Radio System Entertainment Diagnostics
Reel Fore/Aft Diagnostics
Reel Fore/Aft Resume Diagnostics
Reel Raise/Lower Type Identification
Reel Raise/Lower Diagnostics - Type A
Reel Raise/Lower Diagnostics - Type B
Reel Raise/Lower Resume Diagnostics
Reel/Belt Speed Adjust Diagnostics
Right Control Unit - Overall Diagnostics
Road/Field System Diagnostics
Separator Engage Diagnostics
Start Aid Diagnostics
Starting Motor System Diagnostics
Tailings Monitor System Diagnostics
Threshing Clearance Adjust Diagnostics
Threshing Speed Adjustment Diagnostics
Unloading Auger Engage Diagnostics
Unloading Auger Swing Diagnostics
Variable Speed Feeder House Diagnostics
VISIONTRAK iagnostics
Warning Display Panel - Overall Diagnostics
Warning - Clean Grain Elevator Speed Diagnostics
Warning - Conveyor Auger Speed Diagnostics
Warning - Cylinder Speed Diagnostics
Warning - Engine Air Filter Plugged Diagnostics
Warning - Engine Oil Pressure Diagnostics
Warning - Engine Speed Type Identification
Warning - Engine Speed Diagnostics - Type A
Warning - Engine Speed Diagnostics - Type B
Warning - Engine Temperature Diagnostics
Warning - Low Fuel Diagnostics
Warning - Grain Separator Speed Low Diagnostics
Warning - Grain Tank Full - Type Identification
Warning - Grain Tank Full Diagnostics - Type A
Warning - Grain Tank Full Diagnostics - Type B
Warning - Hydraulic Oil Temperature Diagnostics
Warning - Hydrostatic Charge Pressure Diagnostics
Warning - Main Gearcase Filter Restricted Diagnostics
Warning - Main Gearcase Pressure Diagnostics
Warning - Main Gearcase Temperature Diagnostics
Warning - Parking Brake Diagnostics
Warning - Separator Plugged Diagnostics
Warning - Straw Chopper Speed Diagnostics
Warning - Tailings Elevator Speed Diagnostics
Warning - Unloading Auger Engaged Diagnostics
Warning - Voltage Diagnostics
Wiper System Diagnostics
Circuit Code Listing
Connector Information
Connector Repair Procedures
Power Train System
General Information
Test Procedures and Adjustments
Final Drive Diagnostics
Transmission Diagnostics
Hydrostatic Drive Diagnostics
Component Identification and Location
Four Wheel Drive System
General Information
Test Procedures and Adjustments
Four Wheel Drive Two Speed Diagnostics
Component Identification and Location
Brake System
General Information
Test Procedures and Adjustments
Park Brake Diagnostics
Service Brakes Diagnostics
Component Identification and Location
Hydraulic System
General Information
Test Procedures And Adjustments
Basic Hydraulic System Diagnostics
Belt Pickup Drive Type Identification
Belt Pickup Drive Diagnostics - Type A
Belt Pickup Drive Diagnostics - Type B
Belt Pickup Drive Diagnostics - Type C
CONTOUR MASTER™ Header Tilt Diagnostics
Deck Plate Adjust Diagnostics
Draper Belt Drive Diagnostics
Feeder House Gearcase Cooler Diagnostics
Feeder House Reverser Shift Diagnostics
Header Raise/Lower Diagnostics
HYDRAFLEX™ Pressure Adjust Diagnostics
Hydraulic System Overheating Diagnostics
Multi-coupler Diagnostics
Reel Drive Diagnostics
Reel Fore/Aft Diagnostics
Reel Raise/Lower Type Identification
Reel Raise/Lower Diagnostics - Type A
Reel Raise/Lower Diagnostics - Type B
Spreader Diagnostics
Threshing Speed Adjust Diagnostics
Unloading Auger Swing Diagnostics
Variable Speed Feeder House Diagnostics
Windscreen Raise/Lower Diagnostics
Component Identification and Location
Main Gearcase System
General Information
Test Procedures and Adjustments
Main Gearcase Overall Diagnostics
Main Gearcase Filter Restricted Diagnostics
Main Gearcase Pressure Low Diagnostics Type Identification
Main Gearcase Pressure Low Diagnostics - Type A
Main Gearcase Pressure Low Diagnostics - Type B
Main Gearcase Temperature High Diagnostics Type Identification
Main Gearcase Temperature High Diagnostics - Type A
Main Gearcase Temperature High Diagnostics - Type B
Separator Engage Diagnostics
Unloading Auger Engage Diagnostics
Component Identification and Location
Steering System
General Information
Test Procedures and Adjustments
Steering System Type Identification
Steering Diagnostics - Type A
Steering Diagnostics - Type B
Component Identification and Location
CLIMATRAK™ System
General Information
Test Procedures and Adjustments
CLIMATRAK iagnostics
Component Identification and Location
Separator System
General Information
Separator Vibration Diagnostics
Component Identification and Location




