John Deere 9650STS 9750STS Combine Diagnosis Test Service Manual TM2102
Language: English
Format: PDF
Document: Diagnosis Test Service Manual
Machine: Combine
Machine Model: 9650STS (695501-), 9750STS (695601-)
Pages: 3385 Pages
Part Number: TM2102
Contents:
Foreword
General
Safety
Combine and Component Identification
General Specifications
Diagnostic and Testing Procedures
Diagnostic Trouble Codes
A00 - Engine Control Unit Diagnostic Trouble Codes
C00 - Armrest Control Unit Diagnostic Trouble Codes
C03 - Cornerpost Control Unit Diagnostic Trouble Codes
E00 - Tailing Master Sensor Diagnostic Trouble Codes
E01 - Header Control Unit Diagnostic Trouble Codes
E02 - Right Control Unit Diagnostic Trouble Codes
E03 - Left Control Unit Diagnostic Trouble Codes
E04 - Left Control Unit 2 Diagnostic Trouble Codes
GREENSTAR Display Warning Messages and Fault Codes
GREENSTAR KeyCard and PC Data Storage Card Warning Messages
GREENSTAR Mobile Processor Warning Messages
HARVEST DOC Warning Messages
Moisture Sensor Warning Messages
STARFIRE Receiver Warning Messages
Terrain Compensation Module Fault Codes
Observable Symptoms
Engine System
Air Intake and Cooling Systems
Electrical
Power Train System
Four Wheel Drive System
Brake System
Hydraulic System
Main Gearcase System
Steering System
CLIMATRAK System
Separator System
Engine System
General Information
Test Procedures and Adjustments
Engine Type Identification
Engine Diagnostics - Type A
Engine Diagnostics - Type B
Component Identification and Location
Air Intake and Cooling Systems
General Information
Test Procedures and Adjustments
Air Intake System Diagnostics
Engine Cooling Package Diagnostics
Component Identification and Location
Electrical System
How To Use This Diagnostic Information
Accessing Diagnostic Trouble Codes and Addresses
Diagnostic Trouble Codes, Warning Messages and Fault Codes
Diagnostic Addresses By Function
Diagnostic Addresses By Controller
Quick Cal Procedures
Machine Setting Addresses
Active Header Height Control Diagnostics - Type Identification
Active Header Height Control Diagnostics - Type A
Active Header Height Control Diagnostics - Type B
Active Header Height Control Diagnostics - Type C
Alternator and Battery - Type Identification
Alternator and Battery Diagnostics - Type A
Alternator and Battery Diagnostics - Type B
Armrest Control Unit Overall Diagnostics
Auxiliary Power Strip Outlet Diagnostics
CAN Bus - Type Identification
CAN Bus Diagnostics - Type A
CAN Bus Diagnostics - Type B
CAN Bus Diagnostics - Type C
Chopper Raise/Lower Type Identification
Chopper Raise/Lower Diagnostics - Type A
Chopper Raise/Lower Diagnostics - Type B
Cleaning Fan Speed Adjust Diagnostics
CLIMATRAK - Type Identification
CLIMATRAK Diagnostics - Type A
CLIMATRAK Diagnostics - Type B
COMFORT COMMAND Seat Diagnostics
CONTOUR MASTER - Automatic Tilt Diagnostics
CONTOUR MASTER - Manual Tilt Type Identification
CONTOUR MASTER - Manual Tilt Diagnostics - Type A
CONTOUR MASTER - Manual Tilt Diagnostics - Type B
Cornerpost Control Unit Overall Diagnostics
Cornerpost - Chaffer Position Diagnostics
Cornerpost - Cleaning Fan Speed Diagnostics
Cornerpost - CONTOUR MASTER Position Diagnostics
Cornerpost - Deck Plate Spacing Diagnostics
Cornerpost - Engine Hourmeter Diagnostics
Cornerpost - Engine Speed Diagnostics
Cornerpost - Engine Temperature Gauge Diagnostics
Cornerpost - Feeder House Speed Diagnostics
Cornerpost - Fuel Gauge Diagnostics
Cornerpost - Ground Speed Diagnostics
Cornerpost - HYDRAFLEX Pressure Diagnostics
Cornerpost - Separator Hours Diagnostics
Cornerpost - Sieve Position Diagnostics
Cornerpost - Threshing Clearance Diagnostics
Cornerpost - Threshing Speed Diagnostics
Deck Plate Adjustment Type Identification
Deck Plate Adjust Diagnostics - Type A
Deck Plate Adjust Diagnostics - Type B
Delayed Power Type Identification
Delayed Power Diagnostics - Type A
Delayed Power Diagnostics - Type B
DIAL-A-SPEED Diagnostics
Draper Speed Adjust Diagnostics
Engine Compartment Relay Panel Diagnostics
Engine Control Unit Overall Diagnostics
Engine and Fuel Control - Diagnostics
Four Wheel Drive Diagnostics
GREENSTAR - Display Diagnostics
GREENSTAR - GPS Receiver Type Identification
GREENSTAR - GPS Receiver Diagnostics - Type A
GREENSTAR - GPS Receiver Diagnostics - Type B
GREENSTAR - GPS Receiver Diagnostics - Type C
GREENSTAR - GPS Receiver Diagnostics - Type D
GREENSTAR - KeyCard and PC Data Storage Card Diagnostics
GREENSTAR - Mass Flow Sensor Type Identification
GREENSTAR - Mass Flow Sensor Diagnostics - Type A
GREENSTAR - Mass Flow Sensor Diagnostics - Type B
GREENSTAR - Mobile Processor Type Identification
GREENSTAR - Mobile Processor Diagnostics - Type A
GREENSTAR - Mobile Processor Diagnostics - Type B
GREENSTAR - Moisture Sensor Type Identification
GREENSTAR - Moisture Sensor Diagnostics - Type A
GREENSTAR - Moisture Sensor Diagnostics - Type B
GREENSTAR System - Harvest/Yield Mapping/Monitoring Type Identification
GREENSTAR System - HARVEST DOC Diagnostics - Type A
GREENSTAR System - HARVEST DOC Diagnostics - Type B
GREENSTAR System - Harvest Monitor Diagnostics
GREENSTAR System - Parallel Tracking Diagnostics
GREENSTAR System - Yield Mapping Diagnostics - Type A
GREENSTAR System - Yield Mapping Diagnostics - Type B
GREENSTAR System - Yield Monitor Diagnostics
Header Control Unit Overall Diagnostics
Header Engage Diagnostics
Header Raise/Lower Type Identification
Header Raise/Lower Type A Diagnostics
Header Raise/Lower Type B Diagnostics
Horn Diagnostics
HYDRAFLEX Pressure Adjustment Diagnostics
Left Control Unit Overall Diagnostics
Left Control Unit - Control Relay Board Link Diagnostics
Left Control Unit 2 - Overall Diagnostics
Lighting System - Overall Diagnostics
Lighting System - Daytime Running Lights Type Identification
Lighting System - Daytime Running Lights Diagnostics - Type A
Lighting System - Daytime Running Lights Diagnostics - Type B
Lighting System - Dome Light Diagnostics
Lighting System - Exit Lighting Diagnostics
Lighting System - Field Lights Type Identification
Lighting System - Field Lights Diagnostics - Type A
Lighting System - Field Lights Diagnostics - Type B
Lighting System - Hazard/Turn Lights Type Identification
Lighting System - Hazard/Turn Lights Diagnostics - Type A
Lighting System - Hazard/Turn Lights Diagnostics - Type B
Lighting System - Marker Lights Type Identification
Lighting System - Marker Lights Diagnostics - Type A
Lighting System - Marker Lights Diagnostics - Type B
Lighting System - Panel Lights Type Identification
Lighting System - Panel Lights Diagnostics - Type A
Lighting System - Panel Lights Diagnostics - Type B
Lighting System - Rear Discharge Lights Type Identification
Lighting System - Rear Discharge Lights Diagnostics - Type A
Lighting System - Rear Discharge Lights Diagnostics - Type B
Lighting System - Road Lights Type Identification
Lighting System - Road Lights Diagnostics - Type A
Lighting System - Road Lights Diagnostics - Type B
Lighting System - Service Lights - Engine Area Diagnostics
Lighting System - Service Lights - Gullwing Doors Diagnostics
Lighting System - Service Lights - Shoe Area Diagnostics
Lighting System - Side Finder Lights Type Identification
Lighting System - Side Finder Lights Diagnostics - Type A
Lighting System - Side Finder Lights Diagnostics - Type B
Lighting System - Stubble Lights Type Identification
Lighting System - Stubble Lights Diagnostics - Type A
Lighting System - Stubble Lights Diagnostics - Type B
Lighting System - Unloading Auger Lights Type Identification
Lighting System - Unloading Auger Light Diagnostics - Type A
Lighting System - Unloading Auger Light Diagnostics - Type B
Multifunction Control Handle Diagnostics
Quick-Stop Diagnostics
Radio - Type Identification
Radio System Diagnostics - Type A
Radio System Diagnostics - Type B
Reel Fore/Aft Type Identification
Reel Fore/Aft Diagnostics - Type A
Reel Fore/Aft Diagnostics - Type B
Reel Fore/Aft Resume Diagnostics
Reel Raise/Lower Type Identification
Reel Raise/Lower Diagnostics - Type A
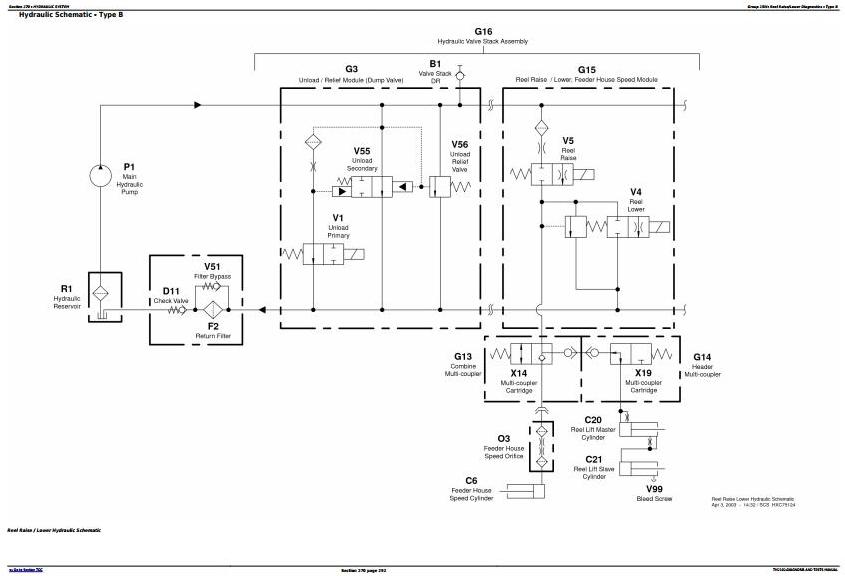
Reel Raise/Lower Diagnostics - Type B
Reel Raise/Lower Resume Diagnostics
Reel/Belt Speed Adjust Diagnostics
Remote Shoe Adjust - Chaffer Diagnostics
Remote Shoe Adjust - Sieve Diagnostics
Right Control Unit - Overall Diagnostics
Road/Field System Diagnostics
Separator Engage Diagnostics
Service Power Diagnostics
Spreader Speed Adjust Diagnostics
Start Aid Diagnostics
Starting Motor System Diagnostics
Tailings Monitor Diagnostics
Threshing Clearance Adjust Diagnostics
Threshing Speed Adjust Type Identification
Threshing Speed Adjust Diagnostics - Type A
Threshing Speed Adjust Diagnostics - Type B
Unloading Auger Engage Diagnostics
Unloading Auger Swing Type Identification
Unloading Auger Swing Diagnostics - Type A
Unloading Auger Swing Diagnostics - Type B
Variable Speed Feeder House Adjust - Type Identification
Variable Speed Feeder House Adjust Diagnostics - Type A
Variable Speed Feeder House Adjust Diagnostics - Type B
VISIONTRAK Diagnostics
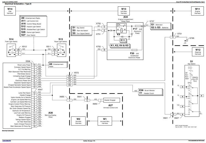
Warning Display Panel - Overall Type Identification
Warning Display Panel - Overall Diagnostics - Type A
Warning Display Panel Overall Diagnostics - Type B
Warning - Clean Grain Elevator Speed Low Type Identification
Warning - Clean Grain Elevator Speed Low Diagnostics - Type A
Warning - Clean Grain Elevator Speed Low Diagnostics - Type B
Warning - Conveyor Auger Speed Low Diagnostics
Warning - Discharge Beater Speed Low Diagnostics
Warning - Engine Air Filter Plugged Diagnostics
Warning - Engine Oil Pressure Low Diagnostics
Warning - Engine Speed Low Diagnostics
Warning - Engine Temperature High Diagnostics
Warning - Feed Accelerator Speed Diagnostics
Warning - Grain Tank Full Type Identification
Warning - Grain Tank Full Diagnostics - Type A
Warning - Grain Tank Full Diagnostics - Type B
Warning - Hydraulic Oil Temperature High Diagnostics
Warning - Hydrostatic Charge Pressure Low Diagnostics
Warning - Low Fuel Diagnostics
Warning - Main Gearcase Filter Restricted Diagnostics
Warning - Main Gearcase Pressure Low Diagnostics
Warning - Main Gearcase Temperature High Diagnostics
Warning - Parking Brake Diagnostics
Warning - Straw Chopper/Straw Spreader Type Identification
Warning - Straw Chopper Speed Low Diagnostics
Warning - Straw Spreader Speed Low Diagnostics
Warning - Tailings Elevator Speed Low Diagnostics
Warning - Threshing Speed Low Diagnostics
Warning - Unloading Auger Engaged Diagnostics
Warning - Voltage Low Diagnostics
Wiper Diagnostics
Circuit Code Listing
Connector Information
Connector Repair Procedures
Power Train System
General Information
Test Procedures and Adjustments
Final Drive Diagnostics
Transmission Diagnostics
Hydrostatic Diagnostics
Component Identification and Location
Four Wheel Drive System
General Information
Test Procedures and Adjustments
Two Speed Four Wheel Drive Diagnostics
Component Identification and Location
Brake System
General Information
Test Procedures and Adjustments
Park Brake Diagnostics
Service Brakes Diagnostics
Component Identification and Location
Hydraulic System
General Information
Test Procedures And Adjustments
Basic Hydraulic System Type Identification
Basic Hydraulic System Diagnostics - Type A
Basic Hydraulic System Diagnostics - Type B
CONTOUR MASTER™ Header Tilt Diagnostics
Deck Plate Adjust Type Identification
Deck Plate Adjust Diagnostics - Type A
Deck Plate Adjust Diagnostics - Type B
Draper Belt Drive Diagnostics
Feeder House Gearcase Cooler Diagnostics
Header Raise/Lower Diagnostics
HYDRAFLEX™ Pressure Adjust Diagnostics
Hydraulic System Overheating Type Identification
Hydraulic System Overheating Diagnostics - Type A
Hydraulic System Overheating Diagnostics - Type B
Reel/Belt Drive Type Identification
Reel/Belt Drive Diagnostics - Type A
Reel/Belt Drive Diagnostics - Type B
Reel Fore/Aft Type Identification
Reel Fore/Aft Diagnostics - Type A
Reel Fore/Aft Diagnostics - Type B
Reel Raise/Lower Type Identification
Reel Raise/Lower Diagnostics - Type A
Reel Raise/Lower Diagnostics - Type B
Reel Raise/Lower Diagnostics - Type C
Reel Raise/Lower Diagnostics - Type D
Straw Spreader Drive Diagnostics
Threshing Speed Adjust Diagnostics
Unloading Auger Swing Diagnostics
Variable Speed Feeder House Type Identification
Variable Speed Feeder House Diagnostics - Type A
Variable Speed Feeder House Diagnostics - Type B
Component Identification and Location
Main Gearcase System
General Information
Test Procedures and Adjustments
Main Gearcase Diagnostics
Main Gearcase Pressure Low Diagnostics
Main Gearcase Temperature High Diagnostics
Main Gearcase Filter Restricted Diagnostics
Separator Engage Main Gearcase Diagnostics
Unloading Auger Main Gearcase Diagnostics
Component Identification and Location
Steering System
General Information
Test Procedures and Adjustments
Steering Diagnostics
Component Identification and Location
CLIMATRAK System
General Information
Test Procedures and Adjustments
CLIMATRAK™ Diagnostics
Component Identification and Location
Separator System
General Information
Separator Vibration Diagnostics
Component Identification and Location




