John Deere 9780 CTS European Version Combine Diagnostic Operation Test Manual TM4713
Language: English
Format: PDF
Document: Operation Test Manual
Machine: Combine
Machine Model: 9780CTS
Pages: 3263 Pages
Part Number: TM4713
Contents:
Foreword
General
Safety
Combine and Component Identification
General Specifications
Diagnostic and Testing Procedures
Electrical System Operational Checkout
Power Train Operational Checkout
Four Wheel Drive Operational Checkout
Parking Brake Operational Checkout
Service Brake Operational Checkout
Hydraulic System Operational Checkout
Main Gearcase Operational Checkout
Steering Operational Checkout
CLIMATRAK™ Operational Checkout
Engine System
General Information
Test Procedures and Adjustments
Engine Type Identification
Engine Diagnostics - Type A
Engine Diagnostics - Type B
Component Identification and Location
Air Intake and Cooling Systems
General Information
Test Procedures and Adjustments
Air Intake System Diagnostics
Engine Cooling Package Diagnostics
Component Identification and Location
Electrical System
How To Use This Diagnostic Information
Accessing Diagnostic Trouble Codes and Addresses
Diagnostic Trouble Codes
Diagnostic Addresses By Controller
Quick Calibration Procedures
Machine Setting Addresses
Functional Schematics
Alternator and Battery Diagnostics - 120 Ampere
Armrest Control Unit Overall Type Identification
Armrest Control Unit Overall Diagnostics (Type A)
Armrest Control Unit Overall Diagnostics (Type B)
Automatic Combine Adjust Type Identification
Automatic Combine Adjust Diagnostics (Type A)
Automatic Combine Adjust Diagnostics (Type B)
Automatic Combine Adjust Diagnostics (Type C)
Auxiliary Power Strip Outlet Diagnostics
Backup Alarm Diagnostics
CAN Bus Type Identification
CAN Bus Type A Diagnostics
CAN Bus Type B Diagnostics
Chopper Vane Adjust Diagnostics
Cleaning Fan Speed Adjust Diagnostics
CLIMATRAK™ Type Identification
CLIMATRAK™ Type A Diagnostics
CLIMATRAK™ Type B Diagnostics
Comfort Command™ Seat Diagnostics
Concave Clearance Adjust Diagnostics
Cornerpost Control Unit Overall Diagnostics
Cornerpost - Area Counter Diagnostics
Cornerpost - Backshaft Speed Diagnostics
Cornerpost - Chaffer Position Diagnostics
Cornerpost - Chopper Vane Position Diagnostics
Cornerpost - Cleaning Fan Speed Diagnostics
Cornerpost - Clock Diagnostics
Cornerpost - Concave Clearance Diagnostics
Cornerpost - Cylinder Speed Diagnostics
Cornerpost - Engine Hourmeter Diagnostics
Cornerpost - Engine Speed Diagnostics
Cornerpost - Temperature Gauge Diagnostics
Cornerpost - Fuel Gauge Diagnostics
Cornerpost - Ground Speed Diagnostics
Cornerpost - HEADERTRAK™ Ground Pressure Diagnostics
Cornerpost - HEADERTRAK™ Tilt Position Diagnostics
Cornerpost - Precleaner Position Diagnostics
Cornerpost - Separator Hourmeter Diagnostics
Cornerpost - Sieve Position Diagnostics
Cylinder Speed Adjust Type Identification
Cylinder Speed Adjust Type A Diagnostics
Cylinder Speed Adjust Type B Diagnostics
Delayed Power Type Identification
Delayed Power Type A Diagnostics
Delayed Power Type B Diagnostics
DIAL-A-SPEED™ - Diagnostics
Engine Compartment Relay Panel Diagnostics
Engine Control Unit Overall Diagnostics
Engine and Fuel Control Diagnostics
Feeder House/Reel Reverser Type Identification
Feeder House/Reel Reverser Type A Diagnostics
Feeder House/Reel Reverser Type B Diagnostics
Four Wheel Drive Diagnostics
Grain Tank Cover Fold Diagnostics
GREENSTAR™ - Yield Mapping/Monitoring Type Identification
GREENSTAR™ - Yield Mapping System Type A Diagnostics
GREENSTAR™ - Yield Mapping System Type B Diagnostics
GREENSTAR™ - Yield Monitor System Diagnostics
GREENSTAR™ - Display Diagnostics
GREENSTAR™ - GPS STARFIRE™ - Receiver Diagnostics
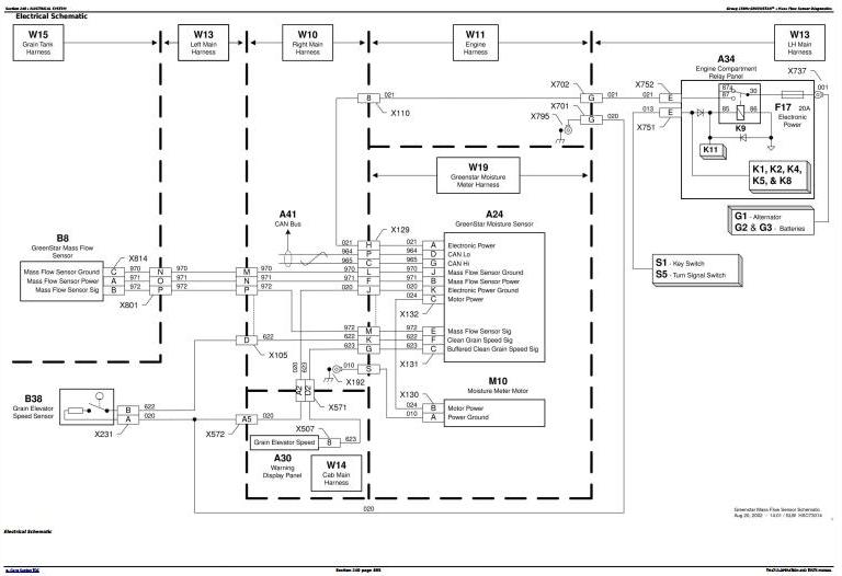
GREENSTAR™ - Mass Flow Sensor Diagnostics
GREENSTAR™ - Mobile Processor Type Identification
GREENSTAR™ - Mobile Processor Type A Diagnostics
GREENSTAR™ - Mobile Processor Type B Diagnostics
GREENSTAR™ - Moisture Sensor Diagnostics
GREENSTAR™ - PC Data Storage Card Diagnostics
GREENSTAR™ - Printer Diagnostics
Header Control Unit Overall Diagnostics
Header Engage Diagnostics
Header Raise/Lower Diagnostics
HEADERTRAK™ - System Type Identification
HEADERTRAK™ - Ground Pressure Diagnostics
HEADERTRAK™ - Return to Cut Diagnostics
HEADERTRAK™ - Stubble Height Diagnostics
HEADERTRAK™ - Automatic Tilt Diagnostics
HEADERTRAK™ - Manual Tilt Type Identification
HEADERTRAK™ - Manual Tilt Type A Diagnostics
HEADERTRAK™ - Manual Tilt Type B Diagnostics
HILLMASTER II™ - Diagnostics
Horn Diagnostics
Left Control Unit Overall Diagnostics
Left Control Unit 2 Overall Diagnostics
Left Control Unit - Control Relay Board Link Diagnostics
Lighting System - Diagnostics
Lighting System - Automatic Beacon Type Identification
Lighting System - Automatic Beacon Type A Diagnostics
Lighting System - Automatic Beacon Type B Diagnostics
Lighting System - Automatic Beacon Type C Diagnostics
Lighting System - Automatic Beacon Type D Diagnostics
Lighting System - Beacon Type Identification
Lighting System - Beacon Type A Diagnostics
Lighting System - Beacon Type B Diagnostics
Lighting System - Beacon Type C Diagnostics
Lighting System - Beacon Type D Diagnostics
Lighting System - Brake Light Diagnostics
Lighting System - Dome Light Diagnostics
Lighting System - Driving Light Type Identification
Lighting System - Driving Light Type A Diagnostics
Lighting System - Driving Light Type B Diagnostics
Lighting System - Driving Light Type C Diagnostics
Lighting System - Driving Light Type D Diagnostics
Lighting System - Exit Lighting Diagnostics
Lighting System - Field Light Type Identification
Lighting System - Field Light Type A Diagnostics
Lighting System - Field Light Type B Diagnostics
Lighting System - Field Light Type C Diagnostics
Lighting System - Field Light Type D Diagnostics
Lighting System - Hazard/Turn Lighting Type Identification
Lighting System - Hazard/Turn Lighting Type A Diagnostics
Lighting System - Hazard/Turn Lighting Type B Diagnostics
Lighting System - Marker Lamp Type Identification
Lighting System - Marker Lamp Type A Diagnostics
Lighting System - Marker Lamp Type B Diagnostics
Lighting System - Panel Lamp Type Identification
Lighting System - Panel Lamp Type A Diagnostics
Lighting System - Panel Lamp Type B Diagnostics
Lighting System - Rear Discharge Lamp Type Identification
Lighting System - Rear Discharge Lamp Type A Diagnostics
Lighting System - Rear Discharge Lamp Type B Diagnostics
Lighting System - Service Lamps - Engine Area Diagnostics
Lighting System - Service Lamps - Gullwing Door Diagnostics
Lighting System - Service Lamps - Shoe Area Diagnostics
Lighting System - Side Finder Lamp Type Identification
Lighting System - Side Finder Lamp Type A Diagnostics
Lighting System - Side Finder Lamp Type B Diagnostics
Lighting System - Stubble Lamp Type Identification
Lighting System - Stubble Lamp Type A Diagnostics
Lighting System - Stubble Lamp Type B Diagnostics
Lighting System - Unloading Auger Light Type Identification
Lighting System - Unloading Auger Light Type A Diagnostics
Lighting System - Unloading Auger Light Type B Diagnostics
Mirror Heating Diagnostics
Electrically Adjustable Mirrors Diagnostics
Multi-Function Lever Diagnostics
Quick-Stop Diagnostics
Radio System Type Identification
Radio System Type A Diagnostics
Radio System Type B Diagnostics
Reel Fore/Aft Type Identification
Reel Fore/Aft Type A Diagnostics
Reel Fore/Aft Type B Diagnostics
Reel Resume - Fore/Aft Diagnostics
Reel Raise/Lower Type Identification
Reel Raise/Lower Type A Diagnostics
Reel Raise/Lower Type B Diagnostics
Reel Resume - Raise/Lower Diagnostics
Reel Speed Diagnostics
Remote Shoe Adjust - Chaffer Diagnostics
Remote Shoe Adjust - Precleaner Diagnostics
Remote Shoe Adjust - Sieve Diagnostics
Right Control Unit Overall Diagnostics
Road/Field System Diagnostics
Separator Engage Diagnostics
Service Power Diagnostics
Starter Motor System Diagnostics
Tailings Monitor Diagnostics
Transmission Lock Diagnostics
Unloading Auger Engage Diagnostics
Unloading Auger Swing Type Identification
Unloading Auger Swing Type A Diagnostics
Unloading Auger Swing Type B Diagnostics
VISIONTRAK™ Diagnostics
Warning Display Panel Type Identification
Warning Display Panel Diagnostics - Type A
Warning Display Panel Diagnostics - Type B
Clean Grain Elevator Speed Warning - Type Identification
Clean Grain Elevator Speed Warning Diagnostics - Type A
Clean Grain Elevator Speed Warning Diagnostics - Type B
Conveyor Auger Speed Warning Diagnostics
Cylinder Speed Warning Diagnostics
Discharge Beater Speed Warning Diagnostics
Engine Air Filter Warning Diagnostics
Engine Oil Pressure Warning Diagnostics
Engine Speed Warning Diagnostics
Engine Temperature Warning Diagnostics
Separator Speed Warning Diagnostics
Grain Tank Cover Warning Diagnostics
Grain Tank Full Warning Diagnostics
Grain Tank 3/4 Full Warning Diagnostics
Hydraulic Oil Temperature Warning Diagnostics
Hydrostatic Charge Pressure Warning Diagnostics
Low Fuel Warning Diagnostics
Main Gearcase Filter Warning Diagnostics
Main Gearcase Pressure Warning Diagnostics
Main Gearcase Temperature Warning Diagnostics
Parking Brake Warning Diagnostics
Straw Chopper Speed Warning Diagnostics
Tailings Elevator Speed Warning Diagnostics
Unloading Auger Engaged Warning Diagnostics
Voltage Warning Diagnostics
Wiper System Diagnostics
Circuit Code Listing
Connector Locations
Connector Repair Procedures
Power Train
General Information
Test Procedures and Adjustments
Final Drive Diagnostics
Transmission Diagnostics
Hydrostatic Diagnostics
Component Location
Four Wheel Drive
General Information
Test Procedures and Adjustments
Four Wheel Drive Two Speed Diagnostics
Component Location
Brake Systems
General Information
Test Procedures and Adjustments
Service Brake Diagnostics
Parking Brake Diagnostics
Component Location
Hydraulic System
General Information
Test Procedures And Adjustments
Basic System Diagnostics
BOSCH Header Height Diagnostics
Chaff Spreader Type Identification
Chaff Spreader Type A Diagnostics
Chaff Spreader Type B Diagnostics
Cylinder Speed Adjust Diagnostics
Discharge Beater Type Identification
Discharge Beater Type A Diagnostics
Discharge Beater Type B Diagnostics
HEADERTRAK™ Tilt Diagnostics
HILLMASTER II™ Diagnostics
Hydraulic System Overheating Diagnostics
Multi-coupler Diagnostics
Reel Fore/Aft Diagnostics
Reel Raise/Lower Diagnostics
Reel Reverser Hydraulic Diagnostics
Reel Speed Type Identification
Reel Speed Adjust Type A Diagnostics
Reel Speed Adjust Type B Diagnostics
Reverser Shift Diagnostics
Unloading Auger Swing Diagnostics
Component Identification and Location
Main Gearcase System
General Information
Test Procedures and Adjustments
Main Gearcase Diagnostics
Main Gearcase Pressure Low Diagnostics
Main Gearcase Temperature High Diagnostics
Main Gearcase Filter Restricted Diagnostics
Separator Engage Diagnostics
Unloading Auger Engage Diagnostics
Component Location
Steering System
General Information
Test Procedures and Adjustments
Steering Diagnostics
Component Location
ClimaTrak
General Information
Test Procedures and Adjustments
CLIMATRAK™ Diagnostics
Component Location
Separator
General Information
Separator Vibration Diagnostics
Component Location




