John Deere AS APL Series Front Axles Component Technical Manual CTM8193
Language: English
Format: PDF
Document: Component Technical Manual
Machine: Front Axles Dana Carraro
Machine Model: AS APL Series
Pages: 707 Pages
Part Number: CTM8193
Contents:
Introduction
safety
General Safety Information
AS Axles
Special Tools
General Repair Information
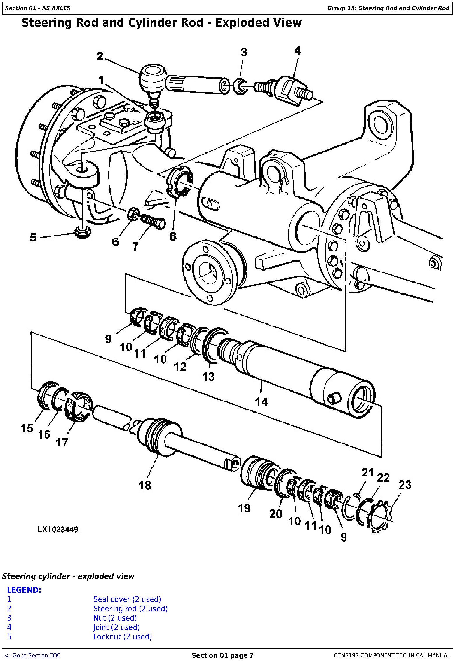
Steering Rod and Cylinder Rod
Final Drive and Wheel Hub
Joint Housing and Drive Shafts
Axle Housing and Differential
AS3035 Axle
Special Tools
Axle Views
Planetary Transmission and Wheel Hub
Differential
Steering Cylinder and Steering Rod
Center Bearings
APL Axles
Special Tools
Axle Views
Planetary Transmission and Wheel Hub
Differential
Steering Cylinder and Steering Rod
Center Bearings
725 Dana Axles
Special Tools
Steering Cylinder and Steering Rods
Planetary Drive and Wheel Hub
Axle Joint Housing and Drive Shafts
Axle Housing and Differential
750 and 755 Dana Axles
Special Tools
General Information
Tie Rods and Steering Cylinder
Planetary Drive and Wheel Hub
Joint Housing and Drive Shafts
Axle Compartment and Differential
John Deere Axle
Special Tools
Planetary Drives
Link
Pinion and Differential
Steering Cylinder
Carraro 2WD Axle
Special Tools
Axle View
Steering Assembly
Wheel Hub
Axle End
Axle Joint Bushing
Axle Toe-In
Turning Angle
Dana 2WD Axle
Special Tools
Dana 2WD
Carraro Axle 20.09
Special Tools
Steering Rod
Final Drive, Wheel Hub and Joint Housing
Axle Housing and Drive Shaft
Differential
Dealership Tools
Dealer Fabricated Tools
Description and Theory of Operation
Description and Theory of Operation




