John Deere Backhoe Loader 710D Operation Test Manual TM1537
Language: English
Format: PDF
Document: Operation Test Manual
Machine: Backhoe Loader
Machine Model: 710D
Pages: 1062 Pages
Part Number: TM1537
Contents:
Foreword
General Information
Safety Information
General Specifications
Torque Values
Fuels and Lubricants
Operational Checkout Procedure
Operational Checkout Procedure
Engine
Theory of Operation
System Diagnostic Information
Adjustments
Test
Electrical System
System Information
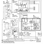
System Diagrams (S.N. -872256)
System Diagrams (S.N. 872257- )
Sub-System Diagnostics (S.N. -872256)
Sub-System Diagnostics (S.N. 872257- )
References
Power Train
Theory of Operation (S.N. -872256)
Theory of Operation (S.N. 872257- )
System Diagnostic Information (S.N. -872256)
System Diagnostic Information (S.N. 872257- )
Adjustments
Test (S.N. -872256)




