John Deere Bauer DB37 to DB120 Planter SeedStar Frame Hydraulics Diagnostics Test Manual TM132119
Language: English
Format: PDF
Document: Diagnostics Test Manual
Machine: Planter SeedStar Frame Hydraulics
Machine Model: DB37, DB44, DB55, DB58, DB60, DB66, DB74, DB80, DB83, DB88, DB90, DB120 (SN. from 755101)
Pages: 1776 Pages
Part Number: TM132119
Contents:
Foreword
General Information
Acronym Table
Safety
Lubricants
Recommended Tools for Diagnostics
Basic Diagnostics
Diagnostic Information for Electrical Components
Diagnostic Information for Hydraulic Components
Maintaining Hydraulic Systems and Components
Standard Torque Chart Procedures
Diagnostic Trouble Codes
Accessing Diagnostic Trouble Codes
PA1 - Planter Auxiliary 1 Codes
PA2 - Planter Auxiliary 2 Codes
PM1 - Planter Main 1 Codes
PM2 - Planter Main 2 Codes
Observable Symptoms and System Diagnostics
Observable Symptoms
Electrical
Theory of Operation
Schematics - Frame
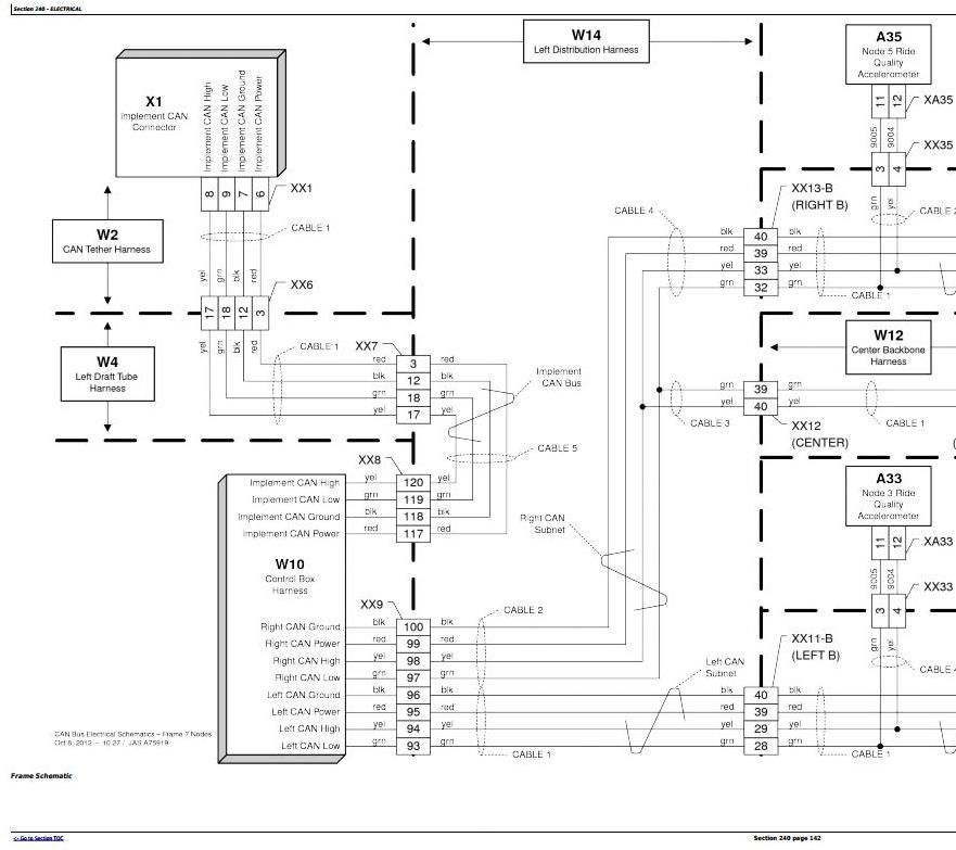
Schematics - CAN Bus
Schematics - Enhanced Monitoring
Schematics - Lighting
Schematics - Row Command
Schematics - Seed Monitoring
Diagnostics
Electrical Control Units
Accessing Diagnostic Addresses
Diagnostic Addresses by Control Unit
Diagnostics
Electrical Connectors
Electrical Assemblies
Sensors
Lights
Fuses
Charging
Relays
Motors
Switches
Interconnects
Solenoids
Hydraulics
Theory of Operation
Schematics
Diagnostics
Hydraulic Components
Accumulators
Cylinders
Check Valves
Filters
Manifolds
Oil Coolers
Motors
Orifices
Reservoirs
Valves
Coupler
Solenoid Valves
Pneumatics
Theory of Operation
Schematics
Diagnostics
Pneumatic Components
Accumulators
Sensors
Check Valves
Filters
Assembly Groups
Pumps
Reservoirs
Switches
Valves
Couplers or Diagnostic Receptacles
Solenoid Valves




