John Deere C440 Combine Technical Manual TM702919
Language: English
Format: PDF
Document: Technical Manual
Machine: Combine
Machine Model: C440 (020000-)
Pages: 806 Pages
Part Number: TM702919
Contents:
Foreword
General
Safety
Specifications
Fuels, Lubricants, and Coolants
Dimensions
Delivery and Storage Instructions
Engine
Engine Cooling System
Engine
Fuel and Air
Components
Intake and Exhaust System
Electrical System
Battery
Fuses and Relays
Operators Station
Sensors and Switches
Alternator
Starting Motor and Starting Relay
Control Unit and Primary Display Unit
Actuator Motor
Ground Drive
Variable Speed
Transmission and Differential
Final Drive
Brakes and Rear Axle
Brakes
Rear Axle
Brake Valve and Brake Fluid Reservoir
Hydraulic System
Hydraulic Lines and Connections
Hydraulic Reservoir
Hydraulic Pump
Hydraulic Control Valve
Hydraulic Cylinders
Accumulator
Hydrostatic Motor
Miscellaneous
Shafts and Bearings
Belts
Chain
Operator Station
Cab
Windshield Wiper
Operating Platform Levers
Operator Seat
Ladder
Feeder House
Feeder House-Removing and Installing
Feeder House-Adjustments
Threshing Separation and Grain Cleaning
Beater
Cylinder and Concave
Tine Separator Module
Tine Separators
Separator Drive
Tine Separator Gearboxes
Cleaning
Residue Disposal
Elevator, Grain Tank and Unloading
Elevators and Augers
Diagnostic Trouble Codes
ECU - Diagnostic Trouble Codes
E00 - Diagnostic Trouble Codes
E01 - Diagnostic Trouble Codes
HC1 - Diagnostic Trouble Codes
HHC - Diagnostic Trouble Codes
CAB - Diagnostic Trouble Codes
AIC - Diagnostic Trouble Codes
HIM - Diagnostic Trouble Codes
PDU - Diagnostic Trouble Codes
VTV - Diagnostic Trouble Codes
SCL - Diagnostic Trouble Codes
MHC - Diagnostic Trouble Codes
Electrical Diagnostic
General References
Theory of Operation - Cab Operators Station
Theory of Operation - Lighting
Theory of Operation - Starting-Charging-Power Distribution
Theory of Operation - Header Functions
Theory of Operation - Threshing-Separating-Cleaning
Theory of Operation - Grain Tank-Unloading
Theory of Operation - Transmission-Ground Drive Systems
Theory of Operation - Hydraulic Oil-Pressure
Schematics - Cab/Operators Station
Schematics - Lighting
Schematics - Engine/Fuel
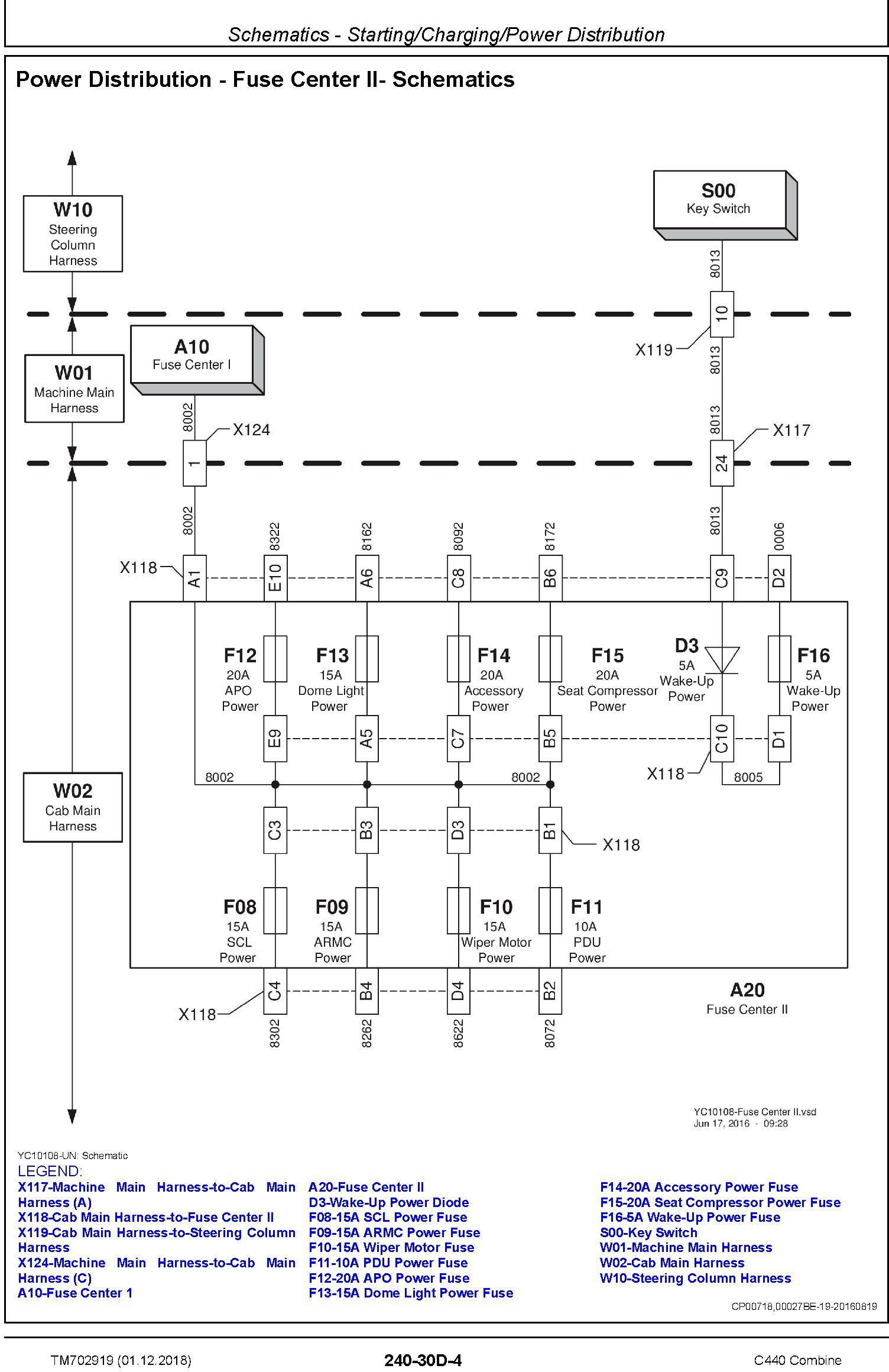
Schematics - Starting/Charging/Power Distribution
Schematics - Header Functions
Schematics - Threshing/Separating/Cleaning
Schematics - Grain Tank/Unloading
Schematics - Transmission/Ground Drive Systems
Schematics - Hydraulic Oil/Pressure
Schematics - Brakes
Schematics - CAN Bus
Diagnostics
Electrical Components/Connectors
X101-X149
X150-X199
X200-X249
X250-X299
X300-X349
Hydraulic Diagnostics
Hydraulic System Specification
Theory of Operation
Schematics
Diagnostics
Hydraulic Components
Using Instruction
Symbol Reference
Hydraulic-A Component
Hydraulic-C Components
Hydraulic-F Component
Hydraulic-G Components
Hydraulic-M Component
Hydraulic-P Components
Hydraulic-R Components
Hydraulic-V Components
Hydraulic-X Components
Hydraulic-Y Components




