John Deere Cable Grapple Skidder 540E 640E 740E 548E 648E 748E Repair Technical Manual TM1486
Language: English
Format: PDF
Document: Repair Technical Manual
Machine: Cable Grapple Skidder
Machine Model: 540E, 548E, 640E, 648E, 748E
Pages: 835 Pages
Part Number: TM1486
Contents:
Foreword
General Information
Safety
General Specifications
Torque Value
Fuels And Lubricants
Wheels
Powered Wheels And Fastenings
Axles And Suspension System
Removal And Installation
Input Drive Shafts And U-Joints
Hydraulic System
Transmission
Removal And Installation
Control Linkage
Input Drive Shafts And U-Joints
Gears, Shafts And Bearings
Hydraulic System
Engine
Removal And Installation
Engine Auxiliary Systems
Cold Weather Starting Aids
Cooling Systems
Speed Controls
Intake System
External Exhaust System
External Fuel Supply System
Damper Drive
Elements
Steering System
Secondary Steering
Hydraulic System
Service Brakes
Active Elements
Controls Linkage
Hydraulic System
Park Brake
Active Elements
Hydraulic System
Electrical System
Batteries, Support And Cables
Alternator, Regulator And Charging System Wiring
Lighting System
Wiring Harness And Switches
Instruments And Indicators
Motors And Actuators
Frame, Chassis, Or Supporting Structures
Frame Installation
Frame Bottom Guards
Operator’s Station
Removal And Installation
Operator Enclosure
Seat And Seat Belt
Heating And Air Conditioning
Sheet Metal And Styling
Hood Or Engine Enclosure
Grille And Grille Housing
Safety, Convenience And Miscellaneous
Horn And Warning Devices
Main Hydraulic System
Hydraulic System
Winch
Removal And Installation
Controls Linkage
Input Drive Shafts And U-Joints
Drive And Clutch
Bulldozers (Stacking And Trailbuilding Blades)
Blades
Controls Linkage
Hydraulic System
Arch Or Boom
Frame
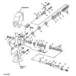
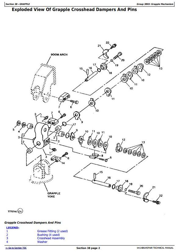
Grapple
Grapple Mechanism
Controls Linkage
Frame
Hydraulic System
Dealer Fabricated Tools
Dealer Fabricated Tools




