John Deere D100 to D170 Lawn Tractor Diagnosis Repair Technical TM113219
Language: English
Format: PDF
Document: Diagnosis Repair Technical
Machine: Lawn Tractor
Machine Model: D100, D110, D120, D130, D140, D150, D160, D170, D155, D125, D105 (SN. 010001-)
Pages: 732 Pages
Part Number: TM113219
Contents:
Foreword
General Information
Safety
General Specifications
Fuel and Lubricants
Machine Specifications
Single Cylinder Engine Repair
Single Cylinder Engine Repair
V-Twin Engine Repair
V-Twin Engine Repair
Electrical Repair
Component Location
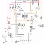
Wiring Harnesses (Machine Model Year -2011)
Wiring Harnesses (Machine Model Year 2012)
Wiring Harnesses (Machine Model Year 2013-)
Common Wiring Harnesses (All Machine Model Years)
Gear Power Train Repair
Component Location
Gear Power Train Repair
Continuously Variable Transmission (CVT) Repair, D105
CVT Repair
Hydrostatic Power Train Repair
Component Location
Hydrostatic Power Train Repair
Steering and Brake Repair
Steering Repair
Brake Repair
Attachments Repair
Component Location
Attachments Repair
Miscellaneous Repair
Miscellaneous Repair
Single Cylinder Engine Operation, Test, and Adjustments
Diagnostics
Test and Adjustments
V-Twin Engine Operation, Test, and Adjustments
Diagnostics
Test and Adjustments
Electrical Operation, Test, and Adjustments
Theory of Operation
Diagnostics
Test and Adjustments
Schematics (Machine Model Year -2011)
Schematics (Machine Model Year 2012-)
Connector Information
Gear Power Train Operation, Test, and Adjustments
Theory of Operation
Diagnostics
Test and Adjustments
Continuously Variable Transmission (CVT) Operation, D105
Component Location
Theory of Operation
Diagnostics
Hydrostatic Power Train Operation, Test, and Adjustments
Theory of Operation
Diagnostics
Test and Adjustments
Steering and Brake Operation, Test, and Adjustments
Steering Component Location
Steering Test and Adjustments
Brake Component Location
Brake Test and Adjustments
Attachments Operation, Test, and Adjustments
Diagnostics
Test and Adjustments
Service Tools and Kits
Service Tools




