John Deere E360 E360LC Excavator Diagnostic Operation Test Manual TM13104X19
Language: English
Format: PDF
Document: Diagnostic Operation Test Manual
Machine: Excavator
Machine Model: E360, E360LCl (1YNE36AL__C600002)
Pages: 1290 Pages
Part Number: TM13104X19
Contents:
Foreword
Manual Identification-READ THIS FIRST!
General Information
Safety
Diagnostics
Engine Control Unit (ECU) Diagnostic Trouble Codes
Automatic Temperature Control (ATC) Diagnostic Trouble Codes
Primary Display Unit (PDU) Diagnostic Trouble Codes
Sealed Switch Module (SSM) Diagnostic Trouble Codes
Vehicle Control Unit (VCU) Diagnostic Trouble Codes
JDLink (JDL) Diagnostic Trouble Codes-If Equipped
Operational Checkout Procedure
Operational Checkout Procedure
Engine
Theory of Operation
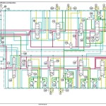
System Diagrams
Diagnostic Information
Test
Electrical System
Theory of Operation
System Diagrams
Diagnostic Information
Monitor Operation
Test
Power Train
Theory of Operation
Diagnostic Information
Hydraulic System
Theory of Operation
System Diagrams
Diagnostic Information
Adjustments
Test
Heating and Air Conditioning
Theory of Operation
System Diagrams
Diagnostic Information
Test
Dealer Fabricated Tools
Dealer Fabricated Tools




