John Deere Excavator 790E-LC Repair Technical Manual TM1507
Language: English
Format: PDF
Document: Repair Technical Manual
Machine: Excavator
Machine Model: 790ELC
Pages: 615 Pages
Part Number: TM1507
Contents:
Foreword
General Information
Safety
General Specifications
Torque Values
Fuels And Lubricants
Tracks
Track System
Axles And Suspension Systems
Axle Shaft, Bearings, And Reduction Gears
Hydraulic System
Engine
Removal And Installation
Engine Auxiliary Systems
Cold Weather Starting Aids
Cooling System
Speed Controls
Intake System
External Fuel Supply System
Dampener Drive (Flex Coupling)
Elements
Electrical System
Batteries, Support, And Cables
Alternator, Regulator, And Charging System Wiring
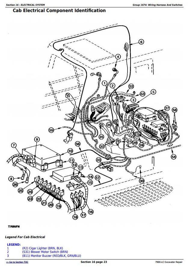
Wiring Harness And Switches
System Controls
Instruments And Indicators
Frame Or Supporting Structure
Frame Installation
Chassis Weights
Operator’s Station
Removal And Installation
Operator Enclosure
Seat And Seat Belt
Heating And Air Conditioning
Safety And Convenience
Horn And Warning Devices
Excavator
Bucket
Frame
Hydraulic System
Swing Rotation Or Pivoting System
Mechanical Drive Elements
Hydraulic System
Dealer Fabricated Tools
Dealer Fabricated Tools


