John Deere Excavator 892ELC Repair Technical Manual TM1542
Language: English
Format: PDF
Document: Repair Technical Manual
Machine: Excavator
Machine Model: 892ELC
Pages: 617 Pages
Part Number: TM1542
Contents:
Foreword
Technical Information Feedback Form
General Information
Safety
General Specifications
Torque Values
Fuels And Lubricants
Tracks
Track System
Axles And Suspension Systems
Axle Shaft, Bearings, And Reduction Gears
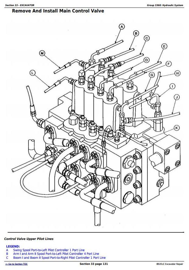
Hydraulic System
Engine
Removal And Installation
Engine Auxiliary Systems
Cold Weather Starting Aids
Cooling System
Speed Controls
Intake System
External Fuel Supply Systems
Splitter Drive
Gears, Shafts, And Bearings
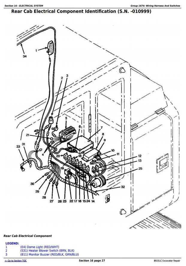
Electrical System
Batteries, Support, And Cables
Alternator, Regulator, And Charging System Wiring
Wiring Harness And Switches
System Controls
Instruments And Indicators
Frame Or Supporting Structure
Frame Installation
Chassis Weights
Operator’s Station
Removal And Installation
Operator Enclosure
Seat And Seat Belt
Heating And Air Conditioning
Excavator
Bucket
Frame
Hydraulic System
Swing Or Pivoting System
Mechanical Drive Elements
Hydraulic System
Dealer Fabricated Tools
Dealer Fabricated Tools




