John Deere HPX615E Gator Utility Vehicle Technical Manual TM150919
Language: English
Format: PDF
Document: Technical Manual
Machine: Gator Utility Vehicle
Machine Model: HPX615E (SN. from 010001)
Pages: 361 Pages
Part Number: TM150919
Contents:
Foreword
General Information
Safety
General Specifications
Fuel, Lubricants and Coolant
Machine Specifications
Engine Repair
Repair
Electrical Repair
Wiring Harnesses
Wiring Harnesses, Kits
Power Train Repair
Repair
Steering Repair
Repair
Brakes Repair
Repair
Miscellaneous
Component Location
Repair
Engine Operation, Test and Adjustments
Component Location
Diagnostics
Test and Adjustments
Electrical Operation, Test and Adjustments
Component Location
Theory of Operation
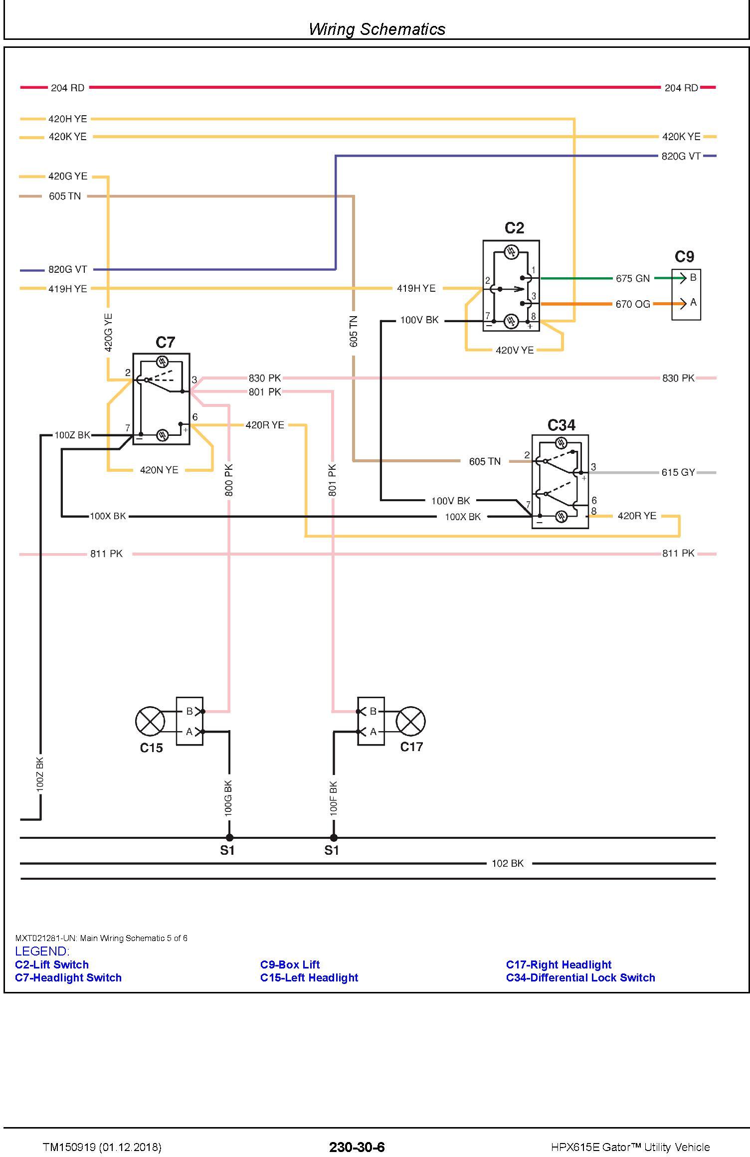
Wiring Schematics
Diagnostics
Test and Adjustments
Connector Information
Power Train Operation, Test and Adjustments
Component Location
Theory of Operation
Diagnostics
Test and Adjustments
Steering and Brake Operation, Test and Adjustments
Component Location
Theory of Operation
Diagnostics
Test and Adjustments
Service Tools
Service Tools and Kits




