John Deere LT133 LT155 LT166 Lawn Tractor Technical Manual TM1695
Language: English
Format: PDF
Document: Technical Manual
Machine: Lawn Tractor
Machine Model: LT133, LT155, LT166
Pages: 396 Pages
Part Number: TM1695
Contents:
Safety
Specifications and
Information
Kohler Engines
Briggs & Stratton Engine
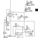
Electrical
Power Train (Gear)
Power Train (Hydrostatic)
Steering
Brakes
Attachments
Miscellaneous




