John Deere PowerTech 4.5L 6.8L Diesel Base Engine Component Technical Manual CTM104
Language: English
Format: PDF
Document: Component Technical Manual
Machine: Diesel Base Engine
Machine Model: 4045DF120, 4045DF150, 4045DF151, 4045DF152, 4045DF153, 4045DF154, 4045DF157, 4045DF158, 4045DF159, 4045DF270, 4045DFG70, 4045DFM50, 4045DFM70, 4045HBM01,4045HCP03, 4045HCP04, 4045HCP05, 4045HCP08, 4045HCP12, 4045HF120, 4045HF150, 4045HF157, 4045HF158, 4045HF252, 4045HF254, 4045HF280, 4045HFG80, 4045HFG81, 4045HFS80, 4045HFU81, 4045HLV54, 4045HLV55, 4045HLV56, 4045HLV58, 4045HLV60, 4045HLV62, 4045HLV64, 4045HLV66, 4045HMK80, 4045HP058, 4045HP059, 4045HYC01, 4045TBM05, 4045TBZ01, 4045TF120, 4045TF150, 4045TF151, 4045TF152, 4045TF154, 4045TF155, 4045TF157, 4045TF158, 4045TF161, 4045TF162, 4045TF220, 4045TF250, 4045TF251, 4045TF252, 4045TF253, 4045TF254, 4045TF257, 4045TF258, 4045TF270, 4045TF271, 4045TF280, 4045TF281, 4045TF290, 4045TFG80, 4045TFM50, 4045TP057, 4045TP080, 4TNV94CHT, CD4045DAT70, CD4045DF153, CD4045DL050, CD4045DL270, CD4045DL273, CD4045DL274, CD4045DLV50, CD4045DRT50, CD4045DRT51, CD4045DTK20, CD4045DYC50, CD4045HAT80, CD4045HAT81, CD4045HAT82, CD4045HL070, CD4045HL071, CD4045HL072, CD4045HL073, CD4045HL286, CD4045HLA72, CD4045TAT50, CD4045TAT70, CD4045TAT71, CD4045TBE50, CD4045TBE51, CD4045TBE52, CD4045TF152, CD4045TF273, CD4045TL050, CD4045TL051, CD4045TL052, CD4045TL053, CD4045TL054, CD4045TL055, CD4045TL056, CD4045TL057, CD4045TL058, CD4045TL059, CD4045TL060, CD4045TL061, CD4045TL062, CD4045TL063, CD4045TL064, CD4045TL070, CD4045TL071, CD4045TL072, CD4045TL073, CD4045TL074, CD4045TL075, CD4045TL270, CD4045TL271, CD4045TL273, CD4045TL274, CD4045TLV50, CD4045TLV56, CD4045TP061, CD4045TP077, CD4045TP079, CD4045TP080, CD4045TRT50, CD4045TTK20, CD4045TYC50, CD4045TZ050, CD4045TZ250, CD4045TZ270, CD6068DL050, J04045DCQ01, J04045DJ01, J04045TCQ01, J04045TCQ02, J04045TCQ03, J04045TJ02, J04045TP057, PE4045DKV50, PE4045DKV51, PE4045DLV50, PE4045DLV51, PE4045DP050, PE4045DP051, PE4045DP052, PE4045DP053, PE4045DP054, PE4045DP057, PE4045DP058, PE4045DP060, PE4045DT050, PE4045DT056, PE4045DT058, PE4045HLV52, PE4045HLV53, PE4045HLV54, PE4045HLV55, PE4045TDW50, PE4045TE050, PE4045TE051, PE4045TF150, PE4045TKV50, PE4045TLV50, PE4045TLV51, PE4045TLV52, PE4045TLV53, PE4045TLV54, PE4045TLV56, PE4045TN050, PE4045TP050, PE4045TP051, PE4045TP052, PE4045TP053, PE4045TP054, PE4045TP055, PE4045TP056, PE4045TP057, PE4045TP058, PE4045TP059, PE4045TP060, PE4045TP061, PE4045TP062, PE4045TP063, PE4045TP064, PE4045TP066, PE4045TP070, PE4045TP071, PE4045TP072, PE4045TP073, PE4045TP074, PE4045TP075, PE4045TP076, PE4045TP078, PE4045TP080, PE4045TP081, PE4045TT050, PE4045TT057, PE4045TT058, PE4045TT061, PE4045TT063, PE4045TT064, PE4045TT065, PE4045TT066, PE4045TT067, PE4045TT069, PE4045TT070, PE4045TT080, PE4045TT081, PE4045TT082, PE4045TT083, PE4045TT091, PE4045TT850, PE4045TT851, PE4045TT852, T04045DT004, T04045DT005, T04045DT006, T04045DT050, T04045DT052, T04045DT053, T04045DT055, T04045DT056, T04045HDW50, T04045HDW51, T04045TDW50, T04045TE050, T04045TE051, T04045TN050, T04045TT006, T04045TT007, T04045TT013, T04045TT014, T04045TT015, T04045TT050, T04045TT052, T04045TT053, T04045TT054, T04045TT055, T04045TT056, T04045TT057, T04045TT058, T04045TT060, T04045TT061, T04045TT062, T04045TT063, T04045TT064, T04045TT065, T04045TT066, T04045TT067, T04045TT068, T04045TT069, T04045TT070, T04045TT080, T04045TT081, T04045TT082, T04045TT083, T04045TT091, T04045TT801, T04045TT850, 6068DF150, 6068HBM02, 6068HF150, 6068HF157, 6068HF158, 6068HF250, 6068HF252, 6068HF254, 6068HF258, 6068SFM50, 6068TCQ18, 6068TF120, 6068TF150, 6068TF151, 6068TF152, 6068TF157, 6068TF158, 6068TF159, 6068TF220, 6068TF250, 6068TF251, 6068TF254, 6068TF257, 6068TF258, 6068TFM50, 6068TJ04, CD6068DL050, CD6068DL051, CD6068DL070, CD6068DL071, CD6068HBE50, CD6068HLA73, CD6068HYC50, CD6068HZ050, CD6068TBE50, CD6068TBE51, CD6068TBE52, CD6068TBE53, CD6068TCQ50, CD6068TL050, CD6068TL051, CD6068TL053, CD6068TL071, CD6068TL072, CD6068TL073, CD6068TL074, CD6068TP051, CD6068TP052, CD6068TYC50, CD6068TYC51, J06068ACQ01, J06068ACQ04, J06068HBM03, J06068HCQ02, J06068HCQ06, J06068TCQ01, J06068TCQ02, J06068TCQ03, J06068TCQ04, J06068TCQ11, J06068TCQ12, J06068TCQ13, J06068TCQ14, J06068TCQ15, J06068TJ02, J06068TJ04, J06068TJ12, J06068TP03, J06068TYC50, J06068TYC51, JO6068TCG04, PE6068DT850, PE6068HDW50, PE6068HDW53, PE6068HDW55, PE6068HDW58, PE6068HDW70, PE6068HH052, PE6068HN051, PE6068HT050, PE6068HT051, PE6068HT052, PE6068HT053, PE6068HT054, PE6068HT056, PE6068HT057, PE6068HT064, PE6068TDW50, PE6068TDW53, PE6068TDW54, PE6068TDW55, PE6068TDW57, PE6068TE050, PE6068TE051, PE6068TN050, PE6068TN051, PE6068TN052, PE6068TN053, PE6068TN054, PE6068TP051, PE6068TP052, PE6068TP053, PE6068TP054, PE6068TP055, PE6068TP056, PE6068TP057, PE6068TP058, PE6068TP061, PE6068TP062, PE6068TRW50, PE6068TRW52, PE6068TRW70, PE6068TRW72, PE6068TRW73, PE6068TT005, PE6068TT051, PE6068TT053, PE6068TT055, PE6068TT056, PE6068TT058, PE6068TT059, PE6068TT061, PE6068TT50, PE6068TT850, PE6068TT851, PE6068TTJ50, PE6068TTJ51, T06068HDW50, T06068HDW52, T06068HDW53, T06068HDW55, T06068HDW58, T06068HDW70, T06068HH050, T06068HH051, T06068HH052, T06068HT050, T06068HT051, T06068HT052, T06068TDW10, T06068TDW50, T06068TDW51, T06068TDW52, T06068TDW53, T06068TDW54, T06068TDW55, T06068TDW56, T06068TDW57, T06068TE050, T06068TN050, T06068TN051, T06068TN053, T06068TRW50, T06068TRW51, T06068TRW52, T06068TRW53, T06068TRW54, T06068TRW70, T06068TRW72, T06068TT007, T06068TT050, T06068TT051,T06068TT052, T06068TT053, T06068TT055, T06068TT056, T06068TT057, CD4045HLA70, CD4045HLA71, CD4045HLA72, CD4045TLA50, CD4045TLA51, 4045HF475, CD4045HL470, CD4045HL472, CD4045HL473, 4045HF275, 4045HFS72, 4045HFU72, 4045HZ060, 4045TF275, 4045TFM75, 4045TT096, CD4045DL070, CD4045HL270, CD4045HL271, CD4045HL272, CD4045HL273, CD4045HLA73, CD4045HTJ75, CD4045HTJ77, CD4045HZ060, CD4045HZ061, CD4045HZ275, CD4045TF278, CD4045TL272, CD4045TZ060, PE4045DT057, PE4045DT059, PE4045HDW52, PE4045HP050, PE4045HP051, PE4045HT050, PE4045HT051, PE4045TT084, PE4045TT085, PE4045TT086, PE4045TT087, PE4045TT088, PE4045TT089, PE4045TT090, PE4045TT092, PE4045TT093, PE4045TT094, PE4045TT095, T04045DT057, T04045DT058, T04045HTJ76, T04045TT084, T04045TT085, T04045TT086, T04045TT087, 4045AFM85, 4045HF485, 4045HFG85, 4045HFJ85, 4045HFK80, 4045HL481, 4045HT085, 4045HXU04, 4045HXU05, CD4045HL270, CD4045HL284, CD4045HL288, CD4045HL476, CD4045HL480, CD4045HL481, CD4045HL482, CD4045HTJ05, CD4045HTJ85, CD4045HTJ86, CD4045HTJ87, PE4045HDW54, PE4045HRW50, 4045HCP09, 4045HCP10, 4045HCP11, 4045HE051, 4045HF279, 4045HF285, 4045HF286, 4045HFC28, 4045HFG82, 4045HFL289, 4045HFL93, 4045HFS73, 4045HFS82, 4045HFS83, 4045HFS86, 4045HFS87, 4045HFS88, 4045HFU79, 4045HFU82, 4045HL287, 4045HL288, 4045HP052, 4045HP061, 4045HT054, 4045HT064, 4045HT065, 4045HT067, 4045HT075, 4045HT086, 4045HT087, 4045HXU02, 4045HYC04, 4045HYC07, 4045HYC08, 4045HYC10, 4045HYC11, 4045HYC12, 4045TF285, 4045TFM85, CD4045HL280, CD4045HL281, CD4045HL282, CD4045HL283, CD4045HL287, CD4045HL288, CD4045HT280, CD4045HT281, PE4045HDW53, PE4045HDW70, PE4045HE050, PE4045HLV50, PE4045HLV52, PE4045HP052, PE4045HP053, PE4045HRW51, PE4045HT054, PE4045HT055, PE4045HT056, PE4045HT061, CD6068TL052, CD6068TL054, 6068TFM75, CD6068HCQ60, CD6068HCQ61, CD6068HLA70, CD6068HLA71,CD6068HLA72, CD6068HRW01, CD6068HZ060, CD6068SFM50, CD6068TLA50, CD6068TLA51, CD6068TLA52, CD6068TLA53, J06068HCQ01, PE6068HDW63, PE6068HF275, PE6068HRW01, PE6068HT053, PE6068HT054, PE6068HT055, PE6068SFM50, PE6068TDW58, T06068SFM50, 6068HF475, 6068HFS76, 6068HFS77, 6068HFU74, 6068HN052, CD6068HL470, CD6068HL471, CD6068HL472, CD6068HL473, CD6068HL474, CD6068HL475, CD6068HZ470, PE6068HDW57, PE6068HDW61, PE6068HDW75, PE6068HH054, PE6068HH055, PE6068HH057, PE6068HH058, PE6068HRW53, PE6068HRW54, PE6068HRW61, PE6068HTJ54, PE6068HTJ55, 6068HCQ04, 6068HF120, 6068HF275, 6068HFS72, 6068HFU72, 6068HYC53, 6068TF275, 6068TFM76, 6068TYC52, CD6068HL270, CD6068HL271, CD6068HL272, CD6068HL273, CD6068HTJ75, CD6068HTJ76, CD6068HTJ77, CD6068TL270, CD6068TL271, CD6068TL273, J06068HBM04, PE6068HDW56, PE6068HDW59, PE6068HDW60, PE6068HDW62, PE6068HRW59, PE6068HRW60, PE6068HRW63, PE6068HT059, PE6068TT057, PE6068TT060 6068AFM75, 6068HCQ05, 6068HCQ07, 6068HDW76, 6068HDW76a, 6068HDW77, 6068HDW83, 6068HDW89, 6068HDW91, 6068HF485, 6068HFC48, 6068HFG85, 6068HFL84, 6068HFS89, 6068HN054, 6068HNW02, 6068HT082, 6068HT083, 6068HT087, 6068HT109, 6068HTJ01, 6068HTJ60, 6068HWZ80, 6068HXU01, 6068RW203, 6068RW208, 6068SFM75, CD6068HCQ81, CD6068HL280, CD6068HL480, CD6068HL481, CD6068HL482, CD6068HL483, CD6068HL484, CD6068HL486, CD6068HL487, CD6068HL488, CD6068HT480, CD6068HTJ05, CD6068HTJ85, CD6068HTJ86, CD6068HTJ87, CD6068HTJ88, CD6068HTJ89, CD6068HZ480, CD6068HZ481, CD6068HZ482, CD6068HZ483, CD6068TRW01, PE6068HDW64, PE6068HDW65, PE6068HDW66, PE6068HDW67, PE6068HDW68, PE6068HDW69, PE6068HDW71, PE6068HDW73, PE6068HDW74, PE6068HDW79, PE6068HDW80, PE6068HH058, PE6068HH059, PE6068HH060, PE6068HH061, PE6068HH062, PE6068HL481, PE6068HL482, PE6068HN053, PE6068HN056, PE6068HRW54, PE6068HRW64, PE6068HRW65, PE6068HRW73, PE6068HRW75, PE6068HRW77, PE6068HRW80, PE6068HRW82, PE6068HRW83, PE6068HT061, PE6068HT062, PE6068HT077, PE6068TRW01, 6068AFM85, 6068HBM01, 6068HCP01, 6068HDW74, 6068HE051, 6068HF279, 6068HF285, 6068HFC28, 6068HFG82, 6068HFL286, 6068HFS73, 6068HFS82, 6068HFS83, 6068HFS85, 6068HFS86, 6068HFU79, 6068HFU82, 6068HL287, 6068HL288, 6068HN055, 6068HNW03, 6068HT067, 6068HT069, 6068HT085, 6068HT104, 6068HT105, 6068HT111, 6068HT112, 6068HT116, 6068HTJ56, 6068HYC52, 6068HYC59, 6068HYC60, 6068HYH01, 6068HYH02, 6068HYH03, 6068HYH07, 6068HYN01, 6068HYN04, 6068SFM85, 6068TF485, CD6068HCQ82, CD6068HL280, CD6068HL281, CD6068HL282, CD6068HL283, PE6068HE050, PE6068HN052, PE6068HRW72, PE6068HRW73, PE6068HRW74, PE6068HRW81, PE6068HRW84, PE6068HT063, PE6068HT065, PE6068HT066, PE6068HT069, PE6068HT070, PE6068HT072, PE6068TP053
Pages: 881 Pages
Part Number: CTM104
Contents:
Foreword
Record of Changes
PowerTech 4.5L Engine-Tier 1/Stage I
PowerTech 4.5L Engine-Tier 2/Stage II
PowerTech 6.8L Engine-Tier 1/Stage I
PowerTech™ 6.8L Engine-Tier 2/Stage II
PowerTech™ 6.8L Engine With Electronic Fuel System-Tier 2/StageII
PowerTech Plus 6.8L Engine With Electronic Fuel System-Tier 3/Stage IIIA
PowerTech E 4.5 L Engine With Electronic Fuel Systems (HPCR Fuel System) (Two-ValveCylinder Head)
PowerTech E 6.8 L Engine With Electronic Fuel Systems (HPCR Fuel System) (Two-ValveCylinder Head Machine Model)
PowerTech M 4.5 L Engine with Mechanical Fuel System and 17 mm Injectors
General Information
Safety
Engine Identification and Application Charts
Fuels, Lubricants and Coolants
Repair and Adjustments
Engine Rebuild
Cylinder Head and Valves (Two-Valve Head Engine)
Cylinder Head and Valves (Four-Valve Head Engine)
Cylinder Block, Liners, Pistons and Rods
Crankshaft, Main Bearings and Flywheel
Camshaft, Balancer Shafts and Timing Gear Train
Lubrication System
Cooling System
Air Intake and Exhaust System
Fuel System
Starting and Charging Systems
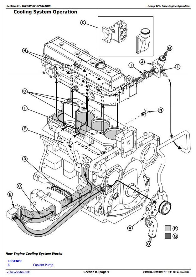
Theory of Operation
Base Engine Operation
Diagnostics
Observable Diagnostics and Test
Tools and Other Materials
Repair Tools and Other Materials
Diagnostic Service Tools
Dealer Fabricated Service Tools
Specifications
Repair and General OEM Specifications
Diagnostic Specifications




