John Deere PowerTech 4.5L 6.8L Diesel Engine Component Technical Manual CTM207
Language: English
Format: PDF
Document: Component Technical Manual
Machine: Diesel Engine with Mechanical Fuel System
Machine Model: 4045DF120, 4045DF150, 4045DF151, 4045DF152, 4045DF153, 4045DF154, 4045DF157, 4045DF158, 4045DF159, 4045DF270, 4045DFG70, 4045DFM50, 4045DFM70, 4045HBM01,4045HCP03, 4045HCP04, 4045HCP05, 4045HCP08, 4045HCP12, 4045HF120, 4045HF150, 4045HF157, 4045HF158, 4045HF252, 4045HF254, 4045HF280, 4045HFG80, 4045HFG81, 4045HFS80, 4045HFU81, 4045HLV54, 4045HLV55, 4045HLV56, 4045HLV58, 4045HLV60, 4045HLV62, 4045HLV64, 4045HLV66, 4045HMK80, 4045HP058, 4045HP059, 4045HYC01, 4045TBM05, 4045TBZ01, 4045TF120, 4045TF150, 4045TF151, 4045TF152, 4045TF154, 4045TF155, 4045TF157, 4045TF158, 4045TF161, 4045TF162, 4045TF220, 4045TF250, 4045TF251, 4045TF252, 4045TF253, 4045TF254, 4045TF257, 4045TF258, 4045TF270, 4045TF271, 4045TF280, 4045TF281, 4045TF290, 4045TFG80, 4045TFM50, 4045TP057, 4045TP080, 4TNV94CHT, CD4045DAT70, CD4045DF153, CD4045DL050, CD4045DL270, CD4045DL273, CD4045DL274, CD4045DLV50, CD4045DRT50, CD4045DRT51, CD4045DTK20, CD4045DYC50, CD4045HAT80, CD4045HAT81, CD4045HAT82, CD4045HL070, CD4045HL071, CD4045HL072, CD4045HL073, CD4045HL286, CD4045HLA72, CD4045TAT50, CD4045TAT70, CD4045TAT71, CD4045TBE50, CD4045TBE51, CD4045TBE52, CD4045TF152, CD4045TF273, CD4045TL050, CD4045TL051, CD4045TL052, CD4045TL053, CD4045TL054, CD4045TL055, CD4045TL056, CD4045TL057, CD4045TL058, CD4045TL059, CD4045TL060, CD4045TL061, CD4045TL062, CD4045TL063, CD4045TL064, CD4045TL070, CD4045TL071, CD4045TL072, CD4045TL073, CD4045TL074, CD4045TL075, CD4045TL270, CD4045TL271, CD4045TL273, CD4045TL274, CD4045TLV50, CD4045TLV56, CD4045TP061, CD4045TP077, CD4045TP079, CD4045TP080, CD4045TRT50, CD4045TTK20, CD4045TYC50, CD4045TZ050, CD4045TZ250, CD4045TZ270, CD6068DL050, J04045DCQ01, J04045DJ01, J04045TCQ01, J04045TCQ02, J04045TCQ03, J04045TJ02, J04045TP057, PE4045DKV50, PE4045DKV51, PE4045DLV50, PE4045DLV51, PE4045DP050, PE4045DP051, PE4045DP052, PE4045DP053, PE4045DP054, PE4045DP057, PE4045DP058, PE4045DP060, PE4045DT050, PE4045DT056, PE4045DT058, PE4045HLV52, PE4045HLV53, PE4045HLV54, PE4045HLV55, PE4045TDW50, PE4045TE050, PE4045TE051, PE4045TF150, PE4045TKV50, PE4045TLV50, PE4045TLV51, PE4045TLV52, PE4045TLV53, PE4045TLV54, PE4045TLV56, PE4045TN050, PE4045TP050, PE4045TP051, PE4045TP052, PE4045TP053, PE4045TP054, PE4045TP055, PE4045TP056, PE4045TP057, PE4045TP058, PE4045TP059, PE4045TP060, PE4045TP061, PE4045TP062, PE4045TP063, PE4045TP064, PE4045TP066, PE4045TP070, PE4045TP071, PE4045TP072, PE4045TP073, PE4045TP074, PE4045TP075, PE4045TP076, PE4045TP078, PE4045TP080, PE4045TP081, PE4045TT050, PE4045TT057, PE4045TT058, PE4045TT061, PE4045TT063, PE4045TT064, PE4045TT065, PE4045TT066, PE4045TT067, PE4045TT069, PE4045TT070, PE4045TT080, PE4045TT081, PE4045TT082, PE4045TT083, PE4045TT091, PE4045TT850, PE4045TT851, PE4045TT852, T04045DT004, T04045DT005, T04045DT006, T04045DT050, T04045DT052, T04045DT053, T04045DT055, T04045DT056, T04045HDW50, T04045HDW51, T04045TDW50, T04045TE050, T04045TE051, T04045TN050, T04045TT006, T04045TT007, T04045TT013, T04045TT014, T04045TT015, T04045TT050, T04045TT052, T04045TT053, T04045TT054, T04045TT055, T04045TT056, T04045TT057, T04045TT058, T04045TT060, T04045TT061, T04045TT062, T04045TT063, T04045TT064, T04045TT065, T04045TT066, T04045TT067, T04045TT068, T04045TT069, T04045TT070, T04045TT080, T04045TT081, T04045TT082, T04045TT083, T04045TT091, T04045TT801, T04045TT850, 6068DF150, 6068HBM02, 6068HF150, 6068HF157, 6068HF158, 6068HF250, 6068HF252, 6068HF254, 6068HF258, 6068SFM50, 6068TCQ18, 6068TF120, 6068TF150, 6068TF151, 6068TF152, 6068TF157, 6068TF158, 6068TF159, 6068TF220, 6068TF250, 6068TF251, 6068TF254, 6068TF257, 6068TF258, 6068TFM50, 6068TJ04, CD6068DL050, CD6068DL051, CD6068DL070, CD6068DL071, CD6068HBE50, CD6068HLA73, CD6068HYC50, CD6068HZ050, CD6068TBE50, CD6068TBE51, CD6068TBE52, CD6068TBE53, CD6068TCQ50, CD6068TL050, CD6068TL051, CD6068TL053, CD6068TL071, CD6068TL072, CD6068TL073, CD6068TL074, CD6068TP051, CD6068TP052, CD6068TYC50, CD6068TYC51, J06068ACQ01, J06068ACQ04, J06068HBM03, J06068HCQ02, J06068HCQ06, J06068TCQ01, J06068TCQ02, J06068TCQ03, J06068TCQ04, J06068TCQ11, J06068TCQ12, J06068TCQ13, J06068TCQ14, J06068TCQ15, J06068TJ02, J06068TJ04, J06068TJ12, J06068TP03, J06068TYC50, J06068TYC51, JO6068TCG04, PE6068DT850, PE6068HDW50, PE6068HDW53, PE6068HDW55, PE6068HDW58, PE6068HDW70, PE6068HH052, PE6068HN051, PE6068HT050, PE6068HT051, PE6068HT052, PE6068HT053, PE6068HT054, PE6068HT056, PE6068HT057, PE6068HT064, PE6068TDW50, PE6068TDW53, PE6068TDW54, PE6068TDW55, PE6068TDW57, PE6068TE050, PE6068TE051, PE6068TN050, PE6068TN051, PE6068TN052, PE6068TN053, PE6068TN054, PE6068TP051, PE6068TP052, PE6068TP053, PE6068TP054, PE6068TP055, PE6068TP056, PE6068TP057, PE6068TP058, PE6068TP061, PE6068TP062, PE6068TRW50, PE6068TRW52, PE6068TRW70, PE6068TRW72, PE6068TRW73, PE6068TT005, PE6068TT051, PE6068TT053, PE6068TT055, PE6068TT056, PE6068TT058, PE6068TT059, PE6068TT061, PE6068TT50, PE6068TT850, PE6068TT851, PE6068TTJ50, PE6068TTJ51, T06068HDW50, T06068HDW52, T06068HDW53, T06068HDW55, T06068HDW58, T06068HDW70, T06068HH050, T06068HH051, T06068HH052, T06068HT050, T06068HT051, T06068HT052, T06068TDW10, T06068TDW50, T06068TDW51, T06068TDW52, T06068TDW53, T06068TDW54, T06068TDW55, T06068TDW56, T06068TDW57, T06068TE050, T06068TN050, T06068TN051, T06068TN053, T06068TRW50, T06068TRW51, T06068TRW52, T06068TRW53, T06068TRW54, T06068TRW70, T06068TRW72, T06068TT007, T06068TT050, T06068TT051,T06068TT052, T06068TT053, T06068TT055, T06068TT056, T06068TT057,
Pages: 351 Pages
Part Number: CTM207
Contents:
Foreword
Record of Changes
PowerTech 4.5L Engine with Mechanical Fuel System
PowerTech 6.8L Engine with Mechanical Fuel System
PowerTech M 4.5 L Engine with Mechanical Fuel System and 17 mm Injectors
General Information
Safety
Engine Identification and Applications
Fuels, Lubricants, and Coolants
Repair and Adjustments
Mechanical Fuel System Repair and Adjustments
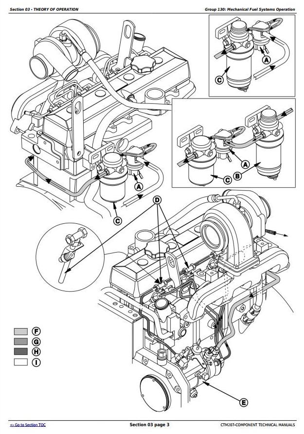
Theory of Operation
Mechanical Fuel Systems Operation
Diagnostics
Observable Diagnostics and Test
Tools and Other Materials
Repair Tools and Other Materials
Diagnostic Service Tools and Other Materials
Dealer Fabricated Service Tools
Specifications
Repair and General OEM Specifications
Diagnostic Specifications




