John Deere PowerTech 6068 6.8L 6081 8.1L Natural Gas Engine Component Technical Manual CTM113
Language: English
Format: PDF
Document: Component Technical Manual
Machine: Compressed Natural Gas Engine
Machine Model: 6068, 6081HFN01, 6081HFN02, 6081HFN03
Pages: 387 Pages
Part Number: CTM113
Contents:
Foreword
Operation and Diagnostics
Safety
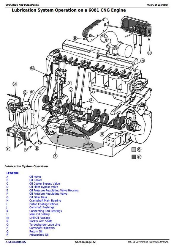
Theory of Operation
Engine Diagnostics and Testing Procedures
Starting and Charging System Diagnostics
Electronic Engine Controls Diagnostics
Specifications
Special or Essential Tools




