John Deere PowerTech 6101 10.1L Diesel Engine Component Technical Manual CTM61
Language: English
Format: PDF
Document: Component Technical Manual
Machine: Diesel Engine
Machine Model: 6101AF010, 6101AT011, 6101AT012, 6101HF010, 6101HRW10, 6101HRW11, 6101HZ011
Pages: 607 Pages
Part Number: CTM61
Contents:
Foreword
Safety
Handle Fluids Safely-Avoid Fires
Prevent Battery Explosions
Prepare for Emergencies
Prevent Acid Burns
Avoid High-Pressure Fluids
Wear Protective Clothing
Service Machines Safely
Work in Ventilated Area
Work in Clean Area
Remove Paint Before Welding or Heating
Avoid Heating Near Pressurized Fluid Lines
Illuminate Work Area Safely
Use Proper Lifting Equipment
Practice Safe Maintenance
Use Proper Tools
Dispose of Waste Properly
Live With Safety
General Information
Unified Inch Bolt and Cap Screw Torque Values
Metric Bolt and Cap Screw Torque Values
Engine Machine Model Designation
Engine Serial Number Plate Information
Engine Application Chart
Fuels, Lubricants, and Coolant
Diesel Fuel
Diesel Engine Oil
OILSCANOILSCAN is a trademark of Deere & Company. and CoolScanCoolScan is a trademark of Deere & Company.
Grease
Engine Coolant Requirements
Engine Coolant Specifications
John Deere Engine Cooling Fluid
Check Effectiveness of Coolant Solution
Replenishing Supplemental Coolant Additives (SCA`s) Between Coolant Changes
Flushing and Servicing Cooling System
Disposing of Coolant
Engine Mounting
Engine Repair Stand
Safety Precautions
Install 500 Series Engine Adapters On Repair Stand
Engine Lifting Procedure
Clean Engine
Disconnect Turbocharger Oil Inlet Line
Mount Engine On Repair Stand
Engine Rebuild Guide
6101 Engine Disassembly Sequence
Sealant Application Guidelines
6101 Engine Assembly Sequence
Cylinder Head and Valves
Special or Essential Tools
Cylinder Head and Valves Specifications
Service Equipment and Tools
Other Material
Check and Adjust Valve Clearance
Check Valve Lift
Remove Cylinder Head and Valves
Disassemble and Inspect Rocker Arm Shaft Assembly
Assemble Rocker Arm Shaft Assembly
Measure Valve Recess in Cylinder Head
Diagnosing Malfunctions
Remove Valve Assembly
Inspect and Measure Valve Springs
Inspect Wear Caps and Valve Rotators
Clean Valves
Inspect and Measure Valves
Grind Valves
Inspect and Clean Cylinder Head
Check Cylinder Head Combustion Face Flatness
Measure Cylinder Head Thickness
Clean Valve Guides
Measure Valve Guides
Knurl Valve Guides
Replace Valve Guides
Clean and Inspect Valve Seats
Measure Valve Seats
Grind Valve Seats
Remove Valve Seat Inserts
Measure Valve Seat Bores In Cylinder Head
Install Valve Seat Inserts (Standard or Oversize)
Inspect and Clean Cylinder Head Nozzle Bore
Clean and Inspect Push Rods
Clean and Inspect Crankcase Ventilation Assembly
Clean and Inspect Top Deck of Cylinder Block
Measure Cylinder Liner Standout (Height Above Block)
Assemble Valve Assembly
Install Cylinder Head
Tighten Flanged-Head Cylinder Head Cap Screws (With Flat Washers)
Torque-Turn Flanged-Head Cylinder Head Cap Screws
Install Rocker Arm Assembly
Complete Final Assembly On Injection Pump Side
Complete Final Assembly On Exhaust Manifold Side
Perform Engine Break-In
Cylinder Block, Liners, Pistons and Rods
Special or Essential Tools
Service Equipment and Tools
Other Material
Cylinder Block, Liners, Pistons, and Rods Specifications
Preliminary Liner, Piston, and Rod Checks
Remove Pistons and Connecting Rods
Measure Cylinder Liner Standout (Height Above Block)
Remove Cylinder Liners
Remove Piston Rings
Clean Pistons
Visually Inspect Pistons
Clean Cylinder Liners
Visually Inspect Cylinder Liners
Piston and Liner Identification Markings
Check Piston Ring Groove Wear
Install Piston Pin In Piston
Measure Piston Skirt OD
Determine Piston-to-Liner Clearance
Measure Oil Control Ring Groove
Measure Cylinder Liners
Deglaze Cylinder Liners
Inspect and Measure Connecting Rod Bearings
Inspect Rod and Cap
Inspect Piston Pins and Bushings
Remove Piston Pin Bushing
Clean and Inspect Piston Pin Bushing Bore In Connecting Rod
Install Piston Pin Bushing In Connecting Rod
Complete Disassembly of Cylinder Block (If Required)
Remove and Clean Piston Cooling Orifices
Inspect and Clean Cylinder Block
Clean Cylinder Liner O-Ring Bore
Measure Cylinder Block
Install Piston Cooling Orifices and Galley Plugs
Recheck Cylinder Liner Standout (Height Above Block)
Measure Liner Flange Thickness
Install Liner Shims-If Required
Install Cylinder Liner O-Rings and Packings
Cylinder Liner Manufacturing Date Code Explanation
Install Cylinder Liners
Install Pistons and Connecting Rods
Use Torque-Turn Method for Proper Torque
Check Engine Rotation for Excessive Tightness
Measure Piston Protrusion
Complete Final Assembly
Crankshaft, Main Bearings and Flywheel
Special or Essential Tools
Service Equipment and Tools
Other Material
Group 15-Crankshaft, Main Bearings, and Flywheel Specifications
Failure Analysis
Disconnect Turbocharger Oil Inlet Line
Remove Crankshaft Rear Oil Seal and Wear Sleeve (With Oil Seal Housing Installed)
Install Crankshaft Rear Oil Seal and Wear Sleeve Assembly (Without Engine Disassembly)
Inspect Vibration Damper
Remove Vibration Damper and Pulley
Remove Crankshaft Front Oil Seal (With Timing Gear Cover Installed On Engine)
Remove Crankshaft Front Wear Sleeve (With Timing Gear Cover Installed or Removed)
Install Crankshaft Front Wear Sleeve (With Timing Gear Cover Installed On Engine)
Install Crankshaft Front Oil Seal (With Timing Gear Cover Installed On Engine)
Remove Timing Gear Cover
Check Crankshaft End Play
Inspect, Measure, and Repair Flywheel
Check Flywheel Housing Face Runout
Check Flywheel Face Flatness
Check Pilot Bearing Bore Concentricity
Remove Flywheel and Flywheel Housing
Replace Flywheel Ring Gear
Remove Rear Oil Seal Housing and Wear Sleeve (With Engine Disassembled)
Remove Crankshaft Main Bearings
Check Main Bearing Clearance
Remove Crankshaft
Replace Crankshaft Gear
Inspect Crankshaft
Measure Assembled I.D. of Bearings and O.D. of Crankshaft Journals
Measure Assembled I.D. of Main Bearing Caps (Without Bearings)
Crankshaft Grinding Guidelines
Crankshaft Grinding Specifications
Thrust Bearing New Part Specifications
Replace Crankshaft Oil Pump Drive Gear
Inspect Thrust Bearings
Remove and Clean Piston Cooling Orifices
Install Main Bearing Inserts In Block
Install Crankshaft
Install Oil Pump and Check Drive Gear-to-Crankshaft Clearance
Install Crankshaft Rear Oil Seal Housing
Check Oil Seal Housing Runout
Crankshaft Rear Oil Seal and Wear Sleeve Handling Precautions
Install Crankshaft Rear Oil Seal and Wear Sleeve Assembly
Install Crankshaft Front Wear Sleeve
Install Timing Gear Cover
Install Crankshaft Front Oil Seal (With Timing Gear Cover Installed On Engine)
Install Damper Pulley and Vibration Damper
Install Flywheel Housing and Flywheel
Complete Final Assembly
Camshaft and Timing Gear Train
Special or Essential Tools
Other Material
Camshaft and Timing Gear Train Specifications
Check Valve Lift
Check Camshaft End Play
Remove Vibration Damper and Pulley
Remove Timing Gear Cover
Measure Camshaft Drive Gear-to-Crankshaft Gear Backlash
Remove Camshaft
Remove Camshaft Gear, Spacer, and Thrust Plate
Measure Thrust Plate and Spacer
Inspect and Measure Camshaft
Measure Camshaft Journal O.D. and Bushing I.D.
Measure Camshaft Lobe Lift
Remove, Inspect, and Measure Camshaft Followers
Assemble Camshaft
Service Camshaft Bushings Using JDG602 Adapter Set
Service Camshaft Bushings Using JDG606 Adapter Set
Install Camshaft
Install Timing Gear Cover
Install Crankshaft Front Wear Sleeve (With Timing Gear Cover Installed On Engine)
Install Crankshaft Front Oil Seal (With Timing Gear Cover Installed On Engine)
Complete Final Assembly
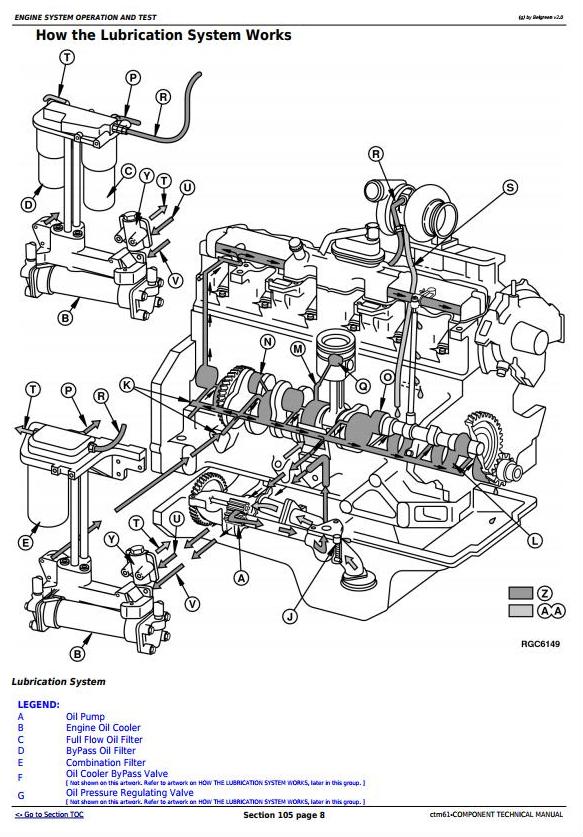
Lubrication System
Other Material
Lubrication System Specifications
Diagnosing Lubrication System Malfunctions
Drain Engine Oil, Coolant, and Remove Oil Pan
Lubrication System General Information
Engine Oil Bypass Valve Housing, Oil Cooler, and Dual Filter System
Replace Bypass Oil Check Valve On Dual Filter System
Engine Oil Bypass Valve Housing, Oil Cooler, and Combination Filter
Replace Bypass Oil Check Valve On Combination Filter System
Remove Oil Bypass Valve Housing and Oil Cooler Assembly
Remove and Inspect Oil Cooler Bypass and Oil Filter Bypass Valves
Assemble Bypass Valve Housing and Oil Cooler Assembly
Install Oil Bypass Valve Housing and Oil Cooler Assembly
Remove, Disassemble, Inspect, and Install Oil Pressure Regulating Valve and Housing
Check Crankshaft Gear-to-Oil Pump Drive Gear Backlash
Engine Oil Pump Assembly
Remove Engine Oil Pump
Inspect and Clean Oil Pump
Check Drive Shaft End Play
Check Drive Shaft Side Movement
Check Pumping Gear Backlash
Inspect Oil Pump Drive Gear
Adjust Oil Pump Set Screw
Install Engine Oil Pump
Install Oil Pan
Cooling System
Special or Essential Tools
Other Material
Cooling System Specifications
Service Equipment and Tools
Diagnosing Cooling System Malfunctions
General Cooling System Information
Remove and Install Heavy Duty Fan Drive Assembly
Remove Fan Drive Bearings
Install Fan Drive Bearings
Remove Water Pump
Water Pump Assembly
Disassemble Water Pump
Measure Bearing Bore In Water Pump Housing
Assemble Water Pump
Install Water Pump
Remove Water Manifold
Inspect and Clean Water Manifold
Install Water Manifold
Remove and Test Thermostats
Install Thermostats
Coolant Conditioner Filter General Information
Intergal (Air Intake) Coolant Filter Conditioner Assembly
Remove and Install Intergal (Air Intake) Coolant Filter Conditioner Assembly
Air Intake Manifold Mounted Coolant Filter Conditioner Assembly
Remove and Install Air Intake Manifold Coolant Filter Conditioner Assembly
Water Manifold Mounted Coolant Filter Conditioner Assembly
Remove and Install Water Manifold Mounted Coolant Filter Conditioner Assembly
Complete Final Assembly
Check and Adjust V-Belt Tension
Replace Fan Belt Tightener Bearings
Remove Coolant Heater-If Equipped
Install Coolant Heater-If Equipped
Air Intake and Exhaust System
Special or Essential Tools
Other Material
Air Intake and Exhaust System Specifications
Extending Turbocharger Life
Remove Turbocharger
Diagnosing Turbocharger Malfunctions
Turbocharger Seven-Step Inspection
Perform Radial Bearing Clearance Test
Perform Axial End Play Bearing Test
Disassemble and Inspect Turbocharger
Replace Center Housing and Rotating Assembly
Prelube Turbocharger
Install Turbocharger
Remove and Install Intake Manifold (6101H Engine)
Inspect and Repair Intake Manifold-6101H Engine
Remove Aftercooler Assembly and Intake Manifold (6101A Engine)
Inspect and Repair Aftercooler (6101A Engine)
Install Intake Manifold and Aftercooler Assembly (6101A Engine)
Install Aftercooler Cover (6101A Engine)
Remove, Inspect, and Install Exhaust Manifold Assembly
Fuel System
Special or Essential Tools
Other Material
Fuel System Specifications
Relieve System Pressure
Replace Rectangular Final Fuel Filter
Replace Fuel Check Valve Assembly
Replace Primary Fuel Filter/Water Separator-If Equipped
Remove Fuel Supply Pump
Test Fuel Supply Pump for Leaks
Disassemble Fuel Supply Pump
Inspect and Repair Fuel Supply Pump
Assemble Fuel Supply Pump
Install Fuel Supply Pump
General Information for Aneroid-Mechanical Governors Only
Repair Aneroid-Mechanical Governors Only
Remove Hydraulic Aneroid Activator-Mechanical Governors Only
Disassemble and Clean Hydraulic Aneroid Activator Parts-Mechanical Governors Only
Assemble and Install Hydraulic Aneroid Activator-Mechanical Governors Only
Service Overflow Valve
Remove Fuel Shut-Off Solenoid-Mechanical Governors Only
Install Fuel Shutoff Solenoid-Mechanical Governors Only
Remove Fuel Injection Pump
Repair Fuel Injection Pump
Install Fuel Injection Pump
Remove Fuel Injection Nozzles
Diagnose Injection Nozzle Malfunction
Test Fuel Injection Nozzles
Perform Opening Pressure Test
Fuel Injection Nozzle Specifications
Perform Leakage Test
Make Chatter and Spray Pattern Test
Disassemble Fuel Injection Nozzle
Clean and Inspect Fuel Injection Nozzle Assembly
Perform Nozzle Slide Test
Clean Spray Orifices
Inspect Nozzle Holder
Inspect Gland Nut
Assemble Fuel Injection Nozzle
Adjust Fuel Injection Nozzles
Inspect and Clean Cylinder Head Nozzle Bore
Inspect and Clean Nozzle Seating Surface
Install Fuel Injection Nozzles
Install Fuel Leak-Off and Fuel Delivery Line Assemblies
Engine Tune-Up and Break-In
Altitude Compensation Guideline
Preliminary Engine Testing
General Tune-Up Recommendations
Dynamometer Test
Dynamometer Test Specifications Average power ratings are given; allow ±5% for maximum and minimum power. Specifications given are for OEM applications only. Refer to your machine technical manual for engine speeds that are different from those preset at
Engine Break-In Guidelines
Perform Engine Break-In
Check Crankcase Ventilation System
Check Air Intake System
Check Exhaust System
Check and Service Cooling System
Check Electrical System
Engine System Operation and Test
Special or Essential Tools
Engine Test Specifications
Engine Sectional View
General Engine Description
How the Lubrication System Works
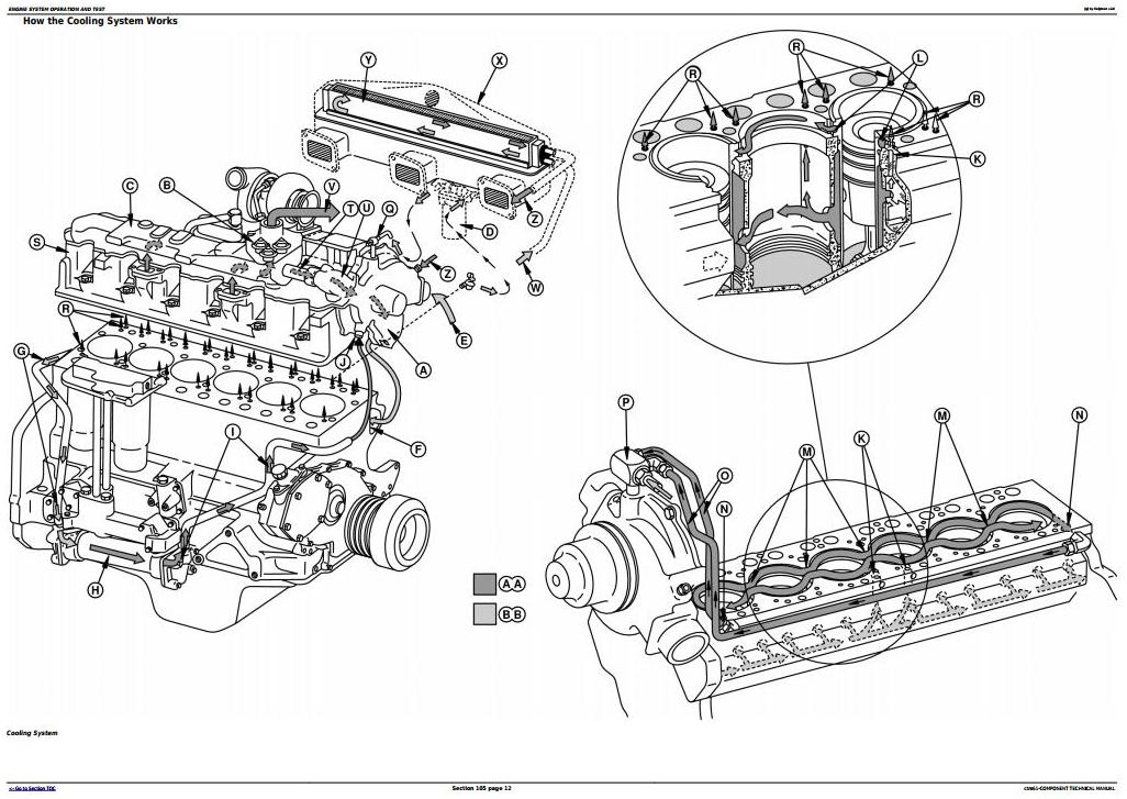
How the Cooling System Works
Head Gasket Joint Construction and Operation
Diagnosing Head Gasket Joint Failures
Head Gasket Inspection and Repair Sequence
Diagnosing Engine Malfunctions
Test Engine Compression Pressure
Check Engine Oil Pressure
Measure Engine Crankcase Pressure (Blow-By)
Pressure Test Cooling System and Radiator Cap
Inspect Thermostat and Test Opening Temperature
Air Intake System Operation and Test
Special or Essential Tools
Air Intake and Exhaust System Test Specifications
Diagnosing Air Intake Malfunctions
How the Air Intake and Exhaust System Works
Air Cleaner Operation
Diagnosing Turbocharger Malfunctions
How the Turbocharger Works
How the Turbocharger is Lubricated
How the Aftercooler Works-6101A Engine
Check Intake Manifold Pressure (Turbo Boost)
Fuel System Operation and Test
Special or Essential Tools
Service Equipment and Tools
Fuel System Test Specifications
Fuel Injection Pump Specifications Engine speeds listed are as preset to factory specification. In most cases, slow idle speed will be reset depending upon specific vehicle application requirements. Refer to your machine technical manual for engine speeds
Fuel System Operation
Diagnose Fuel System Malfunctions
Mechanical Fuel Supply Pump Operation
Diagnosing Mechanical Fuel Supply Pump Malfunctions
Test Mechanical Fuel Supply Pump for Leaks
Check Mechanical Fuel Supply Pump Operation
Service Mechanical Fuel Supply Pump
Fuel Shut-Off Solenoid Operational Check
Fuel Shut-Off Solenoid Resistance Test
Fuel Shut-Off Solenoid Linkage Adjustment
Rectangular Final Fuel Filter Operation
Round Primary Fuel Filter/Water Separator Operation
Bleed the Fuel System
In-Line Fuel Injection Pump Operation
Diagnose In-Line Fuel Injection Pump Malfunctions
Check and Adjust Injection Pump Timing
Check Fast Idle Speed
Check and Adjust Engine Slow Idle Speed
How the Aneroid Works-Mechanical Governors Only
Diagnose Aneroid Malfunction
How the Hydraulic Aneroid Activator Works-Mechanical Governors Only
Diagnose Malfunctions-Hydraulic Aneroid Activator
Fuel Injection Nozzles-General Information
Fuel Injection Nozzle Operation
Diagnose Malfunctions-Fuel Injection Nozzle
Test Fuel Injection Nozzles (Engine Running)
Fuel Drain Back Test Procedure
Dealer Fabricated Tools
How to Make Tools
Fabricated Tools-Cylinder Liner Holding Fixture




