John Deere PowerTech 8.1L Diesel Engine Component Technical Manual CTM255
Language: English
Format: PDF
Document: Component Technical Manual
Machine: Diesel Engine Level 9 Electronic Fuel System with Denso High Pressure Common Rail
Machine Model: 8.1L
Pages: 868 Pages
Part Number: CTM255
Contents:
Foreword
Record of Changes
General
Safety
Engine Identification
Fuels, Lubricants, and Coolant
Repair and Adjustments
Electronic Fuel System Repair and Adjustments
Electronic Engine Control Repair and Adjustment
Theory Of Operation
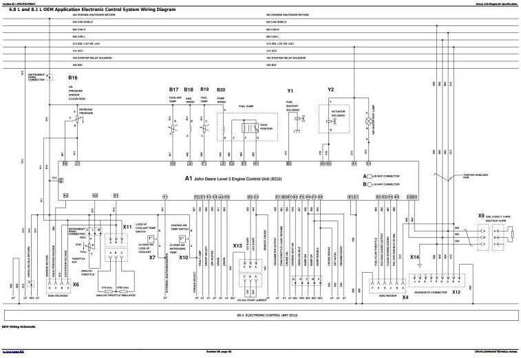
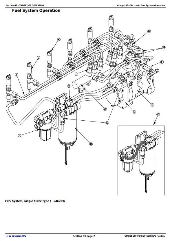
Electronic Fuel System Operation
Electronic Control System Operation
Diagnostics
Observable Diagnostics and Test
Trouble Code Diagnostics and Test
Tools
Electronic Fuel/Control System Repair Tools and Other Materials
Diagnostic Service Tools
Specifications
Repair Specifications
Diagnostic Specifications




