John Deere PowerTech 8.1L Natural Gas Engine Component Technical Manual CTM300
Language: English
Format: PDF
Document: Component Technical Manual
Machine: Natural Gas Engine Level 8 Electronic Fuel Systems
Machine Model: 6081HFN04
Pages: 797 Pages
Part Number: CTM300
Contents:
Foreword
Record of Changes
Operation and Diagnostics
Safety
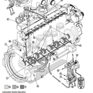
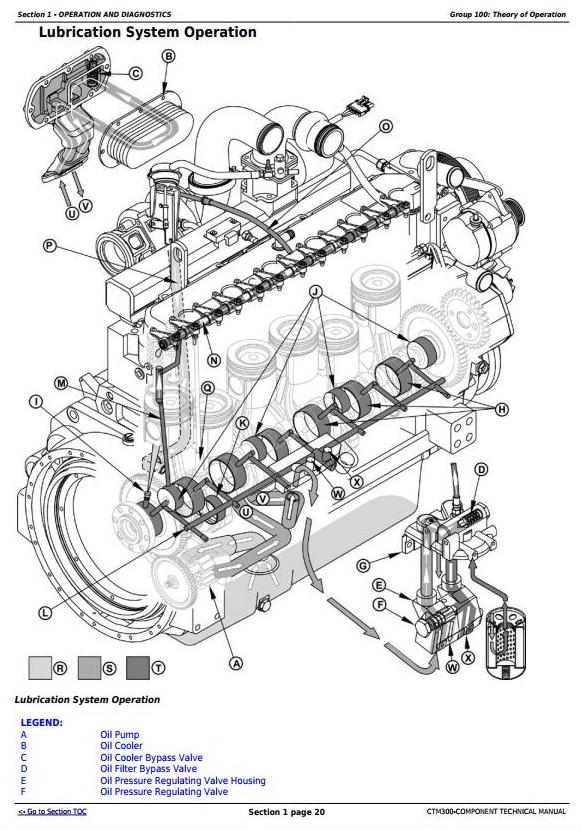
Theory of Operation
Engine Diagnostic and Testing Procedures
Starting and Charging System Diagnostics
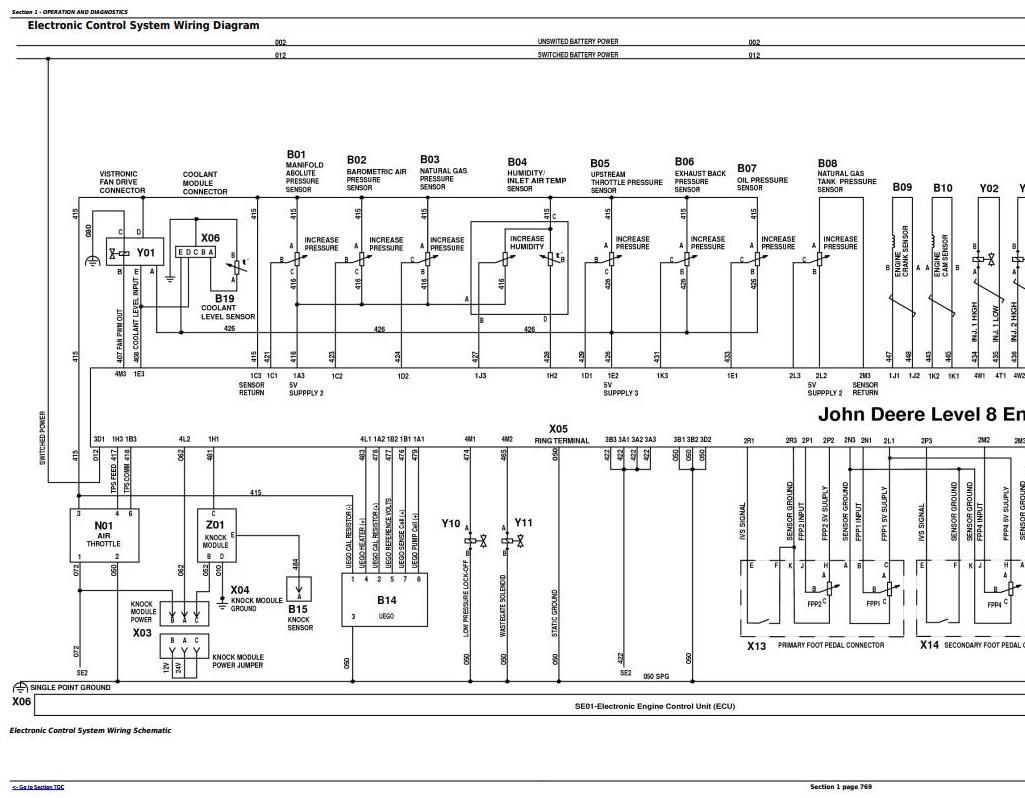
Electronic Engine Controls Diagnostics
Specifications
Special or Essential Tools




