John Deere R4040i Self-Propelled Sprayer Diagnosis Test Manual TM407519
Language: English
Format: PDF
Document: Diagnosis Test Manual
Machine: Chemical Application Vehicle and Demountable Crop Sprayer
Machine Model: R4040i
Pages: 2013 Pages
Part Number: TM407519
Contents:
Diagnostic Trouble Codes (DTC)
Armrest Control Unit (ACU)
Boom Hydraulic Control (BHC) Unit
Chassis Control Unit (CCU)
Chassis Control Unit - Vehicle Load Center (CCU VLC)
Cab Load Center (CLC)
Engine Control Unit (ECU) - L34
Vehicle Navigation - StarFire (iTC)
Primary Display Unit (PDU)
Spray Rate Control (SRC) Unit
AutoTrac Control Unit (SSU)
Cab Load Center
Electrical
Accessing Diagnostic Codes and Addresses
GS2 Display Diagnostic Information
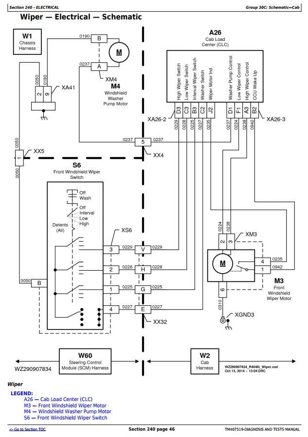
Schematic
Electrical Component Information
Electrical Assemblies
Sensors
Motors
Resistors
Switches
Electronically Actuated Mechanical Devices
Lights
Fuses
Charging
Monitoring Devices
Relays
Interconnects and Ground Points
Observable Symptoms
Fuel, Air Intake, Exhaust, and Cooling
Electrical
Engine
Drivetrain
Steering and Brakes
Hydraulics and Pneumatics
Solution System
Heating, Ventilating, and Air Conditioning System
Engine Diagnostics
Fuel, Air Intake, Exhaust, and Cooling System Components
Exhaust Components
Cooling Components
Fuel Components
Air Intake Components
Electronic Control Units
Schematic
Programming Electronic Control Units
Control Unit Addresses
Drivetrain
Operational Checks
Schematic
Diagnostic Test and Adjustments
Drivetrain Component Information
Attenuator and Accumulator
Diagnostic Receptacle
Cylinder, Actuator, or Piston
Check Valve
Filter
Valve Block, Assembly, or Gearcase
Cooler
Motor
Orifice
Pump
Reservoir or Tank
Valve
Solenoid Valve
Steering and Brakes
Schematic
Diagnostic Test and Adjustments
Heating, Ventilating, and Air Conditioning System
Schematic - HVAC
Diagnostic Test and Adjustments
Heating, Ventilating, and Air Conditioning Component Information
HVAC Component Information
Special Tools
Service Tools and Kits
Steering and Brakes Component Information
Hydraulics and Pneumatics
Hydraulics Component Information
Solution System




