John Deere R450 Windrower Diagnosis Test Manual TM108719
Language: English
Format: PDF
Document: Diagnosis Test Manual
Machine: Windrower
Machine Model: R450
Pages: 1393 Pages
Part Number: TM108719
Contents:
Diagnostic Trouble Codes
CAB - Cab Control Unit - Diagnostic Trouble Codes
ECU - Engine Control Unit - Diagnostic Trouble Codes
MHC - Multi-function Lever - Diagnostic Trouble Codes
Observable Symptoms
Engine
Air Intake and Cooling
Electrical
Power Train
Brakes
Hydraulics
Steering
Operator Station
Engine
Air Intake and Cooling
Electrical
Accessing Diagnostic Codes and Addresses
Diagnostic Addresses by Controller
Machine Setting Addresses
Diagnostic Trouble Codes, Warning Messages, and Fault Codes
Calibration Procedures
Air Seat
Auxiliary Power
CAN Bus
Control Unit - CAB/CPM
Control Unit - ECU
Control Unit - OOC Power Module
Engine and Fuel Controls
GreenStar Diagnostic
Heating, Ventilating, and Air Conditioning
Horn
Lighting Diagnostic
Park Brake
Platform Diagnostic
Power Distribution Diagnostic
Power Mirrors
Primary Display Unit
- Area Counter
- Engine Air Filter Monitoring
- Engine/Header Hours
- Engine Oil Pressure Monitoring
- Engine Speed Monitoring
- Engine Temperature Monitoring
- Fuel Level Monitoring
- Ground Speed Sensors
- Hydraulic Oil Filter Monitoring
- Hydraulic Oil Temperature Monitoring
- Hydrostatic Charge Pressure Monitoring
- Operator Presence
- Overall
- Water in Fuel Monitoring
Radio
Range Shift
Rear Assist Steering
Rotating Wand
Starting and Charging - Charging System
Starting and Charging - Starting System
Throttle
Windshield Wiper/Washer
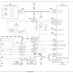
Connector Information (end views, numbers, location photos)
Power Train
General Information
Test and Adjustments
Hydrostatic Drive
Range Shift
Hydrostatic Steering and Park Brake Release
Final Drive
Component Identification and Location
Brakes
Hydraulics
General Information
Test and Adjustments
Auxiliary Hydraulics: Open Center and Relief Circuit
Auxiliary Hydraulic System
Charge Pump
Drive System
Float System
Raise/Lower
Tilt
Priority Valve
Steering
Operator Station




